체인 텐셔너

- 체인의 처짐을 조정하여 정상적인 체인 전동을 지속
- 큰 체인의 처짐은 진동 소음의 원인이 되어 스프로킷 과의 맞물림 불량을 발생시키는 등 원활한 체인 전동을 할 수 없게 됩니다.
- 체인의 처짐을 해소하기 위해, TH형, TCS형, ETS형, TA형의 4 종류의 체인 텐셔너를 라인 업하고 있습니다.
| ※ | CAD 데이터는 캐데나스 웹 투 캐드(주)의 CAD 도면라이브러리 사이트 「PARTcommunity」에의 링크에 의해 제공하겠습니다. |
| ※ | CAD 데이터 및 PARTcommunity에 대한 문의는 캐데나스 웹 투 캐드로 문의하십시오. 【캐데나스·웹·투·캐드 주식회사】TEL: (03)5961-5031 FAX: (03)5961-5032 |
카탈로그 · 취급설명서
체인 텐셔너 사용법
TCS 타입・ETS 타입・TA 타입・TH 타입의 4종류를 구색하고 있습니다.
각각의 사용법에 대해서는, 이하로부터 참조해 주세요.
체인 텐셔너의 변위량과 가압력의 관계
- ・체인 텐셔너의 본체부에는 2개의 코일 스프링을 내장하고 있습니다. 이 코일 스프링의 탄성을 이용하여 선단부에 설치한 아이들러 스프로킷 또는 플라스틱 슈가 체인을 밀어 늘어짐을 조정하는 기구가 되어 있습니다.
- ・ 아이들러 스프로킷 또는 플라스틱 슈의 변위량과 그 때 작용하는 가압력의 관계식을 아래에서 참조하여 설치・조정시의 기준으로 해 주십시오.
구조
쯔바키 체인 텐셔너는 본체부와 아이들러 스프로킷 켓부로 구성되어 있습니다. (TA형은 플라스틱 슈 부착의 일체형)
텐셔너 본체부(알루미늄제)는 내장된 코일 스프링의 탄성을 이용하여 텐셔닝을 실시하는 구조로 되어 있습니다.
아이들러 스프로킷 부는, 베어링 내장의 스프로킷 (TH형은 옵션으로 오일리스 부시형도 있습니다)과, 설치 볼트 및 와셔로 구성되어 있습니다.
스프로킷의 치부는 고주파 소입 처리하고 있어 TCS형·ETS형은 흑염 처리, TH형은 도금 처리하고 있습니다.
사용상의 주의점
- ・체인이 맥동하면, 반동으로 텐셔너의 로드가 출입해 본체와의 사이에서 슬라이딩합니다. 이것에 의해 로드 및 본체측에서 마모가 촉진되므로, 이 사이에 급유를 실시해 주십시오.
- ・분진이나 부식성이 심한 분위기에서는 텐셔너의 손상이 심해집니다. 이런 분위기에서의 사용은 피해 주십시오.
- ・수직 구동과 같이 텐셔너에 스러스트 방향의 힘이 가해지고, 정역 운전과 같이 심한 하중 변동이 가해지는 경우는 텐셔너가 현저하게 손상되는 경우가 있으므로, 사용을 피해.
품종
1. TCS형 요동식 아이들 아이들러 스프로킷 부착
| 형번 | 본체 코드 | 적용 체인 |
요동 각도 |
치수 mm | 누르는 힘 kN { kgf } |
개략 질량 kg |
DXF 도형 3DCAD 데이터 |
희망 가격 | 배달 | |||||||||
|---|---|---|---|---|---|---|---|---|---|---|---|---|---|---|---|---|---|---|
| B | C | H | M | T1 | T2 | T3 | L | L1 | L2 | |||||||||
| CT-TCS40 | TC-1 | RS40-1 | 45゚ | 69 | 86.5 | 121 | M10 | 15.5 | 15.5 | 5 | 50.5 | 37.5 | 6.5 | 0 {0} ~ 0.15 {15} |
0.74 | DXF・3DCAD | 문의하십시오 | 문의하십시오 |
| CT-TCS50 | RS50-1 | 0.82 | DXF・3DCAD | 문의하십시오 | 문의하십시오 | |||||||||||||
| CT-TCS60 | TC-2 | RS60-1 | 30゚ | 90 | 100 | 145 | M12 | 18 | 18 | 7 | 60.5 | 44.5 | 8.5 | 0 {0} ~ 0.39 {40} |
1.3 | DXF・3DCAD | 문의하십시오 | 문의하십시오 |
| CT-TCS80 | RS80-1 | 65.5 | 47 | 11 | 1.52 | DXF・3DCAD | 문의하십시오 | 문의하십시오 | ||||||||||
| 형번 | 스프로킷 잇수: Z |
DP mm |
DO mm |
스프로킷 장착 볼트 | 평와셔 | |||
|---|---|---|---|---|---|---|---|---|
| 크기: O | 길이 mm |
강도 구분 | 명사 같은 | 수량 | ||||
| CT-TCS40 | 17 | 69.12 | 76 | M10 | 30 | 10.9 | 10 | 2 |
| CT-TCS50 | 15 | 76.35 | 84 | |||||
| CT-TCS60 | 13 | 79.60 | 89 | M12 | 35 | 10.9 | 12 | 2 |
| CT-TCS80 | 11 | 90.16 | 102 | 4 | ||||
2. ETS형 직동식 아이들 아이들러 스프로킷 부착
| 형번 | 본체 코드 | 적용 체인 |
스트로크 S mm |
치수 mm | 누르는 힘 kN { kgf } |
개략 질량 kg |
DXF 도형 3DCAD 데이터 |
희망 가격 | 배달 | |||||||||||
|---|---|---|---|---|---|---|---|---|---|---|---|---|---|---|---|---|---|---|---|---|
| H | H1 | F | G | B | N | T1 | T2 | E | L | L1 | L2 | |||||||||
| CT-ETS40 | TO-1 | RS40-1 | 30 | 129 | 74 | 7 | 58 | 56.2 | 11 | 23 | 20 | 12.5 | 42 | 29 | 6.5 | 0.10 {10} ~ 0.25 {25} |
0.6 | DXF・3DCAD | 문의하십시오 | 문의하십시오 |
| CT-ETS50 | RS50-1 | 0.69 | DXF・3DCAD | 문의하십시오 | 문의하십시오 | |||||||||||||||
| CT-ETS60 | TO-2 | RS60-1 | 38 | 163 | 87 | 9 | 70 | 70.5 | 12.5 | 28 | 25 | 15 | 52 | 36 | 8.5 | 0.15 {15} ~ 0.39 {40} |
1.15 | DXF・3DCAD | 문의하십시오 | 문의하십시오 |
| CT-ETS80 | RS80-1 | 57 | 38.5 | 11 | 1.37 | DXF・3DCAD | 문의하십시오 | 문의하십시오 | ||||||||||||
| 형번 | 스프로킷 잇수: Z |
DP mm |
DO mm |
스프로킷 장착 볼트 | 평와셔 | |||
|---|---|---|---|---|---|---|---|---|
| 크기: O | 길이 mm |
강도 구분 | 명사 같은 | 수량 | ||||
| CT-ETS40 | 17 | 69.12 | 76 | M10 | 35 | 10.9 | 10 | 2 |
| CT-ETS50 | 15 | 76.35 | 84 | |||||
| CT-ETS60 | 13 | 79.6 | 89 | M12 | 45 | 10.9 | 12 | 2 |
| CT-ETS80 | 11 | 90.16 | 102 | 4 | ||||
3. TA형 직동식 플라스틱 슈 부착
| 형번 | 본체 코드 | 적용 체인 |
스트로크 S mm |
치수 mm | 누르는 힘 kN { kgf } |
개략 질량 kg |
DXF 도형 3DCAD 데이터 |
희망 가격 | 배달 | ||||||||||
|---|---|---|---|---|---|---|---|---|---|---|---|---|---|---|---|---|---|---|---|
| H | H1 | F | G | B | N | T1 | E | W | R | T2 | |||||||||
| CT-TA40 | TO-1 | RS40-1 RS08B-1 |
30 | 143 | 74 | 7 | 58 | 56.2 | 11 | 23 | 12.5 | 140 | 120 | 20 | 0.10 {10} ~ 0.25 {25} |
0.39 | DXF・3DCAD | 문의하십시오 | 문의하십시오 |
| CT-TA50 | TO-2 | RS50-1 RS10B-1 |
38 | 164 | 87 | 9 | 70 | 70.5 | 12.5 | 28 | 15 | 140 | 140 | 22 | 0.15 {15} ~ 0.39 {40} |
0.65 | DXF・3DCAD | 문의하십시오 | 문의하십시오 |
| CT-TA60 | RS60-1 RS12B-1 |
DXF・3DCAD | 문의하십시오 | 문의하십시오 | |||||||||||||||
| CT-TA80 | TO-3 | RS80-1 RS16B-1 |
44 | 187 | 104 | 9 | 86 | 82 | 14.5 | 33 | 17.5 | 140 | 160 | 25 | 0.29 {30} ~ 0.59 {60} |
0.99 | DXF・3DCAD | 문의하십시오 | 문의하십시오 |
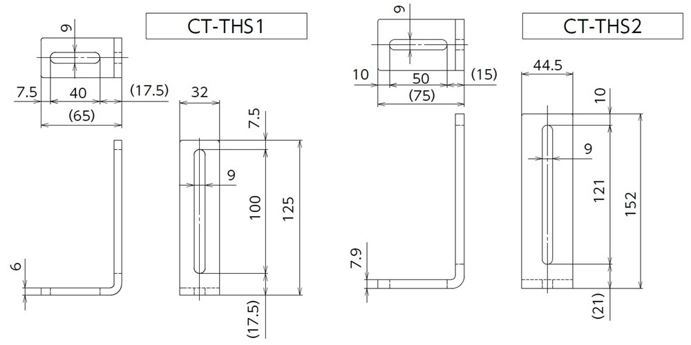
4. TH형 직동식 아이들 아이들러 스프로킷 켓별
본체
어댑터(고정용 받침대)
아이들러 스프로킷
| 형번 | 아이들러 잇수 |
피치 원 직경 Dp mm |
외경 Do mm |
최대 회전 속도 r/min |
베어링부 허용 하중 N |
DXF 도형 3DCAD 데이터 PDF 도면 |
희망 가격 | 배달 | ||
|---|---|---|---|---|---|---|---|---|---|---|
| 볼 베어링 사양 |
RS35-THB20T | 20 | 60.89 | 66 | 3000 | 3300 | DXF・3DCAD | 문의하십시오 | 문의하십시오 | |
| RS40-THB15T | 15 | 61.08 | 67 | DXF・3DCAD | 문의하십시오 | 문의하십시오 | ||||
| RS50-THB15T | 15 | 76.35 | 84 | DXF・3DCAD | 문의하십시오 | 문의하십시오 | ||||
| RS60-THB14T | 14 | 85.61 | 95 | DXF・3DCAD | 문의하십시오 | 문의하십시오 | ||||
| RS80-THB11T | 11 | 90.16 | 102 | DXF・3DCAD | 문의하십시오 | 문의하십시오 | ||||
| 오일리스 부시 사양 |
RS35-THL20T | 20 | 60.89 | 66 | 2500 | 343 | DXF・3DCAD | 문의하십시오 | 문의하십시오 | |
| RS40-THL15T | 15 | 61.08 | 67 | DXF・3DCAD | 문의하십시오 | 문의하십시오 | ||||
| RS50-THL15T | 15 | 76.35 | 84 | DXF・3DCAD | 문의하십시오 | 문의하십시오 | ||||
| RS60-THL14T | 14 | 85.61 | 95 | DXF・3DCAD | 문의하십시오 | 문의하십시오 | ||||







