토크리미터

- 가장 범용적인 마찰식 과부하 보호 기기
- ・축에 설치, 롤러 체인, 벨트, 기어에 의한 전동을 할 수 있습니다.
- ・과부하가 걸리면 슬립하고, 과부하가 제거되면 자동적으로 복귀합니다.
- ・슬립 토크의 설정은 조절 너트 또는 조절 볼트를 조이는 것만으로 간단합니다.
- ・사이즈 정렬이 풍부하고 폭넓은 토크 설정이 가능합니다.
- ・ 스프로킷 첨부, 커플링 타입도 구색하고 있습니다.
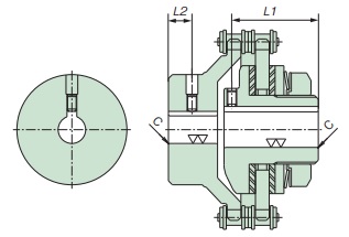
구조
통상 운전시, 센터 멤버는 마사츠판에 끼워져 접시 스프링에 의해 가압되고 있어 설정 토크 이하에서는 마찰력에 의해 회전을 전달합니다.
과부하 시 설정 토크 이상에서는 센터 멤버가 마사츠판 사이에서 슬립합니다. 과부하를 해제하면 자동 복귀 합니다.
* 위 그림은 TL200~TL350의 구조입니다. TL500~TL700, TL10~TL20은 조절 볼트의 체결에 의해 슬립 토크를 설정합니다. 자세한 내용은 취급설명서를 참조하십시오.
사양(표준 기종)
| 설정 토크 범위 N・m | 백래시 | 복귀 방법 |
|---|---|---|
| 1.0~9310 | 없음(단방향 운전 시에만) | 자동 |
(주) 사용 회전 방향을 역전시킨 경우 백래시가 발생합니다.
토크리미터 커플링
>> 지나사·모따기·마무리에 대해서는 이쪽
사양(표준 기종)
・지나사 위치와 사이즈
| 토크리미터 | 토크리미터 측 | 토크리미터 (커플링 타입) | |||
|---|---|---|---|---|---|
| 고정 나사 | 고정 나사 위치(L1) | 고정 나사 | 고정 나사 위치(L2) | ||
| TL200 | TL200-C | - | - | M 5× 5 | 8 |
| TL250 | TL250-C | M 5× 8 | 44 | M 5× 5 | 12 |
| TL350 | TL350-C | M 6×12 | 56 | M 6× 6 | 18 |
| TL500 | TL500-C | M 8×20 | 69 | M 8× 8 | 20 |
| TL700 | TL700-C | M10×20 | 90 | M10×10 | 33 |
| TL10 | TL10-C | M 8× 8 | 10 | M 8× 8 | 15 |
| TL14 | TL14-C | M10×10 | 12 | M10×10 | 20 |
| TL20 | TL20-C | M14×14 | 15 | M14×14 | 35 |
・모따기와 마무리
| 축 구멍 지름 | 모따기 치수 |
|---|---|
| Φ25 이하 | C0.5 |
| Φ50 이하 | C1 |
| Φ125 이하 | C1.5 |
| Φ125를 초과하는 경우 | C2 |
카탈로그 · 취급설명서
형번 표시
※단체 타입
| TL250 | - | 2 | - | B6.5 | - | TH20JD1 |
| | 사이즈 |
| 접시 스프링 매수 1:1 2:2 1L: 약 스프링 |
| 부시 길이 (부시 없음 경우 없음) |
| 축 구멍 기호 |
|||
※ 스프로킷 부착
| TL250 | - | 2 | - | 04022 | - | TH20JD1 | - | N49 |
| | 사이즈 |
| 접시 스프링 매수 |
| 스프로킷 형번 |
| 축 구멍 기호 |
| 토크 설정값 N・m |
||||
※커플링 타입
| TL250 | - | 2 | C | - | TH18JD1 | X | CH30JD1 | - | N49 |
| | 사이즈 |
| | | |
| 커플링 유형 |
| 토크리미터 측 축 구멍 기호 |
| 커플링측 축 구멍 기호 |
| 토크 설정값 N・m |
||||
| | 접시 스프링 매수 |
|||||||||
주) 토크리미터 측의 고정나사 위치는 조절 너트측에서 본 위치, 커플링측의 고정나사 위치는 허브 단면에서 본 위치입니다.
■ 쯔바키형번내비
제품 형번
※ 형번 클릭으로 상세 정보를 표시합니다.
| 설정 토크 범위 N・m |
단체 | 커플링 타입 | ||
|---|---|---|---|---|
| 축 구멍 직경 범위 mm |
형번 | 커플링측 축 구멍 직경 범위 mm |
형번 | |
| 1.0~2.0 | 9~14 | TL200-1L | 10~31 | TL200-1LC |
| 2.9~9.8 | TL200-1 | TL200-1C | ||
| 6.9~20 | TL200-2 | TL200-2C | ||
| 2.9~6.9 | 12~22 | TL250-1L | 15~38 | TL250-1LC |
| 6.9~27 | TL250-1 | TL250-1C | ||
| 14~54 | TL250-2 | TL250-2C | ||
| 9.8~20 | 18~25 | TL350-1L | 15~45 | TL350-1LC |
| 20~74 | TL350-1 | TL350-1C | ||
| 34~149 | TL350-2 | TL350-2C | ||
| 20~49 | 22~42 | TL500-1L | 20~65 | TL500-1LC |
| 47~210 | TL500-1 | TL500-1C | ||
| 88~420 | TL500-2 | TL500-2C | ||
| 49~118 | 32~64 | TL700-1L | 25~90 | TL700-1LC |
| 116~569 | TL700-1 | TL700-1C | ||
| 223~1080 | TL700-2 | TL700-2C | ||
| 392~1270 | 32~72 | TL10-16 | 35~95 | TL10-16C |
| 588~1860 | TL10-24 | TL10-24C | ||
| 882~2660 | 42~100 | TL14-10 | 40~118 | TL14-10C |
| 1960~3920 | TL14-15 | TL14-15C | ||
| 2450~4900 | 52~130 | TL20-6 | 45~150 | TL20-6C |
| 4610~9310 | TL20-12 | TL20-12C | ||
선정
토크리미터를 인원 수송 장치나 승강 장치에 사용되는 경우는 인적 재해나 낙하 사고가 발생하지 않는 조치를 장치측에서 강구해 주세요.
1. 기계의 강도 및 부하 기타 조건에서 더 이상의 토크를 가하지 말아야 하는 토크를 결정하고 토크리미터의 슬립 토크로 하십시오.
이 토크가 명확하지 않은 경우에는 원동기의 정격 출력 및 토크리미터를 설치하는 축의 회전 속도로부터 토크를 계산하고, 그의 1.5~2배를 토크리미터의 슬립 토크로서
제발.
2. 토크리미터의 크기를 결정하려면 토크리미터의 정격 토크 범위 내에 슬립 토크가 들어가도록하십시오.
3. 결정한 토크리미터의 최대 축 구멍 직경이 설치 축 직경보다 큰 것을 치수표에서 확인하십시오.
설치축 직경이 클 때는 1사이즈 큰 토크리미터를 사용해 주십시오.
4. 토크리미터에 끼워지는 센터 멤버의 두께에 따라 적당한 길이의 부시(제품 형번 페이지 참조)를 결정해 주십시오.
부시는 치수표에 기재되어 있는 부시 길이를 참조하여 1개 또는 복수개를 조합하여 센터 멤버의 두께를 초과하지 않는 범위에서 가장 긴 것을 선정해 주십시오.
센터 멤버의 선정·제작/동작의 검출에 대해서
센터 멤버로서 토크리미터에 끼우는 스프로킷 등의 선정·제작 및 센터 멤버를 사용한 과부하 검출 방법에 대한 자세한 내용은 여기를 참조하십시오.
토크리미터를 사용할 때
・ 토크리미터 의 파일럿 홀 품을 구입할 때는, 축에의 설치 전에 보스의 축 구멍, 키 홈 가공 및, 센터 멤버의 제작과 토크 설정을 실시할 필요가 있습니다.
・마찰계수가 내려가면 슬립토크도 저하되므로, 마찰판에 수분・유분 등이 부착하지 않도록 해 주십시오.
대책으로서 과대한 조임을 실시하면, 접시 스프링을 개입시켜 마찰판에 걸리는 부담이 커져, 마찰판이 깨져 버릴 가능성도 있습니다.
・회전속도가 빠르면, 슬립했을 때에 마찰판이 고온이 되어, 마찰판의 표면이 탄화해, 강도 저하를 초래할 우려가 있으므로, 최고 회전 속도 이상으로 사용하지 말아 주세요.
・5 r/min 이하의 극저속에서 사용하는 경우, 슬립 토크가 저하되는 경우가 있습니다. 극저속으로 사용하시는 경우는 별도 상담해 주십시오.

