제품정보 톱체인 액세서리
전용 스프로킷, 아이들러, 플라스틱 플라스틱 레일, 세트 컬러, 체인 가이드 파트, 프레임 서포트 파트, 제품 가이드 파트, 베어링 유닛 등의 컨베이어 주변 부품을 다수 라인 업하고 있습니다.
각 액세서리의 사용 방법 등은 아래 이미지를 클릭하여 확인하십시오.
- 스프로킷
- 아이들러 휠
- 분해·연결 공구
×
(드래그로 이동할 수 있습니다)
×
(드래그로 이동할 수 있습니다)
아이들러 휠/ 아이들러 라스 스프로킷
-
· 용도
컨베이어의 종동축에 설치하여 사용해 주십시오.
스테인리스 톱체인 일람
체인 형번적용 액세서리
액세서리 형번을
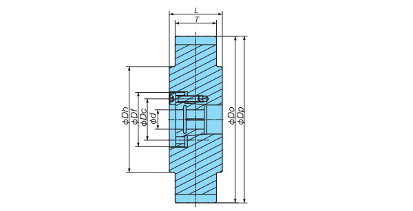
※ 형번 클릭으로 상세 정보를 표시합니다. 치수도는 클릭으로 확대됩니다.
스프로킷
( 클릭으로 목록을표시합니다. ) |
적용 체인 형식 | 적용 체인 피치 mm |
잇수 | |||||||||||||||||||||||||||||||||||||||||||||||||||||||||||||||||||||||||||||||||||||||||||||||||||||||||||||||||||||||||||||||
|---|---|---|---|---|---|---|---|---|---|---|---|---|---|---|---|---|---|---|---|---|---|---|---|---|---|---|---|---|---|---|---|---|---|---|---|---|---|---|---|---|---|---|---|---|---|---|---|---|---|---|---|---|---|---|---|---|---|---|---|---|---|---|---|---|---|---|---|---|---|---|---|---|---|---|---|---|---|---|---|---|---|---|---|---|---|---|---|---|---|---|---|---|---|---|---|---|---|---|---|---|---|---|---|---|---|---|---|---|---|---|---|---|---|---|---|---|---|---|---|---|---|---|---|---|---|---|---|---|---|---|
![]() |
TT
|
TT | 38.10 | 19, 21, 23, 25 | ||||||||||||||||||||||||||||||||||||||||||||||||||||||||||||||||||||||||||||||||||||||||||||||||||||||||||||||||||||||||||||||
![]() ![]() ![]() |
× (드래그로 이동할 수 있습니다)
× (드래그로 이동할 수 있습니다)
× (드래그로 이동할 수 있습니다)
|
|||||||||||||||||||||||||||||||||||||||||||||||||||||||||||||||||||||||||||||||||||||||||||||||||||||||||||||||||||||||||||||||||
![]() |
TTU
|
TTU | 38.10 | 21, 23, 25 | ||||||||||||||||||||||||||||||||||||||||||||||||||||||||||||||||||||||||||||||||||||||||||||||||||||||||||||||||||||||||||||||
![]() ![]() ![]() |
× (드래그로 이동할 수 있습니다)
× (드래그로 이동할 수 있습니다)
× (드래그로 이동할 수 있습니다)
|
|||||||||||||||||||||||||||||||||||||||||||||||||||||||||||||||||||||||||||||||||||||||||||||||||||||||||||||||||||||||||||||||||
![]() |
TS/TSA
|
TS, TSA, TSA-HTP, TS-CTP | 38.10 | 9½, 10½, 11½, 12, 12½ | ||||||||||||||||||||||||||||||||||||||||||||||||||||||||||||||||||||||||||||||||||||||||||||||||||||||||||||||||||||||||||||||
![]() ![]() |
|
|||||||||||||||||||||||||||||||||||||||||||||||||||||||||||||||||||||||||||||||||||||||||||||||||||||||||||||||||||||||||||||||||
![]() |
TO
|
TO, TORP/TOSP | 76.20 | 11, 31 | ||||||||||||||||||||||||||||||||||||||||||||||||||||||||||||||||||||||||||||||||||||||||||||||||||||||||||||||||||||||||||||||
![]() |
|
|||||||||||||||||||||||||||||||||||||||||||||||||||||||||||||||||||||||||||||||||||||||||||||||||||||||||||||||||||||||||||||||||
![]() |
TU
|
TU | 76.20 | 11 | ||||||||||||||||||||||||||||||||||||||||||||||||||||||||||||||||||||||||||||||||||||||||||||||||||||||||||||||||||||||||||||||
![]() |
|
|||||||||||||||||||||||||||||||||||||||||||||||||||||||||||||||||||||||||||||||||||||||||||||||||||||||||||||||||||||||||||||||||
아이들러 휠
( 클릭으로 목록을표시합니다. ) |
적용 체인 형식 | 적용 체인 피치 mm |
상당 잇수 | |||||||||||||||||||||||||||||||||||||||
|---|---|---|---|---|---|---|---|---|---|---|---|---|---|---|---|---|---|---|---|---|---|---|---|---|---|---|---|---|---|---|---|---|---|---|---|---|---|---|---|---|---|---|
![]() |
TT,TTU
|
TPF, TPH, TP-OTD, TPS, TPS-P, TT, TTP, TTPH, TTPH-P, TTP-P, TTPT, TTU, TTUP, TTUPH, TTUPM838H, TTUP-P, TTUPS-H | 25.4, 38.1 | 21, 23, 25 | ||||||||||||||||||||||||||||||||||||||
![]() |
|
|||||||||||||||||||||||||||||||||||||||||
분해·연결 공구
| 액세서리 명칭 ( 클릭으로 목록을표시합니다. ) |
적용 체인 형번 | |||||||||||||
|---|---|---|---|---|---|---|---|---|---|---|---|---|---|---|
![]() |
분해·연결 공구
|
TT, TRU, TTKU, TS | ||||||||||||
![]() ![]() ![]() |
|
|||||||||||||
클릭으로 목록을




















