하이포이드 기어 헤드 HMTK

- 높은 경제적 효율성과 짧은 납기를 달성하는 서보 애플리케이션용 범용 기어 헤드.
- 하이포이드 기어 헤드 HMTK는 직교축 고효율 타입입니다.
- 출력축: 중공・중실
- 대응 서보 모터: 0.2~5.0kW
- 감속비: 1/5~1/200
선정 툴 대응 서보 모터
| 제조업체 | 형식 예 |
|---|---|
| 오므론 | R88M-K 외 |
| 오리엔탈 모터 | KXR |
| Keyence | SV2, SV 등 |
| 타마가와 정기 | TS46 외 |
| 파나소닉 | MSM 등 |
| 미쓰비시 전기 | HK-KT, HG-SR 등 |
| 야스카와 전기 | SGM7 등 |
특징
-
・이코노미
범용 기어 헤드를 서보 용도화하고 있으므로, 이코노미 한편 단 배달로 제품을 전달할 수 있습니다.
-
· 고효율
웜에 비해 미끄럼이 적고 고효율입니다. 동일한 출력이면 소비 전력이 적어집니다.
-
· 컴팩트 · 공간 절약
높이 치수를 억제한 컴팩트 바디는, 자유자재의 설치・설치에 대응하고 있습니다. 수평, 수직, 경사 등 설치 각도의 제한은 없습니다.
-
・출력축 백래시(개략값)
단위: 분 감속비 5~10 15~100 120~200 각도 60 30 20 ※보증치가 아닙니다.
설치형식/축배치
| H | US | UT |
|---|---|---|
|
|
|
- [설치 형식]
- H: 중공 축형
- US: 페이스 마운트형 출력축 편축
- UT: 페이스 마운트형 출력축 양축
- L: 다리 설치형 *당사에 문의해 주십시오.
- [출력축 회전 방향]
- 입력축을 향해 우회전 시 관통 구멍측의 면에서 봐
- 2단형: 좌회전
- 3단형: 우회전
카탈로그 · 취급설명서
형번 표시 예
| HMTK | 0428 | U | 20 | S | - | □□□C |
| | 유형 |
| 사이즈 |
| 설치 형식 |
| 감속비 |
| 축 배치 |
| 마운트 코드 |
|
| U:페이스 마운트형 H: 출력 중공축 |
S: 출력축이 한쪽(페이스측) (페이스 마운트형만) T: 출력축이 양측 (페이스 마운트형만) 기호 없음: 중공 축형 |
(클램프 타입) |
| HMTK | 3750 | U | 60 | S | - | L1RJ |
| | 유형 |
| 사이즈 |
| 설치 형식 |
| 감속비 |
| 축 배치 |
| 마운트 코드 * |
|
| U:페이스 마운트형 H: 출력 중공축 |
S: 출력축이 한쪽(페이스측) (페이스 마운트형만) T: 출력축이 양측 (페이스 마운트형만) 기호 없음: 중공 축형 |
(키 홈 타입) |
■ 쯔바키형번내비
유형 이름
HMTK:하이포이드 기어를 이용한 직교축 타입입니다.
GMTK:헬리컬 기어를 이용한 평행축 타입입니다.
사이즈
정격 입력 용량을 나타냅니다.
프레임 번호
감속기의 크기를 나타냅니다. 대부분의 기종에서 출력축 직경과 같은 값입니다.
모터 용량과 감속비에서 자동으로 결정됩니다.
설치 형식
L : 다리 부착하는 타입입니다.
U: 페이스 마운트할 타입입니다.
F:플랜지 설치하는 타입입니다.
페이스 마운트인지 플랜지 마운트인지는
프레임 번호에 따라 자동으로 결정됩니다.
감속비
감속비를 나타냅니다.
범위의 구분은 프레임 번호에 대응하고 있습니다.
축 배치
HMTK 타입의 경우
기호 없음:설치 형식이 중공축 타입(H)인 경우, 축 배치 기호는 불필요합니다.
S:설치 형식이 페이스 마운트(U)인 경우에, 중실의 출력축이 설치면측에 나오는 타입입니다.
T:중실의 출력축이 양측에 나오는 타입입니다.
GMTK 타입의 경우
기호 없음: 축 배치 기호는 필요하지 않습니다.
마운트 코드
설치할 모터에 맞는 마운트 코드를 지정합니다.
상품 일람
※ 형번 클릭으로 상세 정보를 표시합니다. 모두 열기 모두 닫기
| 마운트 코드 | 감속비 | 중공 축형 | 페이스 마운트형 | |
|---|---|---|---|---|
|
아래의 모터 마운트 부분 |
1/5 | HMTK0430H5 | HMTK0428U5S | HMTK0428U5T |
| 1/10 | HMTK0430H10 | HMTK0428U10S | HMTK0428U10T | |
| 1/15 | HMTK0430H15 | HMTK0428U15S | HMTK0428U15T | |
| 1/20 | HMTK0430H20 | HMTK0428U20S | HMTK0428U20T | |
| 1/25 | HMTK0430H25 | HMTK0428U25S | HMTK0428U25T | |
| 1/30 | HMTK0430H30 | HMTK0428U30S | HMTK0428U30T | |
| 1/40 | HMTK0430H40 | HMTK0428U40S | HMTK0428U40T | |
| 1/50 | HMTK0430H50 | HMTK0428U50S | HMTK0428U50T | |
| 1/60 | HMTK0435H60 | HMTK0438U60S | HMTK0438U60T | |
| 1/80 | HMTK0435H80 | HMTK0438U80S | HMTK0438U80T | |
| 1/100 | HMTK0435H100 | HMTK0438U100S | HMTK0438U100T | |
| 1/120 | HMTK0435H120 | HMTK0438U120S | HMTK0438U120T | |
| 1/160 | HMTK0435H160 | HMTK0438U160S | HMTK0438U160T | |
| 1/200 | HMTK0435H200 | HMTK0438U200S | HMTK0438U200T | |
| 마운트 코드 | 감속비 | 중공 축형 | 페이스 마운트형 | |
|---|---|---|---|---|
|
아래의 모터 마운트 부분 |
1/5 | HMTK0735H5 | HMTK0738U5S | HMTK0738U5T |
| 1/10 | HMTK0735H10 | HMTK0738U10S | HMTK0738U10T | |
| 1/15 | HMTK0735H15 | HMTK0738U15S | HMTK0738U15T | |
| 1/20 | HMTK0735H20 | HMTK0738U20S | HMTK0738U20T | |
| 1/25 | HMTK0735H25 | HMTK0738U25S | HMTK0738U25T | |
| 1/30 | HMTK0735H30 | HMTK0738U30S | HMTK0738U30T | |
| 1/40 | HMTK0735H40 | HMTK0738U40S | HMTK0738U40T | |
| 1/50 | HMTK0735H50 | HMTK0738U50S | HMTK0738U50T | |
| 1/60 | HMTK0745H60 | HMTK0742U60S | HMTK0742U60T | |
| 1/80 | HMTK0745H80 | HMTK0742U80S | HMTK0742U80T | |
| 1/100 | HMTK0745H100 | HMTK0742U100S | HMTK0742U100T | |
| 1/120 | HMTK0745H120 | HMTK0742U120S | HMTK0742U120T | |
| 1/160 | HMTK0745H160 | HMTK0742U160S | HMTK0742U160T | |
| 1/200 | HMTK0745H200 | HMTK0742U200S | HMTK0742U200T | |
| 마운트 코드 | 감속비 | 중공 축형 | 페이스 마운트형 | |
|---|---|---|---|---|
|
아래의 모터 마운트 부분 |
1/5 | HMTK1545H5 | HMTK1542U5S | HMTK1542U5T |
| 1/10 | HMTK1545H10 | HMTK1542U10S | HMTK1542U10T | |
| 1/15 | HMTK1545H15 | HMTK1542U15S | HMTK1542U15T | |
| 1/20 | HMTK1545H20 | HMTK1542U20S | HMTK1542U20T | |
| 1/25 | HMTK1545H25 | HMTK1542U25S | HMTK1542U25T | |
| 1/30 | HMTK1545H30 | HMTK1542U30S | HMTK1542U30T | |
| 1/40 | HMTK1545H40 | HMTK1542U40S | HMTK1542U40T | |
| 1/50 | HMTK1545H50 | HMTK1542U50S | HMTK1542U50T | |
| 1/60 | HMTK1545H60 | HMTK1542U60S | HMTK1542U60T | |
| 1/80 | HMTK1545H80 | HMTK1542U80S | HMTK1542U80T | |
| 1/100 | HMTK1555H100 | HMTK1550U100S | HMTK1550U100T | |
| 1/120 | HMTK1555H120 | HMTK1550U120S | HMTK1550U120T | |
| 1/160 | HMTK1555H160 | HMTK1550U160S | HMTK1550U160T | |
| 1/200 | HMTK1555H200 | HMTK1550U200S | HMTK1550U200T | |
| 마운트 코드 | 감속비 | 중공 축형 | 페이스 마운트형 | |
|---|---|---|---|---|
|
아래의 모터 마운트 부분 |
1/5 | HMTK2245H5 | HMTK2242U5S | HMTK2242U5T |
| 1/10 | HMTK2245H10 | HMTK2242U10S | HMTK2242U10T | |
| 1/15 | HMTK2245H15 | HMTK2242U15S | HMTK2242U15T | |
| 1/20 | HMTK2245H20 | HMTK2242U20S | HMTK2242U20T | |
| 1/25 | HMTK2245H25 | HMTK2242U25S | HMTK2242U25T | |
| 1/30 | HMTK2245H30 | HMTK2242U30S | HMTK2242U30T | |
| 1/40 | HMTK2245H40 | HMTK2242U40S | HMTK2242U40T | |
| 1/50 | HMTK2245H50 | HMTK2242U50S | HMTK2242U50T | |
| 1/60 | HMTK2245H60 | HMTK2242U60S | HMTK2242U60T | |
| 1/80 | HMTK2255H80 | HMTK2250U80S | HMTK2250U80T | |
| 1/100 | HMTK2255H100 | HMTK2250U100S | HMTK2250U100T | |
| 1/120 | HMTK2255H120 | HMTK2250U120S | HMTK2250U120T | |
| 마운트 코드 | 감속비 | 중공 축형 | 페이스 마운트형 | |
|---|---|---|---|---|
| 1/5 | HMTK3755H5 | HMTK3750U5S | HMTK3750U5T | |
| 1/10 | HMTK3755H10 | HMTK3750U10S | HMTK3750U10T | |
| 1/15 | HMTK3755H15 | HMTK3750U15S | HMTK3750U15T | |
| 1/20 | HMTK3755H20 | HMTK3750U20S | HMTK3750U20T | |
| 1/25 | HMTK3755H25 | HMTK3750U25S | HMTK3750U25T | |
| 1/30 | HMTK3755H30 | HMTK3750U30S | HMTK3750U30T | |
| 1/40 | HMTK3755H40 | HMTK3750U40S | HMTK3750U40T | |
| 1/50 | HMTK3755H50 | HMTK3750U50S | HMTK3750U50T | |
| 1/60 | HMTK3755H60 | HMTK3750U60S | HMTK3750U60T | |
| 마운트 코드 | 감속비 | 중공 축형 | 페이스 마운트형 | |
|---|---|---|---|---|
| 1/5 | HMTK5555H5 | HMTK5550U5S | HMTK5550U5T | |
| 1/10 | HMTK5555H10 | HMTK5550U10S | HMTK5550U10T | |
| 1/15 | HMTK5555H15 | HMTK5550U15S | HMTK5550U15T | |
| 1/20 | HMTK5555H20 | HMTK5550U20S | HMTK5550U20T | |
| 1/25 | HMTK5555H25 | HMTK5550U25S | HMTK5550U25T | |
| 1/30 | HMTK5555H30 | HMTK5550U30S | HMTK5550U30T | |
| 1/40 | HMTK5555H40 | HMTK5550U40S | HMTK5550U40T | |
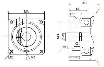
모터 마운트부 치수도
0.2kW~2kW
단위:mm
| 사이즈 | 마운트 코드 모터 메이커별 대응 일람표 |
모터 마운트부 치수 | |||||||
|---|---|---|---|---|---|---|---|---|---|
| AD | MA | MB | MC | MD | ML(min) | MS | MT | ||
| HMTK0220H HMTK0222U |
E4DC | 50 | □60 | Φ50G7 | M5 깊이 12(PCD70) | 5 | 30(25) | Φ8 | M4 |
| E4HC | Φ14 | ||||||||
| HMTK0230H HMTK0228U |
E4DC | 54 | □60 | Φ50G7 | M5 깊이 12(PCD70) | 5 | 30(25) | Φ8 | M4 |
| E4EC | Φ9 | ||||||||
| E4HC | Φ14 | ||||||||
| G2HC | □80 | Φ70G7 | M6 깊이 10(PCD90) | ||||||
| HMTK04 | E4HC | 54 | □60 | Φ50G7 | M5 깊이 12(PCD70) | 5 | 30(25) | Φ14 | M4 |
| G2HC | □80 | Φ70G7 | M6 깊이 10(PCD90) | ||||||
| HMTK07 | G5KC | 63 | □80 | Φ70G7 | M6 깊이 15(PCD90) | 5 | 40(30) | Φ16 | M5 |
| G5LC | Φ19 | ||||||||
| K2KC | □130 | Φ110G7 | M8 깊이 13(PCD145) | Φ16 | |||||
| K2LC | Φ19 | ||||||||
| K3YC | 81 | M8 깊이 16(PCD145) | 8 | 58(40) | Φ24 | ||||
| HMTK15 | K3LC | 77 | □130 | Φ110G7 | M8 깊이 16(PCD145) | 8 | 58(40) | Φ19 | M5 |
| K3MC | Φ22 | ||||||||
| K3YC | Φ24 | ||||||||
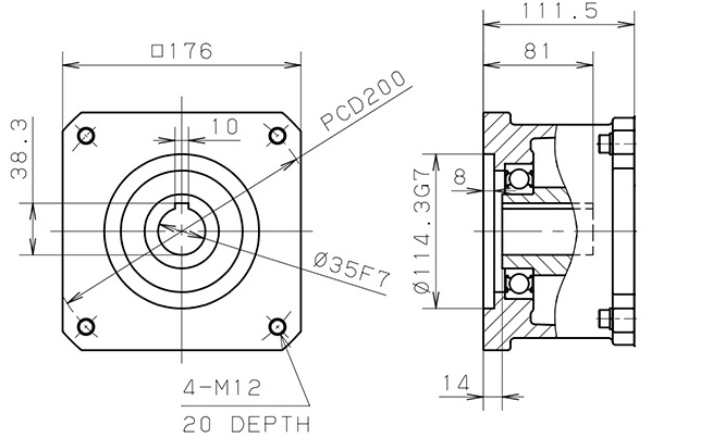
| HMTK22 | L1PC | 121 | □180 | Φ114.3G7 | M12 깊이 16(PCD200) | 8 | 80(55) | Φ28 | M6 |
| L1RC | Φ35 | ||||||||
3.5kW, 5kW
크기: HMTK3755H, HMTK3750U, HMTK5555H, HMTK5550U
마운트 코드: L1RJ
옵션
축단 커버
・중공축형으로, 설치와는 반대측의 중공축단에 설치하는 커버를 준비하고 있습니다. 어댑터 부착・양축형에도 대응하고 있습니다.
(재질:폴리프로필렌 수지제, 그린색)
・寸法(単位:mm)、PDF図面、標準価格・納期
| 형번 | 적용 용량, 속비 | PDF 도면 | 標準価格 | 배달 |
|---|---|---|---|---|
| HM70CAP | HMTK0220H5~60 | PDF 표준 사양, 키리스 사양 공용 | お問合せください | お問合せください |
| HM90CAP | HMTK0230H5~200 HMTK0430H5~35H200 HMTK0735H5~45H200 HMTK1545H5~80 HMTK2245H5~60 |
PDF 표준 사양용 | お問合せください | お問合せください |
| HM140CAP | HMTK1555H100~200 HMTK2255H80~120 HMTK3755H5~60 HMTK5555H5~40 |
PDF 표준 사양용 | お問合せください | お問合せください |
| HM90CAP-PL | HMTK0230H5~200 HMTK0430H5~35H200 HMTK0735H5~45H200 HMTK1545H5~80 HMTK2245H5~60 |
PDF 표준 사양, 키리스 사양 공용 | お問合せください | お問合せください |
토크 암
・중공 축형으로, 축상 설치로 하는 경우의 토크 암을 준비하고 있습니다. 어댑터 부착・양축형에도 대응하고 있습니다. (재질:SS400)

감속기의 설치 상태에 맞추어 어느 쪽에도 설치가 가능합니다.
・寸法(単位:mm)、PDF図面、標準価格・納期一覧
| 형번 | 적용 용량, 속비 | A | B | C | D | H | L | R1 | R2 | R3 | ΦZ1 | ΦZ2 | 추천 볼트 |
판 두께 t |
PDF 도면 | 標準価格 | 배달 |
|---|---|---|---|---|---|---|---|---|---|---|---|---|---|---|---|---|---|
| HM100TA | HMTK0220H5~60 | 100 | 62 | 38 | 70 | 82 | 126 | 9 | 11 | 37 | 9 | 11 | M10 | 4.5 | お問合せください | お問合せください | |
| HM150TA | HMTK0230H5~200 HMTK0430H5~50 |
150 | 103 | 47 | 88 | 129 | 157 | 11 | 15 | 47 | 11 | 13 | M12 | 6 | お問合せください | お問合せください | |
| HM200TA | HMTK0435H60~200 HMTK0735H5~50 |
200 | 142 | 58 | 106 | 171 | 188 | 12 | 17 | 47 | 13 | 17 | M16 | 6 | お問合せください | お問合せください | |
| HM250TA | HMTK0745H60~200 HMTK1545H5~80 HMTK2245H5~60 |
250 | 177 | 73 | 123 | 214 | 228 | 16 | 21 | ― | 17 | 21 | M20 | 9 | お問合せください | お問合せください | |
| HM350TA | HMTK1555H100~200 HMTK2255H80~120 HMTK3755H5~60 HMTK5555H5~40 |
350 | 245 | 105 | 182 | 293 | 331 | 22 | 26 | ― | 22 | 22 | M20 | 9 | お問合せください | お問合せください |

