피트보어 주문 생산품

- 축 구멍, 키 홈, 탭 구멍, 표면 처리의 가공 사양을 표준화.
고객의 추가공은 불필요, 바로 사용할 수 있다. - *스마트: 가공 사양을 기호화.
- * 부드럽게 : 주문시 고객이 가공용 도면을 작성할 필요가 없으며 도면 데이터도 입수 가능.
- * 스피디 : 수중에 도착하자마자 사용할 수 있습니다.

가공 사양
축 구멍 가공

| 축 구멍 공차 | 축 구멍 지름 | 모따기 양 |
|---|---|---|
|
|
|
- 가공 치수는 정수 1mm 단위(인치 치수는 대상외) 가공
- 쯔바키 표준 모따기는 모두 일률 0.5mm
키 홈 가공

| 키 홈 공차 | 키 홈 폭 |
|---|---|
|
|
- 치수는 JIS 준거
- 키홈 없음은 「W00」
탭 가공

| 탭 수 및 배치 | 탭 사이즈 |
|---|---|
|
|
- 탭 사이즈는 축 홀 직경 대응 사이즈
- 탭 없음은 「D0M00」
표면 처리
- 무기: 없음
- K:무전해 니켈 린 도금
- ※표면 처리 없음은 이후 공백
- [주] 추가 가공 부분은 도금되지 않습니다.
형번 표시 예
| PT30P5M15AF | -A | - | H | 020 | N | - | J | 06 | D3 | M06 | |
| | 풀리 본체 형번 |
| | | | | |
| | | |
| 축 구멍 직경 mm |
| | | | | |
| | | |
| 키 홈 폭 mm |
| | | |
| 탭 사이즈 |
|||
| 축 구멍 공차 |
키 홈 공차 |
탭 구멍 가공 사양 |
|||||||||
| 재질 -A: 알루미늄 합금 없음: 기계 구조용 탄소강 |
축 구멍부 모따기 | ||||||||||
주의사항
- *키 홈, 탭은 JIS에 준거한 사이즈입니다. 사용하시는 조건에서의 사용 여부는 고객님께서 확인해 주십시오. 또는 당사에 상담해 주십시오.
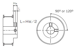
가공 사양 (탭 가공 위치)
AF형
BF형
- *AF형의 경우, 2개소째의 탭 가공 각도는 근사치가 됩니다. (풀리 이뿌리에 가공을 위해)
- *탭 가공 길이가 긴 경우는, 앉은 구멍을 가공하는 것이 있습니다.
- *탭 가공 사양에는 각 탭 구멍에 고정 나사를 붙이고 있습니다.
고정나사 사양
- 육각구멍부착, 쿠보미끝 타입・스틸제입니다.
- 본체가 도금 사양인 경우는 스테인리스제 고정나사를 설치합니다.
주문 생산품
| 종류 | 형번 | 사이즈 |
|---|---|---|
| PX 풀리 | PT□□P□M□□□□-□□□□□-□□□D□M□□(-K) | P3M, P5M, P8M, P14M |
