Q&A 톱체인

고객으로부터 전해진 「자주 있는 질문」을 Q&A 형식으로 게재하고 있습니다. 질문을 클릭하여 답변으로 이동하십시오.

Q&A내에서 구

톱체인 일반

Q1 톱체인의 분류는?
Q2 플라스틱 톱체인과 스테인리스 톱체인의 분류·특징은?
Q3 톱체인의 사양 (재질) 선택 방법은?
Q4 스테인리스 핀과 플라핀의 차이점은?
Q5 레일의 재질을 선택하는 방법은?
Q6 직선 레일의 설치 방법은?
Q7 초저 마찰 감소 / 마모 방지 (ALF) 사양의 채용예는?
Q8 톱체인 재질의 내식성은?

플라스틱 톱 체인, 플라스틱블록체인

Q9 플라스틱 톱 체인, 플라스틱블록체인의 컨베이어 디자인은?
Q10 톱체인, 플라스틱블록체인의 돌아가는 쪽의 레이아웃에 대해서
Q11 코너 디스크를 이용한 컨베이어 정보
Q12 플라스틱 크레센트 체인의 컨베이어 설계는?
Q13 플라스틱 톱 체인, 플라스틱블록체인 분해, 조립 방법은?
Q14 플라스틱 톱 체인, 플라스틱블록체인 플라스틱 핀의 사용에 대한주의는?
Q15 플라스틱 톱 체인, 플라스틱블록체인으로 정역 운전을 할 수 있습니까?
Q16 직선 반송 용 TTP와 TPF, TPS, TPH의 구분은?
Q17 곡선 반송용 TTUP과 TPU의 구분은?

플라스틱모듈러체인

Q18 플라스틱모듈러체인의 구분은?
Q19 플라스틱모듈러체인의 분해, 조립 방법은?
Q20 스프로킷의 설치 방법은?
Q21 플라스틱모듈러체인의 컨베이어 설계는?
Q22 플라스틱모듈러체인의 리턴 측 레이아웃에 대해
Q23 플라스틱모듈러체인으로 정역 운전이 가능합니까?
Q24 환승부의 작은 컨베이어를 제작하고 싶다.
Q25 직교 컨베이어로 반송물의 잔류를 없애고 싶다.
Q26 【플라스틱모듈러체인】떠오름 방지 어태치먼트 (탭) 있어 체인에 사용 가능한 스프로킷은?
답변에
Q1 톱체인의 분류는?
A1

톱체인은 플라스틱 플라스틱 톱체인과 스테인레스 스틸 스테인레스 스틸 톱체인, 톱체인 액세서리의 3 가지 분류 제품으로 구성됩니다. 플라스틱 톱체인, 스테인리스 톱체인의 차이에 대해서는 아래와 같이 「특징 조견표」, 「플라스틱 톱체인과 스테인리스 톱체인의 개요 비교」를 참조해 주세요.

【톱체인 액세서리】

용도별로 다양한 형상・재질로부터 최적의 조합이 가능하고, 컨베이어의 주변장치에 편리한 아이템입니다.

  • 플라스틱 레일
  • 세트 컬러
  • 체인 가이드 부품
  • 프레임 지원 부품
  • 제품 가이드 부품
  • 베어링 유닛
  • 톱체인 용 분해·연결 공구

등 컨베이어 주변 부품을 다수 라인업하고 있습니다.

【특징 조견표】

특징 톱체인 스테인레스 톱체인
1 플라스틱 독특한 부드러움으로 반송물의 흠집을 경감 큰 허용 장력
주)1
2 가볍고 간단한 구조로 유지 보수가 쉽습니다. -20℃~400℃의 폭넓은 온도에서 사용 가능
주)2
3 접동 특성이 뛰어난 재질의 채용에 의해, 장수명이 기대 표준 내식 체인으로 사용
주)3
4 스테인리스제 체인의 컨베이어에 비해 5~7dB 저소음 ---
5 녹의 발생이 없어 위생적이며, 식품의 직승 반송이 가능 ---
  • 주) 1. 당사 TT/TP형≒2배의 허용 장력 있습니다.
  • 주) 2. SUS304제의 경우.
  • 주) 3. 전부품 SUS304제의 경우.

【플라스틱 톱체인과 스테인리스 톱체인의 개요 비교】

품목 톱체인 스테인레스 톱체인
소음 -5~7dB 0으로
가벼움 1/3 1로
마찰 계수 1/1.5~1/2.5 1로
사용온도 -20°C~80°C(일부 제외) -20°C~400°C
허용 장력 1/2 1로
질문으로 돌아가기
Q2 플라스틱 톱체인과 스테인리스 톱체인의 종류・특징・용도는?
A2

【플라스틱모듈러체인】

체인 구조를 갖춘 플라스틱 모듈 링크를 벽돌 모양으로 조합함으로써 벨트 모양의 넓은 반송면과 체인과 스프로킷의 맞물림에 의한 확실한 구동을 실현합니다.

용도나 반송물의 형상에 맞추어 「폐쇄 타입」, 「오픈 타입」, 「넷 타입」등에서 선택할 수 있습니다. 그 외, 경사 반송에 적합한 「마그넷 타입」, 「러버 타입」, 「플라이트 타입」도 라인 업하고 있습니다.

반송면은 50mm에서 대응 가능하며, 플라스틱 톱 체인 이나 플라스틱블록체인 보다 넓은면에서 반송합니다.

[주요 용도]

폭이 넓은 상품이나 많은 상품을 한 번에 반송, 중량물의 반송에 최적

(용도 예)
  • 대량의 용기
  • 포장 상자나 시트 등 폭넓은 물건
  • 타이어 등의 중량물 반송

【플라스틱 톱 체인】

톱 플레이트와 체인 부분을 플라스틱으로 일체 성형하고, 피팅 핀으로 연결하고 있습니다.

톱 플레이트만 플라스틱으로 체인 부분은 스틸로 구성된 형식도 라인업하고 있습니다. 그 외에도 플레이트에 자유롭게 회전하는 롤러를 설치한 형식이 있어, 어큐뮬레이트시의 라인 프레셔를 경감합니다.

톱 플레이트 폭은 42.0~304.8mm에서 반송물에 맞게 선택할 수 있습니다.

[주요 용도]

플레이트에 하나씩 적재하고 반송하는 용도에 최적

(용도 예)
  • 용기 반송
  • 포장 상자 반송

【플라스틱블록체인】

블록 형상의 링크를 피팅 핀으로 연결한 심플한 구조입니다.

플라스틱 톱 체인 보다 작은 체인 피치(9.525~25.4mm)를 채용하고 있으므로, 스프로킷의 외경을 작게 할 수 있습니다.

승계부(데드 스페이스)를 작게 할 수 있기 때문에, 승차가 원활하게 됩니다. 링크 폭은 13~63mm로 작기 때문에 작은 공간에 설치할 수 있습니다.

[주요 용도]

  • 단열 사용: 안약 등 소품의 반송에 최적
  • 2조사용:팔레트나 포장 상자 등 반송에 최적
(용도 예)
  • 소품 반송
  • 팔레트 반송
  • 포장 상자 반송

【스테인리스 톱체인】

내식성이 뛰어난 스테인리스를 주요 부품으로 사용한 톱체인 입니다. 톱 플레이트를 체인과 일체로 만든 형식과 양자를 접합한 형식이 있습니다.

일반적으로 플라스틱 톱 체인 보다 최대 허용 장력 커지고 있습니다.

[주요 용도]

  • 플라스틱으로는 대응할 수 없는 중량물의 반송이나 기장의 긴 용도
  • 노내 등 온도가 걸리는 분위기 (SUS304제의 경우: -20°C~400°C)
  • 약품 등이 걸리는 분위기(전부품 SUS304제의 경우)
(용도 예)
  • 중량물 반송
질문으로 돌아가기
Q3 톱체인의 사양 (재질) 선택 방법은?
A3

아래 링크에서 사양 선택 방법과 사양별 적용 표를 확인하십시오.

질문으로 돌아가기
Q4 스테인리스 핀과 플라핀의 차이점은?
A4

프라핀 사양은 경량으로 매우 취급하기 쉽고, 플라스틱모듈러체인 이나 플라스틱 톱 체인 에서는 프라핀 사양이 주류입니다. 또, 물만이 걸리는(전 공정으로부터 반송물에 부착해 온다) 경우에는, 스테인리스 핀 사양에서는 물의 영향으로 단기간에 수명이 되는 경우가 있어, 프라핀 사양을 추천합니다.

스테인리스 핀 사양은 플라스틱블록체인 에서는 주류가 되고 있으며, 상품에 따라서는 허용 장력이 플라스틱 핀 사양보다 큰 경우가 있습니다. 또한 충격이 걸리는 경우에는 스테인리스 핀 사양이 좋습니다.


프라핀 사양

스테인리스 핀과 거의 같은 허용 장력 (80~100%)
굵은 프라핀이나 힌지부의 구조에 궁리를 더하고 있습니다.

장수명 : 쯔바키 독자적인 재질의 조합에 의해, 드라이·비누수·물등의 각종 조건하에 있어서 뛰어난 핀~부쉬간의 내마모성을 발휘합니다. 특히 물 윤활으로 효과를 발휘합니다.

경량: 스테인리스 핀의 톱체인 비 75~85%. 취급 용이, 소요 동력이나 소음의 감소에 효과가 있습니다.

폐기가 간단: 체인 전체가 엔지니어링 플라스틱 이므로, 그대로 폐기를 할 수 있습니다.

식품 위생법에 적합 : 링크 핀 모두 식품 위생법에 적합한 재료를 사용하고 있습니다.

주) 1. 카탈로그 기술 노트, 톱체인 취급, 플라핀 타입의 사용상의 유의점과 분해·연결을 참조해 주십시오.
2.플라핀 사양은 젖은 경우 사용 온도가 60℃까지 허용합니다.

질문으로 돌아가기
Q5 레일의 재질을 선택하는 방법은?
A5

플라스틱 체인을 설계하는 경우 체인의 받침대로 레일을 일반적으로 설치합니다. 이 레일 재질은 용도・목적에 따라 선택해 주십니다.

범용 용도

초고분자량 폴리에틸렌제 레일(플라스틱 레일, P레일)이 많이 사용됩니다. 윤활이 있는 조건에 권장합니다.
※윤활이 없는 경우, 마모분의 발생이 많아지므로 주의해 주십시오.

마모분의 발생을 억제하고 싶은 경우

PLF 레일 또는 M 레일을 권장합니다. 또 스테인리스제(미가키 사양)나 금속 레일(경질 Cr 도금+버프 마무리)에서도 마모분의 발생을 억제합니다.

※M레일은 드라이 조건 전용입니다. 윤활이나 물이 걸리는 경우에는 사용하지 마십시오.

※스테인리스 등 금속 레일에서는 발생하는 마모 분말은 금속 분말을 포함한 흑색의 것이 됩니다.

고온 분위기에서 사용하는 경우

금속 레일을 권장합니다. 미가키 사양 또는 경질 Cr 도금 + 버프 마무리를 사용하십시오.


고온에서 사용하는 경우

레일 재질은 스테인리스제(냉간 압연재)를 추천합니다.

레일의 고정은 열팽창을 고려하여 한쪽 끝만 고정하십시오. 또한 레일 사이의 스키마도 열팽창을 고려하십시오.

(참고: SUS304의 선팽창계수…1.8×10-5 mm/mm/℃)
(예) 스테인리스 레일의 고정과 레일 사이의 스키마

스프로킷은 대기 온도가 150℃ 미만인 경우 스틸로 만들어진 표준 스프로킷을 사용할 수 있습니다.
150°C 이상인 경우 특수 스프로킷을 사용합니다. 당사에 상담해 주십시오.

체인을 다열로 사용하는 경우는 체인과 체인의 스키마는 하기 치수로 해 주십시오.

체인의 열팽창을 흡수하기 위해 테이크업이 필요합니다. 테이크업 조정은 반드시 사용온도로 올린 후 실시해 주십시오. 온도를 낮출 때는 반드시 테이크업을 풀고 나서 실시해 주십시오.

검은 마모 분말이 발생합니다. 정기적으로 청소하십시오.

기동시에는 (인버터 제어 등으로) 슬로우 스타트로 기동해 주십시오. 또한 정지시에는 슬로우 정지해 주십시오.


<레일 재질의 선정표>
톱체인 종류 레일 재질 윤활(무) 윤활(유)
마모성 개재물
없음 없음
스테인레스 톱체인
・ 직선 반송 용
・곡선 반송용
스테인리스 D D B B
강철 D C B A
플라스틱 레일
(P 레일)
PLF 레일
A × A ×
M레일
SJ-CNO
A × × ×
플라스틱 톱 체인
플라스틱블록체인
플라스틱모듈러체인
(고정폭)
・ 직선 반송 용
・곡선 반송용
스테인리스 B D A A
강철 A C D D
P레일 D × A ×
PLF 레일 B × A ×
M레일
SJ-CNO
A × × ×
플라스틱모듈러체인 (폭넓은)
・ 직선 반송 용
・곡선 반송용
스테인리스 B D A A
강철 A C B B
플라스틱 레일 D × A ×
PLF 레일 B × A ×
M레일
SJ-CNO
A × × ×
  • A: 특히 추천
  • B: 추천
  • C: "가능" 중 권장
  • D: "가능"
  • ×:부적당

주)

  1. 스테인레스 톱체인의 람다 사양은 윤활없이 사용하십시오.
  2. 내열·고속(KV) 사양의 경우는 상온에서는 스테인리스 또는 스틸 레일로 하고, 고온(50°C를 넘는)에서는 스테인리스제로 하십시오.
  3. 추천 금속 레일 = 냉간 압연재
  4. 스틸 레일은 오일 윤활의 경우를 나타냅니다.
  재질・색 특징
플라스틱 레일
(P 레일)
  • 초고 분자량 폴리에틸렌
    (외관색 : 흰색 또는 녹색)
  • 가장 흔한 레일
  • 가공 또는 압출 성형품
  • 플라스틱 톱체인의 경우, 습식 조건에서의 사용 권장
  • 흡수성이 적고, 내약품성, 내충격성도 뛰어납니다.
PLF 레일
  • 마찰 감소 / 마모 방지 내마모성
    초고 분자량 폴리에틸렌
    (외관색 : 흰색)
  • P레일보다 낮은 마찰로 내마모성이 있는 레일
  • 가공 또는 압출 성형품
M레일
SJ-CNO
  • 특수 폴리아미드
    (M레일 : 외관색 : 청색)
    (SJ-CNO : 외관색 : 보라색)
  • 드라이 조건 전용 레일
  • 내마모성 유지
  • 가공 가공품

주) 사용온도범위

  • 플라스틱 레일 (P 레일) · PLF 레일 : -20~60°C
  • M레일 ·SJ-CNO:-20~80°C
질문으로 돌아가기
Q6 직선 레일의 설치 방법은?
A6

직선 레일에 플라스틱 레일(플라스틱 레일, PLF 레일, M 레일)을 사용할 때는 열 팽창을 고려하기 위해 레일 사이에 간격을 설치 하세요. 또한, 레일 한쪽 끝에 나사로 고정하세요.


요철형(PR, PH), 플랫 레일

  • 열에 의한 팽창을 고려해 프레임에의 고정은 단부 1개소 나사 고정으로서, 접합부는 스키마를 열어 주세요.

요철형 레일의 스키마…3~5mm

※선팽창계수

플라스틱 레일 (P레일)・(PLF레일) 20×10-5 mm/mm/℃")%>

M레일 9×10-5 mm/mm/℃

주)

  1. 플라스틱 레일의 사용 온도 범위
    • 플라스틱 레일 (P레일)・PLF레일:-20~60℃
    • M레일:-20~80℃
  2. 증기가 걸리는 분위기에서는 플라스틱 레일을 사용하지 마십시오.

긴 직선 타입(Z형, T형, L형, 플랫형 등의 압출 레일)… 컨베이어 기장 긴 경우

  • 만약 긴 직선 타입의 레일을 1m 단위로 설치하는 경우, 레일 사이의 스키마는 체인의 낙하 방지를 위해 아래 그림과 같이 가공해 주십시오.


긴 직선 타입의 스키마 ... 1m 당 10mm 정도


긴 직선 타입(Z형, T형, L형, 플랫형 등의 압출 레일)… 컨베이어 기장 짧은 경우

  • 주행 레일의 양단을 접시 작은 나사로 몇 군데 고정하면 프레임(금속제)과의 열팽창 계수의 차이에 의해 주행 레일이 파동 상태가 되므로 접시 작은 나사는 한 곳에서 멈추십시오.


질문으로 돌아가기
Q7 초저 마찰 감소 / 마모 방지 (ALF) 사양의 채용예는?
A7

실적은 다수 있습니다만, 대표적인 채용 예를 소개합니다.

용도 조건 대책 (형번)

우유 팩 반송 라인

(케이서 전)

※500ml・1리터 팩

  • 최종 공정(케이서)까지의 거리가 짧고, 라인 전체에 어큐뮬레이트 있어.
  • 완전 노스라이더 (종이팩 보호를 위해 수분은 금물)

종래의 각사 저마찰 사양 프라체인에서는 반송물의 흔들림 부착·전도가 발생하고 있었지만, TTUP826-ALF로 대책

※500ml・1리터의 종이 팩 라인은 TTUP형이 사용되고 있습니다.

캔 맥주 반송 라인

(골판지 케이서 입구)

1500cpm 라인 (1분에 캔맥주 1500개를 생산하는 라인)

  • 간헐적인 누산 속도 (케이서 앞에서 건식 이송을위한 완전 건식 조건).

RSP60의 표준 사양 (흰색)을 RSP60-ALF로 대체하여 라인 압력을 줄입니다.

500ml 페트병 반송 라인

(수축 기계 앞의 컨베이어)

페트병의 라인은 한때는 1.5리터·2.0리터가 주류였지만, 지금은 500ml 등 소용량이 많아지고 있습니다.

(캔들이에서 애완 동물로의 전환에 의한)

따라서 필연적으로 라인은 스피드 업하지 않으면 생산량을 유지할 수 없습니다.

(단순히 생각해도, 500ml는 2.0리터의 4배의 속도가 필요)

TPH830P-ALF·TTUP826-ALF에 의해 슬라이더 경감으로 고속 대응을 실현 (MAX120m/분)

1.5리터・2.0리터의 병은 라인 프레셔 경감을 위해, 프리 플로우 타입의 체인이 사용되고 있었습니다.

그러나, 500ml의 병은 프리 플로우의 아이템에서는 전도해 버립니다.

2리터 페트병 반송 라인

(분할 부분)

  • 2리터 장각 페트병의 3열 구분 (라인 후반부의 구분)

각사의 저마찰 사양 프라체인으로, 구분할 때에 병의 위치 어긋남・가타 부착이 발생하고 있었지만, TPH830P・TTP826P 타입 ALF 사양으로 대책

컵 용기 이송 라인

(어큐뮬레이트 컨베이어)

  • 전면 어큐뮬레이트
  • 완전 노스 라이더

해외제 수지 벨트 사용부에 쯔바키 벨톱 BTC6-3048-ALF를 사용.

용기의 흔들림 부착을 초저 마찰에 의한 미끄럼성으로 대책

질문으로 돌아가기
Q8 톱체인 재질의 내식성은?
A8

체인을 선정할 때는 아래 표에서 그 재질이 충분한지 확인하십시오. 또한이 내식성은 톱체인과 함께 사용하는 레일 재질을 확인하는 데에도 사용할 수 있습니다.

덧붙여 이 표는 20℃ 분위기에 있어서의 결과이며 보증의 정도를 나타낸 것은 아닙니다. 실제 사용에 있어서는 온도·사용 조건 등을 종합적으로 검토해 주십시오. 아래 표는 톱 플레이트나 체인의 구성 부품의 재질(사양)을 개별적으로 기재하고 있으므로 조합하여 체크해 주십시오.

농도 표기가 없는 시약은 포화 상태 또는 100% 용액입니다. 용액을 혼합하여 사용하는 경우는 조건이 바뀌므로 주의해 주십시오.

[각종 액체에 대한 내식성]

재질 주)2 액체 이름
아세톤 기름(식물·광물) 알코올(에틸) 암모니아수(28%) 위스키 염화나트륨 염산(2%) 해수 과산화수소(3%) 수산화나트륨(가성소다)(25%) 가솔린 포름산(50%) 포름산 알데히드 우유·버터 구연산 크롬산(5%) 아세트산(10%) 사염화탄소 차아염소산 소다(나트륨)(5%) 질산(5%) 식초(식초) 수산화칼륨 음료수·커피 비누 물 젖산 파라핀 맥주 과일 주스 벤젠 야채 주스 요오드 황산(5%) 인산(10%) 와인 크실렌 오존 과아세트산
강철 × × × × × × × × × × × × × × × × × × × × ×
스테인리스 18-8 × × × ×
18Cr × × × × × ×
마르텐사이트계 × × × × × × × × × ×
AS사양 × × - × × - × - -
프라핀
(특수 엔지니어링 플라스틱)
× × × - × × × × - × - ×
폴리 프로필렌 (HTW 포함) × - - - ×
표준 사양
(고무 타입 포함) 주) 3
× × × × × × × × × × × ×
LF 사양 폴리아세탈
(고무 타입 포함) 주) 4
× × × × × × × × × × × × × ×
내열·고속 사양
(KV180) 주) 5
× - - × × × -
내열·고속 사양
(KV250) 주) 5
× - × × × ×
폴리아미드·강화 폴리아미드
(슬릿 핀 포함)
× × × × × × × × × × × × - × ×
내약품 사양(Y)
(DIY 포함) 주) 6
× × × × ×
슈퍼 내화학성 (SY) ×
초고 분자량 폴리에틸렌
(LTW · UPE 포함)
×
내열·내방사선성·내진공 사양
(PK150)
-
폴리 카보네이트 주) 9 · 10 × × × - × - × - × × × × - × × × × × × × × × - × - × × - × - -

주)

  1. 「○」:내식성 충분히 유, 「△」:사용 조건에 의해 내식성 유, 「×」:내식성 없음, 「-」: 불명.
  2. 체인의 본체 재질과 핀 재질의 2점을 확인해 주십시오.
  3. 대상:표준 사양, 마찰 감소 / 마모 방지 (CB) 사양, 초저 마찰 감소 / 마모 방지 (ALF) 사양, 저마찰(WR) 사양, 도전(E) 사양, 내자외선(UVR) 사양, 식품 반송(PFS) 사양.
  4. 대상:마찰 감소 / 마모 방지 (LFW・LFG・LFB) 사양, 저마찰(NLF) 사양, 마찰 감소 / 마모 방지 (HG) 사양, 항균・방곰팡이(MWS) 사양.
  5. 대상:내열·고속(KV) 사양은 스테인리스 핀 타입의 내식성도 고려하고 있습니다.
  6. 내약품(Y) 사양은 스테인리스 핀 타입의 내식성도 고려하고 있습니다.
  7. 내열·고속(KV150) 사양, 고속(HS) 사양, 내충격(DIA) 사양, 금속 검지(MPD) 사양, 중마찰(MF) 사양은 세제나 약품 등 액체가 걸리는 조건에서는 사용하지 마십시오. 요청이나 불명한 점이 있으면 당사에 문의해 주십시오.
  8. 금속 검지(MPW) 사양의 내식성에 대해서는 당사에 문의해 주십시오.
  9. 체인은 물 이외로 세척하지 마십시오.
  10. 체인을 세제, 유기 용제, 산, 알칼리 등의 약품으로 세정하지 마십시오. 또한 해당 약품을 만지는 곳에서는 사용하지 마십시오.
    화학 균열이 발생하여 체인이 절단될 수 있습니다.
질문으로 돌아가기
Q9 플라스틱 톱 체인, 플라스틱블록체인의 컨베이어 디자인은?
A9

플라스틱 체인의 경우, 일반적으로 반송측은 레일로 체인을 받고, 돌아오는 쪽에 대해서는, 체인에 처짐을 마련해 주세요. 특히 구동 스프로킷 아래의 처짐이 중요합니다. 스팬 500~900mm・처짐량 50~100mm(운전중)는 유지하도록 해 주십시오. 이 처짐이 범위를 벗어나면 체인이 날아갈 수 있습니다.


가이드 레일의 배치는 설치 공간 등에 따라 다르지만 예를 아래 그림에 나타냅니다. 귀가 측의 레이아웃은 Q.8을 참조하십시오.

체인의 처짐량

리턴측 체인을 받는 리턴 롤러의 간격은 500~900 간격으로, 리턴 롤러 사이의 체인의 처짐량은 50~100mm로 해 주십시오. 이 처짐에 의해 치아 비행을 방지하고 있습니다. 이 간격, 처짐량의 범위 이외에서는 치우치는 경우가 있습니다.

맞물림 각도

구동 스프로킷과 체인의 "물림 각도"는 150° 이상이어야 합니다.

레일 끝

구동 및 종동측의 레일 단부로부터 각 샤프트 센터까지 체인 1피치분의 거리를 마련해 주십시오. 또한, 종동측 레일 단부는 체인과 레일의 걸림을 방지하기 위해 R 굽힘, 혹은 모따기를 실시해 주십시오.

반송측 주행 레일의 높이

카탈로그 기술 노트, 컨베이어 설계, 구동·종동측 레일 설치를 참조하십시오.

질문으로 돌아가기
Q10 톱체인, 플라스틱블록체인의 돌아가는 쪽의 레이아웃에 대해서
A10

가장 일반적인 레이아웃으로 리턴 롤러에서 받는 방식을 권장합니다. 리턴 롤러의 수용 방식에서는 적당한 체인의 처짐을 설치 가능하고 체인 신장을 흡수할 수 있기 때문에 권장합니다. 또, 떠오름 방지 어태치먼트 부착 체인을 사용하는 경우는 어태치먼트 슬라이딩에 의한 방식도 적용 가능합니다. 단, 체인의 신장을 흡수하는 기구(텐셔너 등)의 설치를 검토해 주십시오.
그 외에는 레일로 받는 방식, 슬라이딩 슈로 받는 방식, 가이드 레일 에서만 사용하는 방식, 돌아오는 쪽은 지지하지 않는 방식 등이 있습니다. 또한, 귀환측을 지지하지 않는 방식에서는, 귀환측의 진동이 반송면측까지 영향을 주어, 반송이 불활성이 되는 경우가 있으므로 주의해 주십시오.


돌아오는 쪽의 레이아웃은, 체인의 종류·반송물의 종류·형식·경로 등에 따라서 다릅니다만, 일반적인 레이아웃을 이하에 나타냅니다.


[클릭으로 확대]

리턴 롤러로 받는 방식

가장 일반적이며 권장되는 레이아웃입니다.

  • 체인의 스프로킷에 대한 권취 각도를 150° 이상으로 하십시오.
  • 리턴 롤러의 회전성에 주의하십시오. 리턴 롤러가 회전하기 어려운 경우, 국부적인 슬라이딩이 일어나 마모분의 발생이나 톱 플레이트의 편마모를 일으킬 가능성이 있습니다.
    리턴 롤러에는 고회전성 리턴 롤러나 베어링 부착 리턴 롤러를 권장합니다.
  • 체인 속도가 50m/min 이상인 경우는 C치수는 300mm 이하로 해 주십시오.

A:50~100mm(운전중)
B:500~900mm
C:400~600mm
D:스프로킷 외경/2 이하
※체인 형식이나 반송 조건에 따라 다를 수 있습니다. 기준이라고 생각하십시오.


※자세한 것은 카탈로그 기술 노트를 참조해 주십시오.


[클릭으로 확대]

어태치먼트 슬라이딩에 의한 방식

부상 방지 어태치먼트를 받는 것으로 톱 플레이트 상면의 슬라이딩을 없애줍니다. 특히 톱 플레이트 상면에 상처를 입히고 싶지 않은 반송 조건에 적합합니다.

  • 체인의 스프로킷에 대한 권취 각도를 150° 이상으로 하십시오.

A:50~100mm(운전중)
B:500~900mm
※체인 형식이나 반송 조건에 따라 다를 수 있습니다. 기준이라고 생각하십시오.


※자세한 것은 카탈로그 기술 노트를 참조해 주십시오.


[클릭으로 확대]

레일로 받는 방식

상단 플레이트의 국부만을 받으면 편마모될 수 있습니다. 레일은 톱 플레이트 전면에 부딪히도록 8자형 혹은 물결 모양 등에 설치하여 이물질 등이 쉽게 떨어지는 구조로 해 주십시오.

  • 체인의 스프로킷에 대한 권취 각도를 150° 이상으로 하십시오.

A:50~100mm(운전중)
B:500~900mm
※체인 형식이나 반송 조건에 따라 다를 수 있습니다. 기준이라고 생각하십시오.


※자세한 것은 카탈로그 기술 노트를 참조해 주십시오.


[클릭으로 확대]

슬라이딩 슈로 받는 방식

비교적 저속(50m/min 이하)의 반송 조건에 적합합니다.
일반적으로 어큐뮬레이션 체인(TTPDH-LBP) 및 롤러 테이블(ST, RT)에 적합합니다.

  • 체인의 스프로킷에 대한 권취 각도를 150° 이상으로 하십시오.

A:50~100mm(운전중)
B:500~900mm
C:400~600mm
※체인 형식이나 반송 조건에 따라 다를 수 있습니다. 기준이라고 생각하십시오.


※자세한 것은 카탈로그 기술 노트를 참조해 주십시오.


[클릭으로 확대]

가이드 레일만 사용하는 방식

합리적인 레이아웃이지만, 슬라이딩에 의해 톱 플레이트 상면에 흠집이 생기는 단점도 있습니다. 백벤드 반경이 비교적 큰 체인에 적합합니다.

  • 체인의 스프로킷에 대한 권취 각도를 150° 이상으로 하십시오.
  • 가이드 레일의 양쪽 끝에 있는 굽힘 R은 체인의 백벤드 반경 이상이어야 합니다.
  • ※자세한 것은 카탈로그 기술 노트를 참조해 주십시오.

A:50~100mm(운전중)
B:500~900mm
※체인 형식이나 반송 조건에 따라 다를 수 있습니다. 기준이라고 생각하십시오.


[클릭으로 확대]

돌아오는 쪽은 지지하지 않는 방식

돌아오는 쪽 체인의 질량에 의한 장력이 진동의 원인이 되어 반송이 불활성이 되는 경우가 있습니다. 컨베이어의 기장 짧은 경우(1.5m 이하)로 부득이하게 이 방식으로 하는 경우는, 종동측에서 테이크업 기구를 마련하거나, 체인이 늘어난 경우에 절단 연결를 실시해, 체인의 스프로킷 에의 권부 각도=150°이상을 확보해 주십시오.

  • 체인의 처짐량 A는 컨베이어 기장 B의 약 10%를 기준으로 해 주십시오.
질문으로 돌아가기
Q11 코너 디스크를 이용한 컨베이어 정보
A11

가로 굽힘 반경이 작은 체인(최소 가로 굽힘 반경(R190 이하)에서는, 횡 굽힘 반경을 작은 컨베이어를 제작하는 경우는, 코너 디스크를 설치해 주세요.횡 굴곡 반경의 중심에 축을 설치해, 반송면측용, 돌아가는측용 코너 디스크를 설치해 주세요.


TPUSR형 체인의 코너 디스크를 이용한 곡선부

(기호 설명)

  • R: 체인의 횡방향 반경(mm)
  • R1: 코너 디스크 외주 반경(mm)
  • R2: 체인 외부 레일의 내주 반경(mm)
  • R3: 외측 레일 고정용 컨베이어 프레임의 내주 치수(mm)

리턴측 직선부를, 리턴 롤러로 받는 컨베이어의 경우는, 아래 그림과 같이 코너부의 입구와 출구에 안내를 위해 리턴 롤러를 반드시 설치해 주십시오.

주) 드라이 분위기에서의 사용을 추천합니다.

질문으로 돌아가기
Q12 플라스틱 크레센트 체인의 컨베이어 설계는?
A12

플라스틱 크레센트 체인는 수평 이송 가능한 체인입니다. TORP(롤러 부착) 타입의 경우, 코너부에서는 스프로킷 또는 레일로 가이드해 주십시오. TOSP(롤러 없음) 타입의 경우, 코너부에는 스프로킷을 사용하십시오. 또 수평 컨베이어의 경우, 체인의 마모 신장, 온도 변화에 의한 신장을 흡수하는 테이크업 기구가 반드시 필요합니다. 설치하지 않는 경우, 치아 날아 등 반송에 지장이 생기는 경우가 있습니다.


가이드 레일 배치

배치 공간 등에 따라 다르지만 아래 예를 참고하십시오.


레일의 설치 예 ①…TOSP1143+코너부 스프로킷 사용의 경우


[클릭으로 확대]

레일의 설치예②…TORP1143+코너부 스프로킷 사용의 경우


[클릭으로 확대]

레일의 설치 예 ③…TORP1143+코너부 커브 레일 사용의 경우


[클릭으로 확대]


컨베이어 레이아웃 참고

컨베이어의 마모 신장이나 온도 변화 등에 의한 신장을 흡수할 수 있도록 테이크업 기구를 반드시 설치해 주십시오. 아래 예를 참고하십시오.

질문으로 돌아가기
Q13 플라스틱 톱 체인, 플라스틱블록체인 분해, 조립 방법은?
A13

유형에 따라 피팅 핀이 다릅니다. 피팅 핀의 형상에 따라 펀치 및 해머 등으로 분해, 절접을 실시해 주십시오. 플라스틱 크레센트 체인만 독자적인 구조로 되어 있습니다. 아래를 참조하십시오.


피팅 핀이 D핀 타입(TPUN555 제외)

체인의 어느 부분에서나 분해할 수 있습니다. 또한 핀은 좌우 어느 쪽에서도 탈착할 수 있습니다.

피팅 핀이 널링 핀 타입

분해시에는 널링 가공하지 않은 쪽 끝에 펀치를 맞추어 뽑아 주십시오. 다시 연결하는 경우는 널링 가공하고 있는 측의 단부에 펀치를 맞추어 연결해 주십시오.
(TTPDH, TTPDH-LBP만 널링측은 재연결해도 동일 방향이 됩니다.)

TN、TNU、TRU、TP-1873G、TP-1873T、TP-1843G

조인트부의 핀과 외부 플레이트의 한쪽은 루즈핏이 되어 있습니다. 조인트부 이외의 곳에서 분해하는 경우는 체인 바이스 등을 이용하여 한 쌍의 핀을 평행하게 빼십시오. 덧붙여 조인트부 이외에서 분해한 링크는 재사용할 수 없습니다.

피팅 핀이 D핀 타입(TPUN555 제외)

핀 삽입 방향은 한 방향입니다.
삽입 방향과 반대측의 핀 단면에 펀치를 맞추고 빼십시오.

플라스틱 크레센트 체인

1. 피팅 핀에서 스냅 핀을 뽑고 오프셋 링크를 제거합니다.

2. 오프셋 링크를 90도 회전시킵니다.

3. 피팅 핀을 본체 링크 당 전의 링크에서 빼내십시오.

주의: 분해 시 피팅 핀을 본체 링크에서 빼지 마십시오.

질문으로 돌아가기
Q14 플라스틱 톱 체인, 플라스틱블록체인 플라스틱 핀의 사용에 대한주의는?
A14

한번 뽑은 핀을 재사용하면 끼워맞춤력이 저하되어 핀 빠짐 트러블의 원인이 되므로 사용하지 마십시오. 또한, 절접용 핀은 본체 핀(백색)으로 식별하기 위해 오렌지색으로 되어 있습니다. 체인 1개당, 절접 핀 1개를 동봉하고 있으므로, 절접시에 이용해 주십시오.
또한 습식 조건에서는 60℃를 초과하는 온도에서 사용하지 마십시오. 핀이 파손될 우려가 있습니다.

질문으로 돌아가기
Q15 플라스틱 톱 체인, 플라스틱블록체인으로 정역 운전을 할 수 있습니까?
A15

플라스틱 톱 체인 및 플라스틱블록체인은 진행 방향이 정해져 있기 때문에 정역 운전은 권장되지 않습니다. 정역 운전을 요망되는 경우는 플라스틱모듈러체인에서 검토해 주십시오.

질문으로 돌아가기
Q16 직선 반송 용 TTP와 TPF, TPS, TPH의 구분은?
A16

직선 반송 용 TTP와 TPF, TPS, TPH의 구분은 아래 표를 참조하십시오.

모델 TTP형 TPF형 TPS형 TPH형

외관

TTP TPF TPS TPH

특징

  • 세계 표준 형상
  • TTP형보다 높은 허용 장력
  • TTP형보다 높은 허용 장력
  • TTUP형, TPU형과 동일한 스프로킷 사용 가능
  • TPS형 컨베이어에서 그대로 교체 가능
  • 전후의 링크의 스키마를 작게하기 위해, 빗 치형 플레이트를 채용
  • 플레이트에 다수의 구멍을 배치

용도 예

  • 캔, 페트병 등 다양한 용도로 사용 가능
  • 보다 작용 장력 부하가 걸리는 조건
  • 기장 때, 고속 반송시 등, 보다 작용 장력 부하가 걸리는 조건
  • 페트병이나 디저트컵 등의 불안정 용기 반송
  • 플레이트 상단에 남아있는 여분의 윤활제 및 물 제거에 효과적

비고

  • TTP형 스프로킷은 스테인레스 톱체인 TT형으로 사용 가능 (TT형 스프로킷은 TTP형으로 사용할 수 없습니다.
  • 스테인리스 톱체인 TT형, TTU형과 동일한 두께(3.2mm)로 「TT형으로부터의 치환」 「TT형・TTU형과의 공용」이 가능
  • 일체형 힌지 구조로 베어링 면적이 향상되어 높은 허용 장력을 실현.
  • TTUP형, TPU형과 기본 3치수가 같기 때문에 동일한 스프로킷 사용 가능.
    상기의 특징에 의해, 대형 세트 메이커님이나 음료 공장양에서 채용해 주시고 있습니다.
  • TPS형과 기본 3치수가 같기 때문에, 동일 스프로킷 사용 가능.
    (단, 힌지부는 다힌지 구조)
  • TPS형 컨베이어를 그대로 교환 가능.
질문으로 돌아가기
Q17 곡선 반송용 TTUP과 TPU의 구분은?
A17

곡선 반송용 TTUP와 TPU의 구분은 아래 표를 참조하십시오.

모델 TTUP형 TPU형
떠오름 방지 어태치먼트 있음
비고

외관

TTUP TPU
1. 상승 컨베이어

TPU형은 부상 방지 어태치에 의해 부상하기 쉬운 부분에서 체인의 부상 대책을 취하는 것이 가능.

상승 컨베이어

2. 3차원 컨베이어(제캔 메이커 등)
「상승・하강」플러스 「커브」등의 레이아웃에 부상 방지 어태치가 유효. 어태치부를 레일로 고정하기 위한 복잡한 레이아웃으로도 사용 가능.
3. 식품 등의 플레이트 직재

식품의 경우, 가장 주의해야 할 점은 「플레이트 상면이 반송물 이외와 접동하지 않도록 하는 것」입니다.

TPU형은 돌아가는 쪽의 체인의 부상 방지 어태치를 가이드 레일로 받는 것으로, 플레이트 상면의 반송물 이외의 것과의 슬라이딩을 억제할 수 있습니다.

특징

  • 곡선 반송용 플라스틱 톱 체인의 표준 타입. 간단한 구조로 세정도 용이
  • TPS형이나 TPU형 등과 동일한 스프로킷 사용 가능하며, 부품의 공통화가 가능
  • 떠오름 방지 어태치먼트 (탭) 있어 곡선용 체인. 코너부나 상승, 하강 컨베이어에서의 부상이나 리턴측 플레이트 상면의 상처 부착을 방지
  • TPS형이나 TTUP형 등과 동일한 스프로킷 사용 가능하며 부품의 공통화가 가능

용도 예

  • 최소 횡방향 반경 R600 이상의 코너로, 기본적으로 1 기장으로 1코너의 경우
  • 부상 방지 어태치먼트 (탭) 있음 때문에 최소 횡 굽힘 반경 R500에 대응. 또한 고속으로 드라이 조건일 때도 TTUP형보다 안정됩니다. 또, 1 기장으로 S자・복수 코너가 있을 때는 TTUP형에서는 체인 부상 가능성이 있기 때문에, TPU형이 유효합니다.
질문으로 돌아가기
Q18 플라스틱모듈러체인의 구분은?
A18

컨베이어간의 승계를 작게 하고 싶은 경우는, 체인 피치가 작은 WT1500 시리즈나 BTN5, BT6, BTC4-M, TOD형을 추천합니다. 범용 어플리케이션에서는 BT8, WT2250, WT2706, WT3835, WT300 시리즈를 권장합니다. 하중이 걸리는 경우나 중량물의 반송에는 WT2500 시리즈나 BTH16을 추천합니다. 승계부의 간극을 없애고 싶은 경우는 WT1907, 3827, 5707 시리즈를 추천합니다. 금속 트레이나 부품의 경사(미끄럼 방지) 반송되는 경우에는 자석이 내장된 BTM8H, BTM8H-M을 권장합니다. 또한 골판지 시트 등의 반송에는 WT2525를 권장합니다. 경사로의 반송에는 WT2250 시리즈의 비행 부착이나 고무 부착을 추천합니다.

질문으로 돌아가기
Q19 플라스틱모듈러체인의 분해, 조립 방법은?
A19

체인 시리즈에 따라 구조가 다르므로 아래를 참조하십시오.


■BTN5, BT6, BT8 시리즈의 구조와 분해 연결

체인의 양단부 구조

체인 양단부는, 핀의 빠짐 방지를 위해, 스냅 어태치먼트를 링크의 뒤측으로부터 삽입하고 있습니다. (스냅 피트)


[클릭으로 확대]

분해·연결 요령

① 앞의 얇은 일자 드라이버를 링크 구멍과 스냅 어태치먼트의 스키마(약 1mm)에 삽입하고 스냅 어태치먼트를 분리합니다.


[클릭으로 확대]

②나사 부착 드라이버를 회전시켜 핀의 센터홀(φ1.0)에 끼워넣어 핀을 당겨 체인을 분해합니다.


[클릭으로 확대]

③ 체인을 연결할 때는 체인의 양단을 끌어 조합하여 한쪽 끝에서 핀을 삽입합니다. 체인 뒷면에서 스냅 부착물을 삽입합니다.
이 때 링크 밑면에서 스냅 어태치먼트가 튀어 나오지 않는지 확인하십시오.

 

■WT1500/3000 시리즈의 분해

①끝이 가는 일자 드라이버 등을 체인 측면의 플러그와 체인 사이에 꽂습니다.


[클릭으로 확대]

②테코의 요령으로 플러그를 본체에서 분리합니다. 이때 플러그가 날지 않도록 주의하십시오.


[클릭으로 확대]

③나사 부착 드라이버를 회전시켜 핀의 중앙 구멍(φ1)에 끼워넣어 핀을 빼내고 체인을 분해합니다.


[클릭으로 확대]

■WT1500/3000 시리즈의 연결

① 체인을 연결할 때는 체인끼리를 끌어당겨 조합하여 한쪽 끝에서 핀을 삽입합니다.


[클릭으로 확대]

② 다음으로 핀 삽입부를 막기 위해 플러그를 삽입합니다. 이 때, 플러그의 방향에 주의해(돌기부가 핀 구멍부에 오도록), 딸깍 소리가 날 때까지 누르십시오.


[클릭으로 확대]

③ 플러그가 정상적으로 설치되어 있는지 확인하십시오.


[클릭으로 확대]

주) 연결시에는 부속 또는 전용 핀을 사용하여 연결해 주십시오.


■WT2500 시리즈, BTM8H 시리즈의 분해

①끝이 가는 일자 드라이버 등을 체인 측면의 플러그 구멍에 꽂습니다.


[클릭으로 확대]

② 일자 드라이버를 화살표 방향으로 눌러 플러그를 밉니다.


[클릭으로 확대]

③나사 부착 드라이버를 회전시켜 핀의 중앙 구멍(φ1)에 끼워넣어 핀을 빼내고 체인을 분해합니다.


[클릭으로 확대]

※BTM8-M형은 다릅니다.


■WT2500 시리즈, BTM8H 시리즈의 연결

① 체인을 연결할 때는 체인끼리를 끌어당겨 조합하여 한쪽 끝에서 핀을 삽입합니다.


[클릭으로 확대]

② 다음으로 핀 삽입부를 막기 위해 플러그를 슬라이드시킵니다.


[클릭으로 확대]

※BTM8-M형은 다릅니다.

주) 연결시에는 부속 또는 전용 핀을 사용하여 연결해 주십시오.


■WT3800 시리즈 분해

①끝이 가는 일자 드라이버 등을 체인 측면의 플러그와 체인 사이에 꽂습니다.


[클릭으로 확대]

② 일자 드라이버를 화살표 방향으로 눌러 플러그를 밉니다.


[클릭으로 확대]

③나사 부착 드라이버를 회전시켜 핀의 중앙 구멍(φ1)에 끼워넣어 핀을 빼내고 체인을 분해합니다.


[클릭으로 확대]

■WT3800 시리즈의 연결

① 체인을 연결할 때는 체인끼리를 끌어당겨 조합하여 한쪽 끝에서 핀을 삽입합니다.


[클릭으로 확대]

② 다음으로 핀 삽입부를 막기 위해 플러그를 슬라이드시킵니다.


[클릭으로 확대]

주) 연결시에는 부속 또는 전용 핀을 사용하여 연결해 주십시오.


■BTC4-M형, BTO8-M형의 분해 연결

①분해시

・링크의 D구멍측의 D핀 측면에 펀치(φ2.5 이하)를 맞추고, 가볍게 해머로 두드려 핀을 빼냅니다.

・혹은 핀의 스토퍼측으로부터 앞의 가는 일자 드라이버로 뽑을 수도 있습니다.


[클릭으로 확대]

②연결시

・전용의 연결용 D핀(색:오렌지색)을 사용해 주십시오.

· D 핀의 삽입 방향을 확인하고 링크에 핀을 삽입합니다.

・D핀의 스토퍼측을 손가락으로 누르거나, 가볍게 해머로 두드려 주세요.

③재절계시

・이미 삽입되어 있는 연결용 D핀(색:오렌지색)부에서는 절단 연결 마십시오.


※연결용 D핀에 대해서

① 연결시에는 전용 연결용 D핀을 사용해 주십시오.

②연결용 D핀은 본체핀(백색)으로 식별하기 때문에 오렌지색으로 하고 있습니다.

③연결용 D핀은 체인 1개에 대해 1개 부속되어 있습니다.


■WT2250, BTC8S 시리즈의 구조와 분해 연결

체인의 양단부 구조

체인 양단부는, 핀의 빠짐 방지를 위해, 스냅 어태치먼트를 링크의 뒤측으로부터 삽입하고 있습니다. (스냅 피트)


[클릭으로 확대]

분해·연결 요령

① 앞의 얇은 일자 드라이버를 링크 구멍과 스냅 어태치먼트의 스키마(약 1mm)에 삽입하고 스냅 어태치먼트를 분리합니다.


[클릭으로 확대]

②나사 부착 드라이버를 회전시켜 핀의 센터홀(φ1.0)에 끼워넣어 핀을 당겨 체인을 분해합니다.


[클릭으로 확대]

③ 체인을 연결할 때는 체인의 양단을 끌어 조합하여 한쪽 끝에서 핀을 삽입합니다. 체인 뒷면에서 스냅 부착물을 삽입합니다.
이 때 링크 밑면에서 스냅 어태치먼트가 튀어 나오지 않는지 확인하십시오.


[클릭으로 확대]


[클릭으로 확대]

질문으로 돌아가기
Q20 스프로킷의 설치 방법은?
A20

플라스틱모듈러체인의 광폭 타입에서는 스프라켓은 체인 폭, 장력 부하율에 따라 수량, 설치 위치가 다르므로 주의해 주십시오. 또 온도 변화에 의한 체인 폭의 팽창, 수축의 치수 변화에 대응하기 위해, 축에 대해 스프로킷의 사각 구멍, 육각 구멍은 큰 치수로 완성되고 있어, 횡 이동할 수 있도록 되어 있습니다.


스프로킷 장착 피치 결정

각 체인의 스프로킷의 장착 피치도를 아래에 나타냅니다. (2) 식으로 구한 체인 폭 1m 환산 장력 F'이 체인의 허용 장력 (폭 1m당 MAX)의 몇% 레벨인지를 확인합니다. 체인 장력 부하율 F1에 따라 바뀌는 경우도 있으므로 주의해 주십시오.

장력 부하율 F1(%)의 계산


F'…(2)식으로 구한 체인폭 1m 환산능력 kN/m {kgf/m}
A… 각 사용온도에서 체인폭 1m 환산능력 kN {kgf}
체인 능력선도을 참조하십시오.

광폭 타입

1. BTN5, BTN5-A(피치=15mm) 2. WT1505-K, WT1505G-K, WT1506-K


[클릭으로 확대]


※BTN5-A(사행 방지 어태치먼트 부착)의 경우는 24T 스프로킷은 사용할 수 없습니다. 32T 스프로킷을 사용하십시오.


[클릭으로 확대]

3. WT1505GTO-K 4. WT2505-K, WT2506-K, BTM8H


[클릭으로 확대]


[클릭으로 확대]

5. WT3005-K/WT3005G-K 6. WT3086-K/WT3086G-K


[클릭으로 확대]


[클릭으로 확대]

7. BT6(피치=19.05mm), BTC8,
BTC8-A(피치=25.4mm)/ 스프로킷 장착 피치

●장력 부하율(F1)이 50% 이하인 경우의 스프로킷 장착 피치

8. BT6(피치=19.05mm), BTC8(피치=25.4mm)/ 스프로킷 장착 피치

●장력 부하율(F1)이 50%를 초과하는 경우의 스프로킷 장착 피치


[클릭으로 확대]


[클릭으로 확대]

9. BTC8-A(피치=25.4mm)/ 스프로킷 장착 피치

●장력 부하율(F1)이 50%를 초과하는 경우의 스프로킷 장착 피치

10. WT3816K


[클릭으로 확대]


[클릭으로 확대]

11. WT2250FT, FG 12. BTC8S


[클릭으로 확대]


[클릭으로 확대]


고정폭 타입

1. BTC4-500-M
(피치=12.7mm)

2. BTO8-830-M
(피치=25.4mm)

3. BTC8H-M/BTM8H-M 4. WT1505G-M300


[클릭으로 확대]


[클릭으로 확대]


[클릭으로 확대]


[클릭으로 확대]

5. WT1505GTO-M300 6. WT1505GTO-M600 7. WT1505TOD-M450L 8. WT2505-M325/G-M325


[클릭으로 확대]


[클릭으로 확대]


[클릭으로 확대]


[클릭으로 확대]

9. WT2505-M450/G-M450 10. WT2505TOD-M450R 11. WT2505TOD-M750R 12. WT3005G-M300


[클릭으로 확대]


[클릭으로 확대]


[클릭으로 확대]


[클릭으로 확대]

13. WT3005G-M450 14. WT3086G-M85 15. WT1515G-M50  


[클릭으로 확대]


[클릭으로 확대]


[클릭으로 확대]

 


스프로킷 취급

플라스틱모듈러체인에 사용하는 구·종동 샤프트는 특수한 예(고정폭 타입, TOD와의 직교 등)를 제외하고 일반적으로 각 샤프트를 권장합니다. 체인은 온도 변화에 의해 팽창 수축하기 때문에 스프로킷이 폭 방향으로 가로 이동할 수 있도록 자유롭게 설치합니다. 단, 체인의 사행 방지를 위해, 구·종동 샤프트 모두, 중앙부 1개(또는 2개)의 스프로킷을 세트 스크류 또는 세트 칼라, 육각 구멍 부착 볼트로 고정합니다. 각 샤프트에 스프로킷을 설치할 때는 각인 이나 마크를 기준으로 하여 방향이나 치아의 위치를 일정하게 맞추십시오.


■ 스프로킷의 위상 맞춤

각인이나 마크를 맞추어 샤프트에 설치해 주십시오.

  
[클릭으로 확대]

■체인의 팽창・수축

플라스틱 플라스틱모듈러체인은 수지제이므로 온도 변화에 따라 팽창 수축합니다. 체인의 선팽창률 기준은 20℃를 기준으로 15×10-5 (/℃)입니다. 호칭폭의 팽창량(⊿W)은 하기 식에 의해 구해집니다.


⊿W=체인 호칭폭×(사용 분위기 온도-20)×15×10-5

(예) K60(1524mm) 체인이 20℃에서 60℃까지 온도가 상승하는 분위기에서 사용하는 경우

⊿W=1524×(60-20)×15×10-5=9.1mm

■ 스프로킷 고정

스프로킷은 체인과 컨베이어의 열팽창차, 체인과 스프로킷의 설치 오차를 흡수하기 위해, 샤프트와는 루즈 피트로 하고 있습니다만, 체인의 사행을 방지하기 위해 중앙 부근의 1개의 스프로킷의 양측에 약 0.5 mm(WT의 경우:1.6 mm)의 스키마를 끼워, 세트 스크루를 붙이고, 세트 스크루


[클릭으로 확대]

※ 사행 방지 탭 부착 체인을 사용하는 경우는 사행 방지 어태치 사이에 설치하는 스프로킷을 고정하십시오.

■체인 설치

스프로킷의 피치를 소정의 장착 피치(선정항 참조)에 맞추고 체인을 감습니다.

※ 스프로킷의 설치 피치가 어긋나면, 체인이 스프로킷에 승강 파손하는 경우가 있습니다. 확실히 확인하십시오.

질문으로 돌아가기
Q21 플라스틱모듈러체인의 컨베이어 설계는?
A21

플라스틱모듈러체인의 경우, 일반적으로 반송측은 레일로 체인을 받고 돌아오는 쪽에 대해서는 체인에 처짐을 마련해 주십시오. 특히 구동 스프로킷 아래의 처짐이 중요합니다. 스팬 500~1000mm(※체인 형식, 장력 부하율에 따라 다릅니다) ・처짐량 50~100mm(운전중)는 유지하도록 해 주십시오. 이 처짐이 범위를 벗어나면 체인이 날아갈 수 있습니다.
또한 반송면 측 레일의 설치는 광폭 타입, 사행 방지 탭의 유무, 고정폭 타입에 따라 다릅니다.


가이드 레일 배치

가이드 레일의 배치는 설치 공간 등에 따라 다르지만 예를 아래 그림에 나타냅니다.

※구동 스프로킷 부의 레일 및 프레임 단면은, 모따기를 실시해 간섭하지 않도록 해 주세요.


[클릭으로 확대]

체인의 처짐량

구동 스프로킷 아래의 리턴측 체인을 받는 리턴 롤러의 간격 L은 아래 표 1을 참조하고, 리턴 롤러 사이의 체인의 처짐량은 50~100mm로 하십시오. 이 처짐에 의해 치아 날아를 방지하고 있습니다. 이 범위를 벗어나면 치아가 날 수 있습니다.

리턴 롤러 간격 L (단위 mm)
체인 형식 장력 부하율(F1)
50% 이하일 때 50%를 초과할 때
BT6, BT8 500~700 800~1000
WT2250, BTC8S 600~900
WT1500, 2500, 3000, 3800 450~500

주)

1. 고정폭 타입은 카탈로그 기술 노트를 참조하여 설계하십시오.

2. 패스트 라이저 등 특수 컨베이어에 대해서는 당사에 문의하십시오.

3. 양단 노즈바의 설치는 카탈로그 기술 노트를 참조해 주십시오.


맞물림 각도

구동 스프로킷과 체인의 "물림 각도"는 180° 이상이어야 합니다. 각도가 작으면 치아가 날 수 있습니다.


레일 끝

스프로킷과 레일 단부까지의 거리 C는 기본 체인 1 피치 분 설치하십시오. 또한, 종동측 레일 단부는 체인과 레일의 걸림을 방지하기 위해 R 굽힘, 혹은 모따기를 실시해 주십시오.


스프로킷과 레일의 위치

아래 그림을 참조하십시오.


[클릭으로 확대]


레일의 설치예(상온 분위기의 경우)

광폭 타입(사행 방지 탭이 없는 경우)

레일은 스프로킷과 교대로 등 간격으로 배치하십시오. 레일 간격 A는 BTN이 76mm, BT6, BT8, WT1500, WT3005, BTC8S가 76.2mm, WT2500이 76.2mm(레일 폭 25mm), WT3086, WT2250이 85mm, WT3816이 100mm(레일)


[클릭으로 확대]


광폭 타입(사행 방지 탭 부착의 경우)

(사행 방지 탭 부착 체인:BTN5-A, WT1505GK, WT1505GTOK, WT3005GK, WT3086GK)

사행 방지 탭이 레일에 간섭하지 않도록 설치하십시오.


[클릭으로 확대]

A치수 일람
체인 A(mm) 체인 A(mm)
WT1505G 44 BTC8-A 44
WT1505GTO 47 WT3005G 44
BTN5-A 44 WT3086G 44

고정폭 타입(사행 방지 탭 부착의 경우)

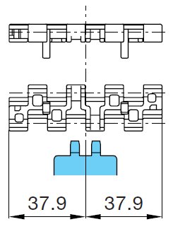
가이드 체인의 가이드 클리어런스는 아래 표를 참조하십시오. 다열로 사용할 때는 체인의 틈을 1mm 정도 취해 주십시오.

체인 A(mm)
WT1505GM44
WT1505GTOM47
WT1505TOD53
WT1515GM31
WT2505GM45
WT2505TOD45
WT3005GM44
WT3086GM44
BTO8-M44
BTC8H-M44
BTM8H-M44


[클릭으로 확대]

질문으로 돌아가기
Q22 플라스틱모듈러체인의 리턴 측 레이아웃에 대해
A22

가장 일반적인 레이아웃으로 리턴 롤러에서 받는 방식을 권장합니다. 리턴 롤러의 수용 방식에서는 적당한 체인의 처짐을 설치 가능하고 체인 신장을 흡수할 수 있기 때문에 권장합니다. 비행이 있는 경우에는 비행과 롤러가 간섭하지 않도록 해야 합니다.
또 레일로 받는 방식도 있습니다.


컨베이어 레이아웃

돌아오는 쪽의 접수로서, “리턴 롤러로 받는 방식”이나 “레일로 받는 방식” 등이 있습니다. 다음은 예입니다.

※주의 사항

1. 특히 단말에서 TOD 등에 의한 환승을 할 경우에는 주의해 주십시오.

2. 리턴 레일의 입구 부분은 R40 이상의 큰 R을 취하십시오.

3. 체인은 온도 변화에 의해 팽창·수축하므로 카테나리부를 적절한 느슨함량이 되도록 체인을 잘라 텐셔너 등으로 조절해 주십시오.


리턴 롤러로 받는 방식

컨베이어 측면


L 치수는 카탈로그 기술 노트를 참조하십시오.
[클릭으로 확대]

컨베이어 평면


[클릭으로 확대]

사용하는 체인 폭에 따라 롤러의 설치 간격(컨베이어 폭 방향)을 조정합니다.


레일로 받는 방식

컨베이어 측면


L 치수는 카탈로그 기술 노트를 참조하십시오.
[클릭으로 확대]


비행 체인의 돌아오는 쪽

비행 부착 또는 고무 부착 체인의 돌아가는 쪽은 롤러 등으로 비행이 간섭하지 않도록 아래 그림과 같이 설치하십시오.


[클릭으로 확대]

※폭이 넓은 체인의 경우 롤러는 765mm 간격으로 설치하십시오.

질문으로 돌아가기
Q23 플라스틱모듈러체인으로 정역 운전이 가능합니까?
A23

플라스틱모듈러체인으로 정역 운전이 가능합니다. 정역 운전하는 경우의 예를 아래에 나타내므로 참조하십시오.



[클릭으로 확대]

정역저부 구동에서의 아이들러 롤러부에는 사용 장력의 약 1.5배의 부하가 작용하므로, 기폭이 넓은 컨베이어(1m 이상)의 경우에는 충분한 강성을 가진 축을 선정하거나 3점 지지 이상으로 축을 받도록 하십시오.

질문으로 돌아가기
Q24 환승부의 작은 컨베이어를 제작하고 싶다.
A24

승계부를 작게 하고 싶은 경우, 노즈바를 사용하는 것으로 대응 가능합니다. 또, BTC4-M에서도 승계부를 작게 할 수 있으므로 참조해 주십시오.


노즈바의 맞대기 배치 레이아웃

가이드 레일의 배치는 설치 공간 등에 따라 다르지만 예를 아래 그림에 나타냅니다.


[클릭으로 확대]

※위 그림 중 치수는 참고값입니다. 반송물의 이동 상태에 따라 미세 조정하십시오.

※반송물의 형태(불안정)에 따라서는, 약간의 체인의 샤크리에 의해 결함이 생길 가능성이 있습니다.
그러한 반송물의 경우는 문의해 주십시오.



[클릭으로 확대]

WT1500 시리즈나 BTN5를 사용함으로써 컨베이어간의 접속을 스트레이트에 맞대기 배치 수 있습니다. 맞대기 배치에 사용하는 데드 플레이트는 20mm까지 좁게 할 수 있습니다.

주)

1.※부는 반송물의 차이에 의해 조정이 필요합니다.

2. 대응 체인은 WT1500 시리즈와 BTN5 전용입니다. 또한 WT1505G 타입은 적응할 수 없습니다.


BTC4-M형의 맞대기 배치 레이아웃

10T 스프로킷으로 직선 승차의 경우


[클릭으로 확대]


φ18 샤프트로 직선이송의 경우


[클릭으로 확대]

주) 데드 플레이트의 레벨은 반송물의 이동 상태에 따라 미세 조정해 주십시오.

질문으로 돌아가기
Q25 직교 컨베이어로 반송물의 잔류를 없애고 싶다.
A25

체인과 승계부가 일체가 된 체인(TOD형, GTO형)을 활용하는 것이 좋습니다. 레이아웃 등은 아래를 참조하십시오.


직교 이송 레이아웃

WT1505TOD/GTO 또는 WT2505TOD와 조합하는 것으로, 데트 플레이트가 불필요해져 반송물의 직교 반송이 가능해집니다.


[클릭으로 확대]



[클릭으로 확대]


각 체인의 설치 치수는 아래와 같습니다.

삽입 반송 (WT1505TOD/WT1500)


[클릭으로 확대]

잇수 치수 (mm)
DP D H L1 L2
24 114.9 61.4 62.2 103.9 10.4
32 153.0 80.5 81.3 104.9 11.4
33 157.8 82.9 83.7 105.0 11.5

주)※부는 반송물의 차이에 따라 조정이 필요합니다.


삽입 반송 (WT2505TOD/WT2500)

■WT2505TOD-M450의 경우


[클릭으로 확대]

잇수 치수 (mm)
DP D H
16 130.2 71.4 72.1
18 146.3 79.5 80.3
21 170.4 91.6 92.5
31 251.1 131.8 132.6

주)※부는 반송물의 차이에 따라 조정이 필요합니다.


■WT2505TOD-M750의 경우


[클릭으로 확대]

잇수 치수 (mm)
DP D H
16 130.2 71.4 72.1
18 146.3 79.5 80.3
21 170.4 91.6 92.5
31 251.1 131.8 132.6

주)※부는 반송물의 차이에 따라 조정이 필요합니다.


배출 반송 (WT1505GTO/WT1500)


[클릭으로 확대]

주)※부는 반송물의 차이에 따라 조정이 필요합니다.


당사 노즈바나 GTO/TOD 타입 체인을 사용함으로써, 통상 필요로 하는 데드 플레이트를 사용하지 않고 반송물의 부드러운 90° 변환 반송을 가능하게 하고 있습니다.


WT1500과 WT1505G의 직교 반송

삽입 반송 (WT1500/WT1505G/WT1515G)


[클릭으로 확대]

주)※부는 반송물의 차이에 따라 조정이 필요합니다.


배출 반송 (WT1500/WT1505G/WT1515G)


[클릭으로 확대]

주)※부는 반송물의 차이에 따라 조정이 필요합니다.

질문으로 돌아가기
Q26 【플라스틱모듈러체인】떠오름 방지 어태치먼트 (탭) 있어 체인에 사용 가능한 스프로킷은?
A26

■WT1515T-FW형&WT1516T-FW형 떠오름 방지 어태치먼트 (탭) 있어 체인

사용 가능한 스프로킷 WT-SW1500-24T, WT-SW1500-32T, WT-SW1500-33T

※ 떠오름 방지 어태치먼트 (탭)와 샤프트의 간섭이 없기 때문에 사용 가능합니다.


■ 이미지도

  
[클릭으로 확대]

■ 성형 스프로킷

  
[클릭으로 확대]

■가공 스프로킷

  
[클릭으로 확대]

사용 불가능한 스프로킷 WT-N1500-12T, WT-N1500-18T

※이유는 아래 그림과 설명문을 참조하십시오.


■WT-N1500-12T

떠오름 방지 어태치먼트 (탭)와 키부가
간섭하기 위해 사용 불가

  
[클릭으로 확대]

■WT-N1500-18T

떠오름 방지 어태치먼트 (탭)와 각축의 간섭은 없지만,
가이드 클리어런스가 적기 때문에 사용 불가

  
[클릭으로 확대]

질문으로 돌아가기