플라스틱 톱 체인 TPUH-BO형용 엠프라제 스프로킷

2026년 7월부터 일부의 형번으로 사양 변경 또는 판매 종료를 예정하고 있습니다.
자세한 것은 이쪽으로부터 확인해 주세요.
자세한 것은 이쪽으로부터 확인해 주세요.
- 플라스틱 톱 체인 TPUH-BO형용 수평 반송 전용 엔지니어링 플라스틱 스프로킷
- 본체와 허브를 맞추어 사용해 주십시오.
-
용도
모터의 동력을 체인에 전달하기 위한 상품입니다.
컨베이어의 구동축에 설치하여 사용해 주십시오.
플라스틱 톱 체인 TPUH-BO형용 엠프라제 스프로킷 일람
일체형(엔지니어링 플라스틱 제)
| 타입 | 일체형 |
|---|---|
| 용도 | - |
| 형번 | TP-C12781LT-SPR |
| 적용 체인 형식 | TPUH-BO |
| 적용 체인 피치 mm | 38.1 |
| 적용 스프로킷 형식 | - |
| 적용 가이드 플랜지 | - |
| 적용 허브 | TP-C12773T-HB |
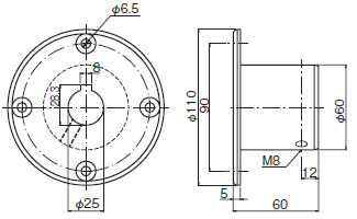
| 모양 | ![]() |
| 본체 재질 | 치형부: 폴리아미드 허브 부분: 알루미늄 |
| 재질 등급 | - |
| 본체 외관색 | 블랙 |
| 노브 외관색 | - |
| 베어링 재질 | - |
| 씰링 재질 | - |
| 구조 | - |
| 접시 작은 나사 | - |
| 볼트·너트 재질 | - |
| 잇수 | 32 |
| 작용 잇수 | - |
| 축 구멍 형상 | 둥근 |
| 축 구멍 치수 mm | Φ25 |
| 파일럿 홀 mm | - |
| 최대축 홀 직경 mm | - |
| 폭 mm | - |
| 길이 mm | - |
| 체인 횡방향 반경 R mm | - |
허브
| 타입 | - |
|---|---|
| 용도 | - |
| 형번 | TP-C12773T-HB |
| 적용 체인 형식 | TPUH-BO, TPUH-BO |
| 적용 체인 피치 mm | 38.1 |
| 적용 스프로킷 형식 | TP-C12781LT-SPR |
| 적용 가이드 플랜지 | - |
| 적용 허브 | - |
| 모양 | ![]() |
| 본체 재질 | 알루미늄 |
| 재질 등급 | - |
| 본체 외관색 | - |
| 노브 외관색 | - |
| 베어링 재질 | - |
| 씰링 재질 | - |
| 구조 | - |
| 접시 작은 나사 | - |
| 볼트·너트 재질 | - |
| 잇수 | - |
| 작용 잇수 | - |
| 축 구멍 형상 | - |
| 축 구멍 치수 mm | - |
| 파일럿 홀 mm | - |
| 최대축 홀 직경 mm | - |
| 폭 mm | - |
| 길이 mm | - |
| 체인 횡방향 반경 R mm | - |
형번 표시 예
| TP-C12781LT | - | SPR |
| | 모델 |
| 약식 기호 SPR: 스프로킷 |
|
| TP-C12773T | - | HB |
| | 모델 |
| 약식 기호 HB: 허브 |
|


