워터스크린용 WAC형

- 화력발전소 취수구 등의 자동 제진기용 체인입니다.
- 핀 부시 롤러는 스테인리스 400 시리즈를 사용, 모두 조질을 실시하고 있습니다.
- 이에 따라 해수중과 공기중의 왕복운행에 필요한 내부식성, 내마모성이 우수합니다.
- 또한 롤러 내경에 특수 수지를 베어링재로 사용해 해수를 윤활제 대신(그리스 불필요)로 하므로 유지보수가 용이합니다.
카탈로그 · 취급설명서
상품 일람
※클릭으로 상세 정보를 표시합니다
※ 최대 허용 장력은, 당사 설계 기준에 근거해 계산한 값이며, 계산 강도가 됩니다. 특별히 제한이 없는 한 대형 컨베이어 체인의 선정에는 최대 허용 장력을 사용합니다.
이 값은 제조업체에 따라 다릅니다. 보증 값이 아닙니다.
※평균 인장 강도는 당사에 문의해 주십시오.
| 사이즈 | 롤러 유형 |
피치 | 롤러 외경 |
안쪽 링크 내부 폭 |
|---|---|---|---|---|
| 610mm | Φmm | mm | ||
| WAC25610 | R | WAC25610 | 100 | 50 |
| WAC32610 | R | WAC32610 | 100 | 50 |
| WAC45610 | R | WAC45610 | 100 | 50 |
| WAC55610 | R | WAC55610 | 100 | 50 |
| WAC65610 | R | WAC65610 | 110 | 50 |
| WAC75610 | R | WAC75610 | 110 | 66.7 |
| WAC100610 | R | WAC100610 | 130 | 66.7 |
| WAC120610 | R | WAC120610 | 150 | 70 |
긁힘 기계용 주변 부품
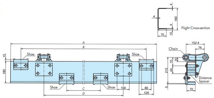
■F형 비행
- 비중: 1.9
- 질량:2.4kg/m
- 재질: FRP
- 외관 색: 파랑
[형번 표시 예]
| AC-FL(A치수)-(B치수)-(C치수)-(D치수) |
- 주) 1. 항공편의 사용명시에는 형번에 (A,B,C,D치수:단위mm)를 기재하여 견적지시해 주십시오. 체인의 SF4 어태치먼트와 거리 블록, 비행, 프레스 플레이트 설치 및 비행 및 슈 설치는 스테인리스 300 시리즈 볼트, 너트, 평와셔, 스프링 와셔 등을 사용하십시오.
(플라이트에는 신발, 거리 블록이 포함되지 않음) - 2. 최저 발주량 100m를 밑도는 경우, 상담해 주십시오.
■슈
양 동백 모양
- 비중: 1.14
- 질량:260g
(폭 70mm용의 경우) - 재질: 수지
- 외관 색: 블랙
[형번 표시 예]
| AC | - | FL-SH | D | 82 |
| | 슈 |
| 양 동백 모양 |
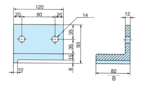
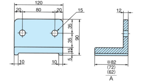
| A부 치수 |
- ※플라이트 폭 60, 50 mm용도 있습니다. 다른 치수는 상기와 동일합니다.
한 쌍둥이 형
- 비중: 1.17
- 질량:290g
- 재질: 폴리우레탄
- 외관 색: 블랙
[형번 표시 예]
| AC | - | FL-SH | S | 82 |
| | 슈 |
| 한쪽 동백 모양 |
| B부 치수 |
- 주) 본 치수 이외의 수지제 슈도 제작할 수 있으므로 상담해 주십시오.
■ 거리 블록
- 비중: 1.4
- 질량:240g
- 재질: 수지
- 외관 색: 블랙
[형번 표시 예]
| AC | - | FL-DIS |
| | 거리 블록 |
- 주) 기재 치수는 칭호 치수이며 실제 치수와 다를 수 있습니다.
