TCL형 컨베이어 체인용 자동 급유기

- TCL형 급유기는 컨베이어 체인용 자동 급유기입니다.
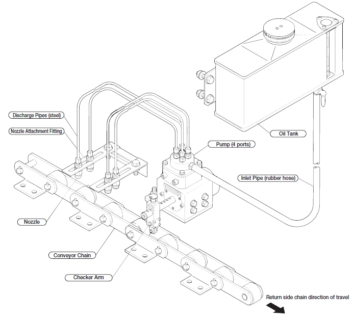
- 체인의 롤러가 급유기 본체 펌프의 체커 암을 밀어 올리는 것으로 펌프 기구가 작동해, 노즐보다 적당량의 윤활유를 토출하는 급유기입니다.
- 따라서 전기 등의 동력원이 불필요하고 간단하게 설치할 수 있어 정확하고 안정된 급유를 할 수 있습니다.
특징
-
・동력원 불필요
체인이 주행하는 것으로 본체의 펌프 기구가 작동하기 때문에 전기·에어 등의 동력원이 불필요하고 설치나 보수가 용이합니다.
-
・적절한 급유
체인의 움직임과 연동하여 급유를 실시하기 때문에 정확하고 안정된 급유를 할 수 있습니다.
-
・소형・저가격
기존의 컨베이어 체인용 급유기에 비해 경량, 소형으로 취급하기 쉽고, 가격도 경제적으로 되어 있습니다.
세트 내용
자동 급유기는 컨베이어 체인의
마모・주행저항・주행음을 저감합니다.
TCL4
TCL2
■ 세트 내용
- 1. 본체 펌프: 1대
- 2. 오일 탱크(5L):1개
- 3. 고무 호스(2m):1개
- 4. 동관(2m):TCL2형 2개, TCL4형 4개
- 5. 노즐:TCL2형 2개, TCL4형 4개
- 6. 노즐 설치금구: TCL2형 1세트, TCL4형 2세트
[앵글재:1, 노즐 설치판:2]
성능
| 종류 | TCL4 | TCL2 |
|---|---|---|
| 토출구 | 4구 | 2구 |
| 가능한 동작 횟수 | max.3회/초 사용 가능한 체인 피치와 체인 속도의 관계는 상품 일람을 참조하십시오. |
|
| 토출량 | 고정식 0.05CC/샷/입 | |
| 타이밍 감지 | 체커 암 감지 방식 | |
| 운전·정지(ON·OFF) | 컨베이어를 정지시킨 후 수동으로 체커 암을 전환합니다. | |
| 오일 탱크 | 5L | |
| 사용온도 | -10℃~120℃ | |
주) 사용온도는 첨단 노즐을 사용할 수 있는 온도입니다. 본체를 사용할 수 있는 온도는 -10℃~60℃에서 사용해 주십시오.
카탈로그 · 취급설명서
형번 표시 예
| TCL4 | - | R | |
| | 사이즈 TCL4: 노즐 4구 TCL2: 노즐 2구 |
| 체인 진행 방향 R : 체커 암 측에서 보아 오른쪽 방향 L:체커 암측에서 봐 왼쪽 방향 |
||
상품 일람
※클릭으로 상세 정보를 표시합니다
| 토출구 | |||
|---|---|---|---|
| 4구 | 2구 | ||
| 진행방향 | 오른쪽(R) | TCL4-R | TCL2-R |
| 왼쪽(L) | TCL4-L | TCL2-L | |
