버킷 엘리베이터 용 컨베이어 체인

- 내마모성과 피로 강도를 중점에 둔 버킷 엘리베이터 전용 체인입니다.
- 풍부한 경험과 실적에 의해, 시멘트 반송이나 부식성이 있는 분탄 반송에 적합한 사양의 체인도 제안할 수 있습니다.
- 피팅부에는 절단 연결 용이한 전용 연결 링크가 있습니다.
- 마모 신장 대책을 실시한 FB 사양・FBXA 사양도 갖추고 있습니다.
카탈로그 · 취급설명서
사양
・일반 내마모용 체인CT사양 또는 BT사양
마모성이 높은 시멘트에 초점을 맞추고, 시멘트 반송에 적합한 부품 재질, 경도, 간극이 되어 있습니다
・분탄용 체인RT 사양 또는 Y 사양
부식성이 있는 분탄의 반송용으로 특별히 설계한 체인입니다.
Y사양:강도와 인성을 겸비한 사양입니다.
부속품
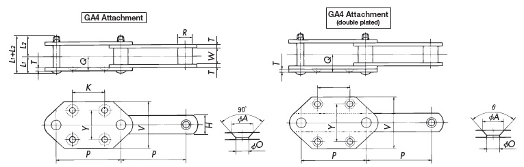
어태치먼트는 GA4 어태치먼트가 표준이 됩니다.
GA 어태치먼트는 T핀 반대편에 설치합니다.
상품 일람
※클릭으로 상세 정보를 표시합니다
※ 최대 허용 장력은, 당사 설계 기준에 근거해 계산한 값이며, 계산 강도가 됩니다. 특별히 제한이 없는 한 대형 컨베이어 체인의 선정에는 최대 허용 장력을 사용합니다.
이 값은 제조업체에 따라 다릅니다. 보증 값이 아닙니다.
※평균 인장 강도는 당사에 문의해 주십시오.
| 사이즈 | 롤러 유형 |
피치 | 롤러 외경 |
안쪽 링크 내부 폭 |
||||||
|---|---|---|---|---|---|---|---|---|---|---|
| 150mm | 152.4mm | 200mm | 250mm | 300mm | 350mm | 400mm | Φmm | mm | ||
| B10 | S | B10150S | --- | --- | --- | --- | --- | --- | 29 | 30 |
| B12 | S | --- | B12006S | B12200S | --- | --- | --- | --- | 34.9 | 37.1 |
| B17 | S | --- | --- | B17200S | B17250S | --- | --- | --- | 40.1 | 51.4 |
| B26 | N | --- | --- | B26200N | B26250N | B26300N | --- | --- | 50.8 | 57.2 |
| B36 | N | --- | --- | --- | B36250N | B36300N | B36350N | --- | 57.2 | 66.7 |
| B60 | N | --- | --- | --- | --- | B60300N | B60350N | B60400N | 70 | 77 |
| B90 | N | --- | --- | --- | --- | --- | B90350N | B90400N | 85 | 88 |
| B120 | N | --- | --- | --- | --- | --- | --- | B120400N | 100 | 100 |


