BB 시리즈

- 베어링(6200번대)과 캠클러치를 일체화했습니다.
- 베어링(6200번대)에 캠 클러치를 내장. 분위기에 고려해, 오일 씰 첨부도 구색하고 있습니다.
- 저속에서 고속까지 폭넓게 사용할 수 있어 소형·경부하의 용도에 적합합니다.
- トルク範囲:29~260N・m
특징
- ・컴팩트 설계
작은 공간에 원웨이 클러치와 베어링의 기능을 겸비하여 공간을 효과적으로 활용할 수 있습니다. - ・설치 용이
축이나 하우징에의 설치는 압입, 키 고정의 2개의 타입을 준비했습니다. - ・토크 용량 UP
외륜 사이에 다수의 캠을 배치함으로써 쉘형 롤러 클러치에 비해 큰 토크를 전달할 수 있습니다. - ・전품종 재고 즉납품
사용 분위기에 고려하여 오일 씰 부착도 구색하고 있습니다.
구조
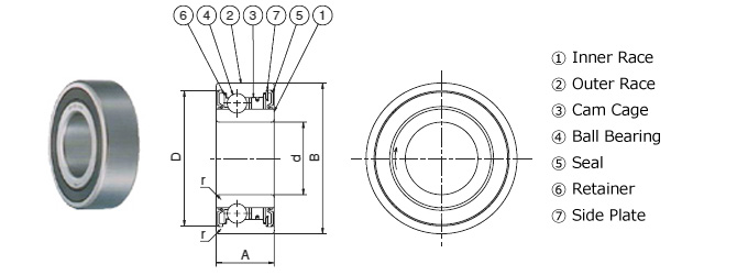
・BB 타입
기본 타입입니다. 6200번대의 볼 베어링에 캠 클러치를 내장하고 있습니다. 외륜은 압입에 의해 토크를 전달합니다.
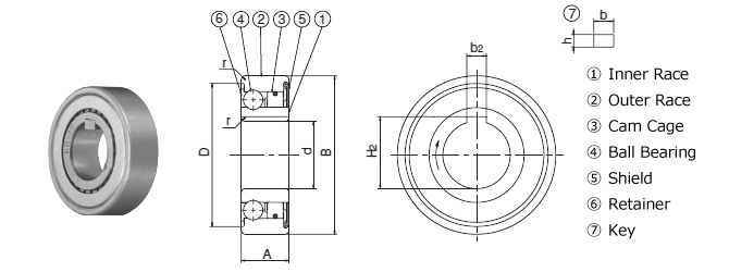
・BB 시리즈 1K-K 타입 (내륜 키홈 부착 타입)
BB 타입의 내륜에 키 홈이 붙은 타입입니다. 외륜은 압입에 의해 토크를 전달합니다. 키는 포함되어 있습니다.
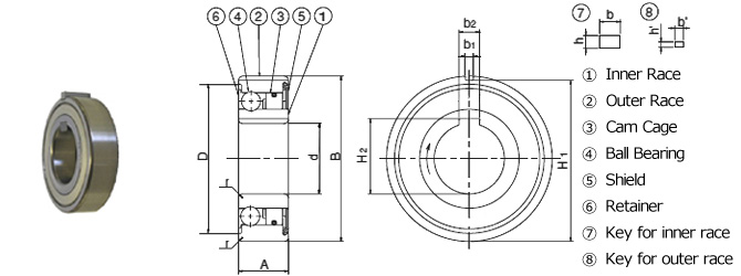
・BB 시리즈 2K-K 타입 (내· 외륜 키홈 부착 타입)
BB 타입의 내· 외륜에 키 홈이 붙은 타입입니다. 하우징・축에의 설치는 키로 실시합니다. 키는 포함되어 있습니다.
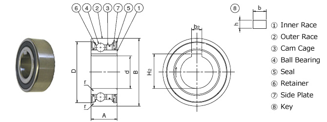
・BB 시리즈 2GD 타입 (양측 고무 접촉 씰 부착)
BB 타입의 양측 고무 씰이 붙은 타입입니다. 외륜은 압입에 의해 토크를 전달합니다. 폭 치수는 BB 타입보다 5mm 커지고 있습니다.
・BB 시리즈 2GD1K-K 타입 (양측 고무 접촉 씰, 내륜 키 홈 부착)
BB-2GD 타입의 내륜에 키 홈이 붙은 타입입니다. 외륜은 압입에 의해 토크를 전달합니다. 키는 포함되어 있습니다.
형번 표시 예
| BB30 | - | 1K | - | K | |
| | 사이즈 |
| 1K:내륜 키홈 부착 2K:내・ 외륜 키홈 부착 |
| 키 포함 |
|||
| (키홈 없음의 경우는 「1K-K」 「2K-K」는 블랭크) | |||||
| BB30 | - | 2GD | 1K | - | K |
| | 사이즈 |
| 양측 고무 접촉 씰 부착 |
| 내륜 키 내륜 부착 |
| 키 포함 |
||
| (키 홈 없음의 경우는 「1K-K」는 블랭크) | |||||
