Q&A 대형 컨베이어 체인

고객으로부터 전해진 「자주 있는 질문」을 Q&A 형식으로 게재하고 있습니다. 질문을 클릭하여 답변으로 이동하십시오.

대형 컨베이어 체인

Q&A내에서 구

Q1 컨베이어 체인의 각 부품의 사용 한계는?
Q2 플로우 컨베이어 체인의 내마모성 향상 방법은?
Q3 베어링롤러컨베이어체인이 왜 경제적인가?
Q4 400 ℃를 초과하는 조건에서는 어떤주의가 필요합니까?
Q5 컨베이어 샤크리의 원인과 대책은?
Q6 컨베이어 체인의 인계력은 얼마로 설정해야합니까?
Q7 체인 가이드 방법은?

체인 주변기기

Q8 컨베이어 체인용 급유기(TCL형)의 수명은?
Q9 컨베이어 체인 급유기 (TCL 형)는 경사 컨베이어에도 설치할 수 있습니까?
답변에
Q1 컨베이어 체인의 각 부품의 사용 한계는?
A1

일반적으로 컨베이어 체인의 수명은 각 부품의 마모에 의해 결정됩니다. 어느 부품이 먼저 수명에 도달하는지는 용도에 따라 다릅니다.
각 부품의 마모 수명 한계는 다음과 같습니다.

  1. (1) R 롤러, F 롤러

    촉궤면 및 부시와의 슬라이딩 부분의 마모에 의해, 플레이트의 하면이 레일에 맞추기 시작할 때를 가지고 한계로 합니다.

    덧붙여 레일에 구부러진 부분이 있는 경우에는, 오른쪽 그림과 같이 S에 상당하는 치수만 마모해가 적어지기 때문에, 평면의 경우에 비해 보다 한층 주의가 필요하게 됩니다.

  2. (2) S 롤러

    롤러 두께가 60% 마모되어 나머지 40%가 되었을 때가 한계입니다.

  3. (3) 부시

    부시 두께가 60% 마모되어 나머지 40%가 되었을 때가 한계입니다.

  4. (4) 플레이트
    • 플레이트 사이의 마찰과 롤러 측면과 플레이트 내부 사이의 접촉으로 인해 아래 그림 (왼쪽)의 (A) (B)와 같이 마모가 발생합니다. 이 마모량이 플레이트판 두께의 1/3을 넘으면 한계가 됩니다.
    • 플레이트가 직접 수송물이나 레일 위를 미끄러지는 경우는 아래 그림(오른쪽)과 같이 플레이트의 폭 방향으로 마모합니다. 이 마모량이 플레이트판 폭의 1/8에 도달했을 때 한계가 됩니다.

  5. (5) 체인의 마모 신장

    체인은 스프로킷에 맞물릴 때나 레일의 구부러진 부분에서 굴곡합니다. 이 때의 부시와 핀의 슬라이딩에 의한 마모에 의해 체인의 전체 길이가 늘어납니다.

    이 사용 한계는 기준 길이(피치 X 링크 수)의 2% 늘어난 시점입니다. 아래 그림과 같이 최대한 많은 링크(최소 4개 이상의 링크)를 측정합니다. 측정 위치는 하기 A, B 어떠한 방법으로 체인의 길이를 측정하고, 기준 길이와 대비하여 체인의 신장률(%)을 구해 주십시오.

    • (A) 핀의 중심에서 중심까지
    • (B) 핀의 한쪽 끝에서 한쪽 끝까지

질문으로 돌아가기
Q2 플로우 컨베이어 체인의 내마모성 향상 방법은?
A2

시멘트 수송 등에 사용되는 플로우 컨베이어에서는, 종래부터 핀, 부시, 롤러의 재질·열처리를 궁리해, 이 부분의 내마모성을 올린, BT사양 있습니다. 그러나, 마모성이 높은 플라이 애쉬(시멘트 원료의 하나)등의 반송에서는, 한층 더 내마모성이 요구되어, 2000년 6월에 플라이 애쉬용 플로우 컨베이어 체인(FA 사양)을 상품화했습니다.

이것은 부시 및 롤러의 외주에 특수 경화 처리를 실시하여 내마모성을 비약적으로 향상시킨 것입니다.

【BT사양과 플라이 애쉬용(FA 사양)의 비교】

【마모 비교】

■ BT사양

■FA 사양

질문으로 돌아가기
Q3 베어링롤러컨베이어체인이 왜 경제적인가?
A3

같은 크기의 범용 컨베이어 체인과 베어링롤러컨베이어체인의 가격을 비교하면 베어링롤러컨베이어체인이 더 높아집니다. 그러나 베어링롤러컨베이어체인은 다음과 같은 특징을 가지고 있으며, 그 결과 아래와 같은 부분에서 비용 절감을 도모하고 런닝 비용으로 큰 이점을 얻을 수 있습니다.

【베어링 롤러의 특징】

마찰계수가 작다

베어링롤러컨베이어체인은 부시 롤러 사이에 원통형 롤러를 삽입하여 구름 접촉으로 만듭니다. 따라서 범용 컨베이어 체인에 비해 롤러의 구름 마찰 계수가 1/3~1/6으로 저하됩니다.

이로 인해 체인에 걸리는 장력도 1/3~1/6으로 저하됩니다.

[구름 마찰 계수 (µ)]

  • 범용 컨베이어 체인
    급유 없음 μ = 0.13~0.18, 급유 있음 μ = 0.08~0.12
  • 베어링롤러컨베이어체인
    µ = 0.03

[클릭으로 확대]

롤러의 내하중이 크다

베어링 롤러의 롤러의 허용 하중은 범용 컨베이어 체인(R 롤러)에 비해 약 3배 커집니다.

수평 반송이나 약간의 기울기로의 반송은, 롤러의 허용 하중으로 체인 사이즈가 정해지는 경우가 많아, 1의 특징과 맞추어, 2 사이즈 소형의 컨베이어 체인이 사용 가능하게 됩니다.

유지 보수가 용이 · 롱 라이프

원통 베어링 (베어링) 들어가므로, 범용 컨베이어 체인의 일반 미끄럼 베어링 타입에 비해, 급유 시간을 5~10배로 연장할 수 있어 보전의 수고가 적어집니다.

게다가 부시와 롤러 사이의 마모 수명이 현저하게 향상됩니다.

샤크리를 일으키기 어렵다

롤러의 구름 마찰 계수의 변동이 적어, 샤크리를 일으키기 어려워집니다.

※샤크리에 대해서는, 「Q5.컨베이어의 샤크리의 원인과 대책은?」의 항을 참조해 주세요.

【코스트 메리트】

질문으로 돌아가기
Q4 400 ℃를 초과하는 조건에서는 어떤주의가 필요합니까?
A4

일반적으로 체인을 고온 분위기에서 사용하는 경우 다음이 문제가됩니다.

  1. (1) 경도의 저하에 의한 강도 저하
  2. (2) 신장의 증대 (크리프 파괴의 우려 있음)
  3. (3) 경도 저하 및 마찰 계수의 UP에 의한 마모의 증대
  4. (4) 열팽창이나 윤활을 실시하고 있는 경우는, 오일의 열화, 탄화에 의한 체인의 굴곡 불량

400℃를 넘는 경우는 스테인리스강을 사용해, 상기와 같은 문제점을 고려한 후에, 어플리케이션에 따른 체인의 선정, 설계를 실시합니다. 400℃ 이상에서의 사용에 관해서는 당사에 상담해 주십시오.

질문으로 돌아가기
Q5 컨베이어 샤크리의 원인과 대책은?
A5

샤크리란, 「서징」, 「스틱 슬립」등이라고도 불리는 자려 진동의 일종으로, 구동부가 연속 운전하고 있음에도 불구하고, 체인이 이동, 정지를 반복하는 현상을 말합니다.

일반적으로 컨베이어의 샤크리는 컨베이어 기장이 10m 이상이고 체인 속도가 15m/min 이하인 경우에 발생하기 쉬워집니다.

원인으로는 다음을 들 수 있습니다.

  1. (1) 부시, 롤러 사이의 마찰 계수의 변동
  2. (2) 체인의 강성 부족
  3. (3) 구동부, 프레임의 강성 부족

그 대책으로서는 다음과 같습니다.

  1. (1) 체인 속도를 올린다.
  2. (2) 컨베이어를 분할하고 기장을 짧게한다.
  3. (3) 큰 사이즈의 체인을 사용해, 프레임, 가이드류도 강화해 컨베이어 그 자체의 강성을 올린다.
  4. (4) 부시, 롤러 사이의 마찰계수를 작게 하여 안정시킨다. 이 방법에는 다음 두 가지가 있습니다.
    • 체인을 샤클리스 사양으로 해, 쯔바키 샤크릴리스 오일로 윤활한다.
    • 베어링롤러컨베이어체인을 채용.

(단, 체인 속도가 2m/min 이하가 될 때는 당사에 상담해 주십시오.)

질문으로 돌아가기
Q6 컨베이어 체인의 인계력은 얼마로 설정해야합니까?
A6

컨베이어 체인의 인장(테이크업)은, 너무 강해지지 않도록, 구동부 아래에서 적당한 처짐을 갖게 해 두는 것이 바람직한 사용법입니다. 그러나 다음과 같은 경우 체인 테이크업으로 체인의 처짐을 받아야합니다.

  1. (1) 컨베이어에서 위치 결정
  2. (2) 정역 운전이 자주
  3. (3) 반송측에서 체인이 밀고 마음대로 진행

일반적으로는, 육안, 손의 감촉으로 적당한 장력 상태를 조정 받으면 충분합니다만, 수치의 기준으로서는 아래와 같습니다.

【계산 방법】
· 체인 질량 … M (kg/m) X N (条数)
· 체인에 설치하는 슬랫과 지그 질량 … W (kg/m)
· 반송물질량 … m (kg/m)
· 축간 거리 … C (m)
· 체인 (또는 지그)과 레일의 마찰 계수
(체인의 리턴측 (아래쪽))
… µ
· 중력 가속도 … G ( = 9.80665m/s2)
  • 회전 방향 A의 경우 (정회전)
    인계력 : F ≧ { (MXN + W) XCX µ } XG/1000 X 2 X 1.2~1.5
  • 회전 방향 B의 경우 (역전)
    인계력 : F ≧ { (MXN + W + m) XCX µ } XG/1000 X 2 X 1.2~1.5

정역운전이 있는 경우는 「회전방향B의 경우(역전)」의 테이크업력으로 조정해 주십시오.

【주의】

  • 위의 F는 인계의 기준입니다. 컨베이어의 작동 상태를 보면서 조정하십시오.
  • 테이크업력을 가한 작용장력이 체인의 최대 허용 장력을 넘지 않게 하거나 적절한 안전율을 밑돌지 않도록 하십시오.
  • 체인의 과장은 마모를 촉진하고 수명을 줄입니다.
질문으로 돌아가기
Q7 체인 가이드 방법은?
A7

체인을 안내하는 방법의 예는 다음과 같습니다. 설계・구상의 참고에 이용해 주십시오.

  1. (1) 부쉬드체인 블록 체인

  2. (2) R 롤러, S 롤러 형 체인

  3. (3) F 롤러형 체인

질문으로 돌아가기
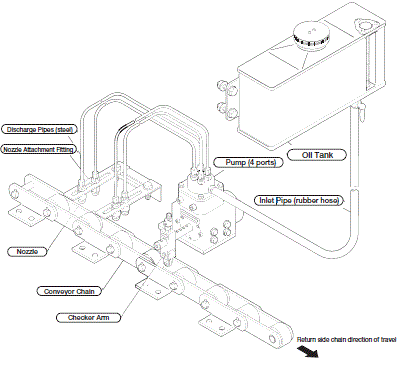
Q8 컨베이어 체인용 급유기(TCL형)의 수명은?
A8

수명은 아래의 2점이 가능합니다.

  1. (1) 본체 펌프

    과도한 사용으로 적정한 급유를 할 수 없게 된 시점.

  2. (2) 체커 암은, 선단 롤러가 마모해 체커 암 본체가 체인의 롤러와 간섭하기 시작한 시점.

    통상은, (2) 쪽이 먼저 수명이 됩니다.

    교환용 체커 암을 준비하고 있으므로, 부품 교환해 주십시오.

    체커 암의 팁 롤러는 연속 작동 시 마모 손상이 상당히 빨라집니다. 필요한 양의 급유가 끝나면 오일 탱크의 수탉으로 급유를 중지하고 오른쪽 그림과 같이 체커 암이 체인과 접촉하지 않도록하십시오.

    또한, 마모성이 높은 분진 등의 분위기하에서는 마모가 현저하게 진행되므로 주의해 주십시오.

질문으로 돌아가기
Q9 컨베이어 체인 급유기 (TCL 형)는 경사 컨베이어에도 설치할 수 있습니까?
A9

경사부에 설치하면 기름의 토출 불량이 발생할 수 있습니다. 컨베이어 체인용 급유기의 본체는 수평부에 설치해 주십시오.

질문으로 돌아가기