Japan

KO

쯔바키 산업용 기계제품 정보 사이트

쯔바키의 위신이 만들어낸 미니어처 체인 엡실론 체인 스테인리스 사양

엡실론 체인 스테인리스 사양

극소 공간에서의 동력 전달에 곤란하지 않습니까?

소형화·고성능화를, 「엡실론 체인 스테인리스 스틸 규격」이 가능하게 합니다.

「엡실론 체인 스테인리스 스틸 규격」은 정밀한 부품 제작 기술과 조립 기술에 의해 세계 최소 사이즈를 실현한 롤러 체인입니다.

확실한 동력 전달, 위치 결정 정밀도, 컴팩트 한 굴곡성 등에서 롤러 체인을 채용하고 싶어도 공간의 문제로 배운 적이 있습니까?

「엡실론 체인 스테인리스 스틸 규격」이라면, 지금까지 체인에 의한 동력 전달을 검토할 수 없었던 컴팩트한 레이아웃에도 대응이 가능합니다.

물론, 종래의 체인의 사이즈 다운도 가능하므로, 어플리케이션의 소형화에도 공헌합니다.

↑ 동영상 재생

엡실론 체인 스테인리스 사양
세 가지 가치

1. 세계 최소 크기

세계 최소 사이즈

[클릭으로 확대]

체인 피치 1.905mm의 세계 최소 롤러 체인을 실현.

높이·전폭·질량도 종래품과 일선을 획해, 경이적인 공간 절약으로의 전동을 가능하게 했습니다.

2. 충분한 강도를 확보

충분한 강도 확보

[클릭으로 확대]

체인은 작아도 인장 강도는 0.36kN.

쯔바키가 가지는 코어 테크놀로지를 아낌없이 투입해, 작아도 강한 하이스펙인 체인이 완성.

일반적으로 소형 체인은 롤러가 없는 부쉬드체인 이지만, 롤러가 있는 구조를 고집했습니다.

스프로킷을 비롯한 주변 부품의 장수명화에 공헌합니다.

3. 부식 환경에 대응

부식 환경에 대응

다양한 환경에서 오랫동안 사용하고 싶기 때문에 재질에는 스테인리스를 채용.

세척 등 물이 닿는 환경에서도 사용할 수 있습니다.

소형 전동 부품과의 비교

세계 최소 사이즈를 실현한 것으로, 종래의 체인에서는 적합하지 않은 용도나, 벨트 와이어로부터의 치환에도 대응 가능합니다.

체인의 강점

  • 확실한 동력 전달
    마찰로의 동력 전달과 달리, 맞물림 전동인 것입니다 미끄러지지 않습니다.
  • 압출 용도로 사용 가능
    강성이 높기 때문에 정역 운동시에도 "편향"이 어렵습니다.
  • 컴팩트한 굴곡
    와이어 로프나 벨트의 심선과 같이 굴곡에 의한 변형이나 단선의 우려가 없습니다.

엡실론
체인

엡실론 체인

작은 피치
치아
벨트

작은 피치 치아 벨트

소경의
철사
로프

작은 직경의 와이어 로프
소형
인장 강도 -
위치 결정
정밀도
X
돌출
용도
X X
설치장력
설정
○(불필요) X(필요) -

"엡실론 체인 스테인리스 스틸 규격"은 컴팩트하게 감을 수 있어 좁고 복잡한 구조에서도 사용할 수 있습니다.

치아가 달린 벨트나 와이어 로프를 걸리는 풀리에는 탈락을 막기 위한 플랜지가 필요하고, 피치 원 직경 방향의 공간이 커집니다.

약 7.6mm
소형

용도 예

체인의 사이즈 다운에 의해, 다양한 어플리케이션의 소형화・경량화를 실현합니다.

또한 백래시가 작아져 조작 정밀도 향상에도 기대할 수 있습니다.

내시경 장치의 조작부

내시경 장치의 조작부

기타 애플리케이션

엔드 이펙터

엔드 이펙터

농작물 수확 로봇

농작물 수확 로봇

어시스트 슈트

어시스트 슈트

의수

의수

사양

엡실론 체인 스테인리스 사양

상품명

엡실론 체인 스테인리스 사양

사양

치수도
품명 피치
P
롤러 직경
R
안쪽 링크
내부 폭
W
플레이트
두께
T

H

h
RS6-ESS-1 1.905 1.19 1.27 0.25 1.81 1.56
최소 인장 강도
kN{kgf}
개략 질량
kg/m
1 유닛
링크 수
직경 D L1 L2
0.596 1.4 2.1 0.36
{37}
0.017 532

형번 표시 예

RS6 - ESS - 1 - RP + 151L - RR
사이즈 사양 열수 본체

형식
링크 수 단말
기호

주)

  • 1 본상품은 매우 작은 체인이며, 종래의 사이즈의 체인과는 취급상에서 다른 점이 많이 있습니다. 드라이브체인 & 스프로킷 카탈로그의 기술 노트 게재 정보나, 쯔바키 산업용 기계제품 정보 사이트의 기술자료는 본 상품에는 적응하지 않는 항목도 있으므로, 선정 및 취급에 대해서는 당사에 문의해 주세요.
  • 2 플레이트에 각인 없습니다.
  • 3핀에 체결은 하고 있지 않습니다.
  • 4 연결 링크의 설치는 용이하지 않기 때문에, 연결 링크의 사용은 추천하고 있지 않습니다.
  • 5 오프셋 링크가 없습니다.
  • 6 1 유닛을 넘는 긴 편성에는 대응하고 있지 않습니다.
  • 7 짝수 링크의 경우는 외부 링크를 이용한 엔드리스 편성으로 합니다. (연결 링크는 사용하고 있지 않습니다.) 단, 80 링크 미만의 경우는 연결 링크를 이용한 엔드리스 편성으로 합니다. 엔드리스 편성에 대해서는 당사에 문의해 주십시오. 홀수 링크의 경우는 양단 안쪽 링크로 합니다.
    상기 이외의 편성을 요망되는 경우는 상담해 주십시오.

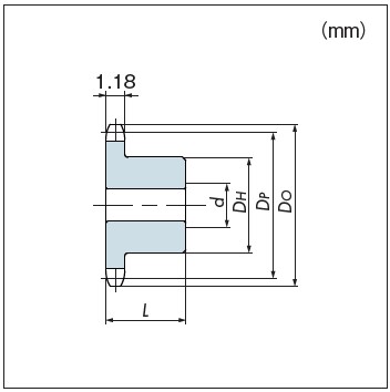
치수도

시리즈

엡실론 체인 스테인리스 사양 전용
스프로킷

사양

치수도
형번  잇수 피치원
지름
D P
외경
Do
축 구멍 직경
d
허브 개략
질량
g
지름
D H
길이
L
RS6-1B9T-ESS 9 5.57 6.3 2 3 3.5 0.2
RS6-1B15T-ESS 15 9.16 10.1 2 6 5 1.4
RS6-1B21T-ESS 21 12.78 13.7 4 10 6 3.1

주)

  • 1 최소 잇수는 9입니다. 상기 표 이외의 사양에 대해서도 제작 검토하므로 문의해 주십시오.
  • 2. 축 내경 가공이 완료되었습니다. 축 고정 방식에 대한 자세한 사항은 문의해 주십시오. 요청 사항은 개별적으로 검토하여 처리해 드리겠습니다.
  • 3 내마모성을 향상시키는 표면 처리도 있으므로 문의해 주십시오.