기술자료 직선 작동기 파워실린더
결선(U 시리즈)
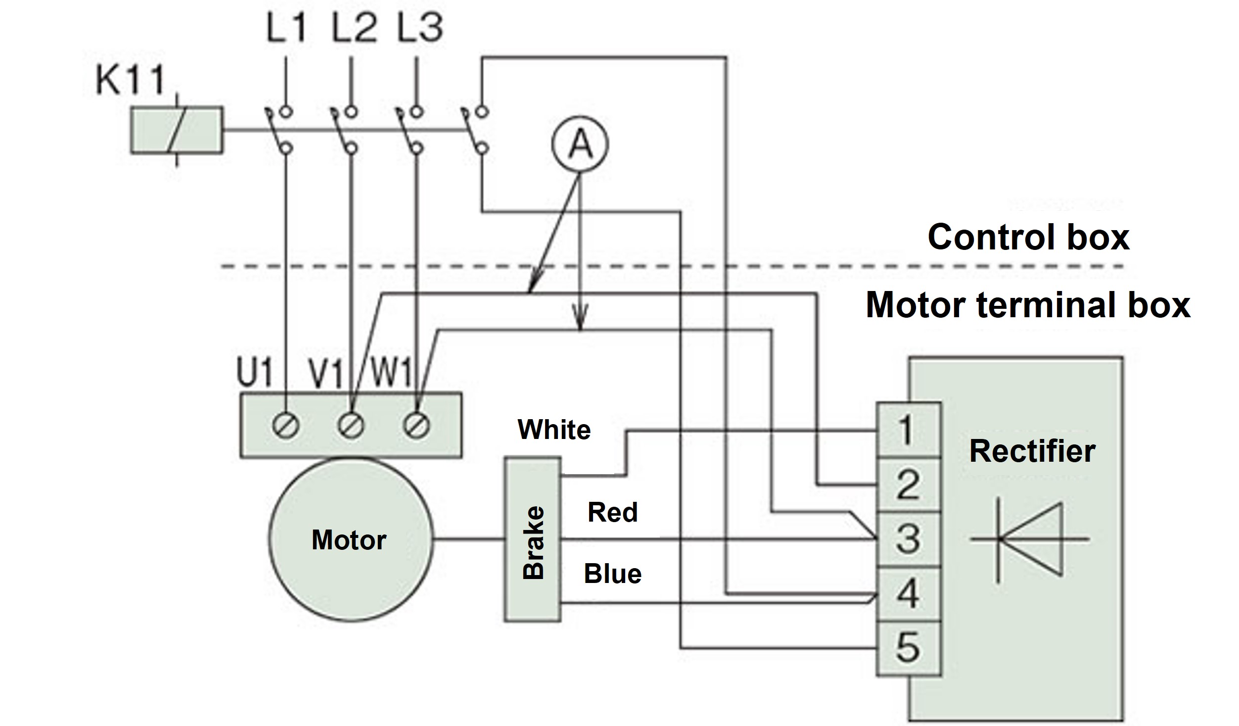
브레이크 부착 모터의 결선(직류 브레이크 부착 모터)
0.75~3.7kW
브레이크 전원 동시차단 (출하시)
200V 사양
400V 사양
브레이크 교류 별도차단 (※ 2.2kW, 3.7kW는 직류 별도차단도 가능합니다)
200V 사양
400V 사양
※단자대 나사 사이즈 0.75~3.7kW:M4[체결 토크 1.2N·m{0.12kgf·m}]
5.5kW~15kW
브레이크 교류· 직류 별도차단 (출하 시)
200V/400V 공통
※인버터 구동이 가능합니다.
200V/400V 공통
※인버터 사용시의 오배선을 막기 위해서, 전원선 A는 결선하고 있지 않습니다.
고객이 준비한 후 결선하십시오.
※단자대 나사 사이즈 5.5kW・7.5kW:M5[체결 토크 2.0N·m{0.2kgf·m}]/11kW·15kW:M8[체결 토크 6.0N·m{0.61kgf·m}]
로드 작동 방향
위의 결선도의 경우 로드 작동 방향은 다음과 같습니다.
DC 모듈은 터미널 박스에 내장되어 출하됩니다.
| 로드 작동 방향 | LPU6000S、L、M、H LPU8000S、L、M LPU12000L、M LPU16000L LPU50000L、M、H |
LPU8000H LPU12000H LPU16000M、H LPU22000L、M、H LPU32000L、M、H |
|---|---|---|
| 로드 전진 | 로드 후퇴 |
인버터 사용시의 결선방법
- 1. 인버터로 모터를 운전되는 경우는 브레이크를 분리할 필요가 있으므로, 전항에 나타낸 바와 같이 쇼트 피스를 분리하고, 브레이크용 DC 모듈 에는 인버터 출력이 아닌 통상의 전원 전압을 가해 주십시오.
- 2.200V급의 브레이크용 전자 접촉기에는 정격 부하 AC250V, 7A 이상의 것을 사용해 주십시오.
또한, 400V급의 경우는 접점 전압 AC400~440V, 유도 부하 1A 이상의 것(예를 들어, AC 모터 2.2kW용 전자 접촉기)을 사용해 주십시오. DC 모듈 에는 서지 흡수 보호 소자가 들어 있습니다. 각부 접점용 보호소자를 필요에 따라 추가해 주십시오. - 3.브레이크를 [직류(DC) 별개]되는 경우에는 상담해 주십시오.
※특수 사양의 경우, 결선이 다른 경우가 있으므로, 납입 도면을 확인해 주십시오.
