기술자료 감속기 웜 감속기 모터 사양
브레이크
1. 브레이크 특성
| 모터 출력 | 삼상 | 0.1kW | 0.2kW | 0.4kW | 0.75kW | 1.5kW | 2.2kW | 3.7kW | 5.5kW |
|---|---|---|---|---|---|---|---|---|---|
| 브레이크 형번 | 삼상 200V | SLB01 | SLB02 | SLB04 | SLB07E | SLB15 | SLB22 | VNB371K NB-31190 | VNB55KE |
| 삼상 400V | SLB01 | SLB02 | SLB04V | SLB07E 180V | SLB15 180V | SLB22 180V | VNB371KV NB-31192 | VNB55KE | |
| DC 모듈 형번 |
삼상 200V | DM200D | DM200D | PM180B | |||||
| 삼상 400V | DM400D | ||||||||
| 정격 토크 | 정마찰 토크 N・m | 0.98 | 1.96 | 3.92 | 7.35 | 15 | 22 | 37 | 55 |
| {kgf・m} | 0.1 | 0.2 | 0.40 | 0.75 | 1.50 | 2.20 | 3.77 | 5.61 | |
| 동 마찰 토크 N·m | 0.78 | 1.57 | 3.14 | 5.88 | 12.0 | 17.6 | 29.6 | 44 | |
| {kgf・m} | 0.08 | 0.16 | 0.32 | 0.60 | 1.20 | 1.79 | 3.02 | 4.48 | |
| 전압 | 삼상 200V | DC90V | DC90V | 순간 180V 항상 50V |
|||||
| 삼상 400V | DC180V | ||||||||
| 현재 at20 ℃ A |
삼상 200V | 0.178 | 0.178 | 0.232 | 0.273 | 0.289 | 0.289 | 0.261 | 0.253 |
| 삼상 400V | 0.142 | 0.145 | 0.145 | 0.135 | |||||
| 용량 | at 20 ℃ W | 16.0 | 16.0 | 20.9 | 24.6/25.5 | 26.0/26.1 | 26.0/26.1 | 26.1/26.1 | 12.6/40.7 |
| 초기 갭 mm | 0.15 ~ 0.20 | 0.15 ~ 0.20 | 0.15 ~ 0.20 | 0.15 ~ 0.20 | 0.15 ~ 0.20 | 0.15 ~ 0.20 | 0.3 | 0.35 | |
| 한계 갭 mm | 0.5 | 0.5 | 0.5 | 0.5 | 0.5 | 0.5 | 1.2 | 1.2 | |
| 관성 모멘트 kg·m 2 | 0.02×10-3 | 0.04×10-3 | 0.04×10-3 | 0.11×10-3 | 0.21×10-3 | 0.50×10-3 | 0.50×10-3 | 1.70×10-3 | |
| GD2 kgf ・m2 | 0.10×10-3 | 0.15×10-3 | 0.15×10-3 | 0.44×10-3 | 0.80×10-3 | 2.00×10-3 | 2.00×10-3 | 6.8×10-3 | |
| 총 제동 작업량 J {kgf·m} |
1.31×108 | 1.85×108 | 1.85×108 | 3.66×108 | 3.73×108 | 3.73×108 | 13.5×108 | 24.7×108 | |
| 1.34×107 | 1.89×107 | 1.89×107 | 3.73×107 | 3.81×107 | 3.81×107 | 13.8×107 | 25.2×107 | ||
| 허용 시작 빈도 | 10회/분 | ||||||||
| 제동 지연 시간 S(참고값) |
교류 동시차단 | 0.18 ~ 0.25 | 0.15 ~ 0.21 | 0.14 ~ 0.17 | 0.20 ~ 0.24 | 0.30 ~ 0.45 | 0.30 ~ 0.45 | 0.50 ~ 0.70 (0.40 ~ 0.60) |
- |
| 교류 별도차단 | 0.11 ~ 0.18 | 0.09 ~ 0.12 | 0.06 ~ 0.09 | 0.10 ~ 0.13 | 0.10 ~ 0.13 | 0.10 ~ 0.13 | 0.20 ~ 0.40 | - | |
| 교류 별도제어 | 0.11 ~ 0.18 | 0.09 ~ 0.12 | 0.06 ~ 0.09 | 0.10 ~ 0.13 | 0.10 ~ 0.13 | 0.10 ~ 0.13 | 0.20 ~ 0.40 | 0.03 ~ 0.05 | |
| 직류 별도차단 | 0.05 ~ 0.07 | 0.04 ~ 0.06 | 0.03 ~ 0.05 | 0.04 ~ 0.06 | 0.01 ~ 0.06 | 0.01 ~ 0.06 | - (0.02 ~ 0.04) |
- | |
- 주1) 정격 토크는 마무리 후의 정마찰 토크·동마찰 토크를 나타냅니다.
- 주2) 제동 지연 시간은 참고값이며, 브레이크의 상태·사용 조건·개체차 등에 따라 다를 수 있습니다. 제동 지연 시간을 짧게 하고 싶은 경우(승강 장치 등)는 직류 별도차단를 권장합니다.
- 주3) 전류, 용량은 200V시/400V시의 값입니다.
2. 정류기(DC 모듈)
DC 모듈은 내장되어 있으며 모터 리드선과 연결되어 있습니다. 직류 별도차단 회로를 채용되는 경우에는 주문시에 지시하시거나 이쪽의 결선도에 따라 접속해 주십시오.
제어반 내에 사용되는 등 DC 모듈을 별도 납품으로 필요한 경우는 주문시에 지시해 주십시오.
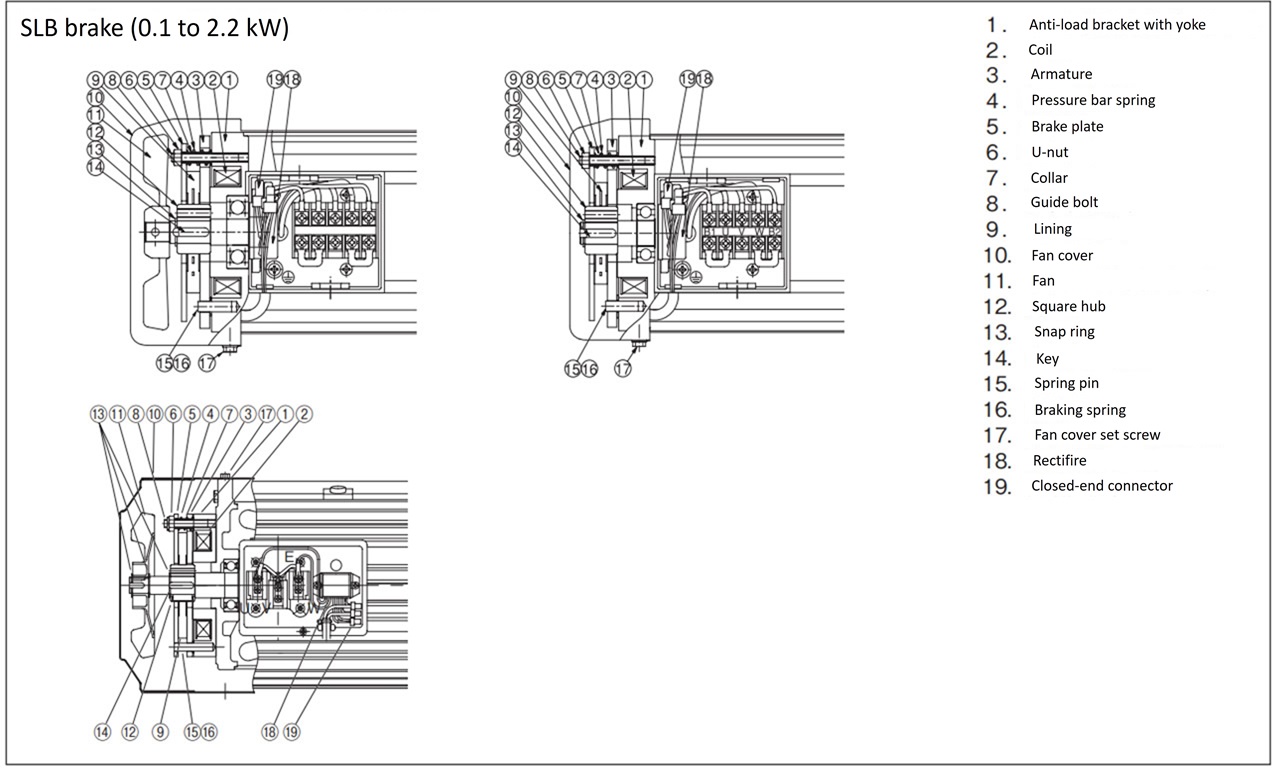
3. 브레이크부 구조
※수동 해방[표준 장비:0.1kW~2.2kW]
- ・출력축에 부하가 작용하지 않은 상태로 해방 조작을 해 주십시오.
- · 팬 커버를 제거하고 나사를 설치하십시오.
- ・작업 종료 후, 반드시 나사를 풀고 팬 커버를 설치한 후 운전을 시작해 주십시오.

주) 1.5kW, 2.2kW는 M6 나사입니다.
