기술자료 감속기 웜 감속기 모터 사양
결선
1. 회전 방향
| 모터 용량 | 연결 | 회전 방향 | 연결 | 회전 방향 |
|---|---|---|---|---|
| 0.1kW ~ 5.5kW |
![]() |
![]() |
![]() |
![]() |
2. 브레이크 부착 모터의 결선
- ・표준품은 교류 동시차단으로 출하하고 있습니다.
- ・결선에 따라 응답시간이 다르므로, 아래 그림 참고 후 용도에 따라 선택해 주십시오.
| 용도 | 삼상 200V | 삼상 400V | |||
|---|---|---|---|---|---|
| 0.1kW ~ 5.5kW | 0.1kW ~ 0.4kW | 0.75kW ~ 3.7kW | 5.5kW | ||
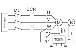
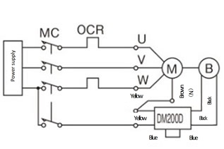
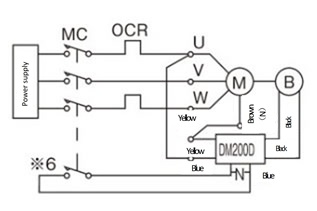
| 교류 동시차단 |
|
5.5kW만 PM180B입니다. |
![]() |
![]() |
- |
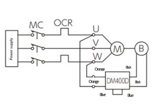
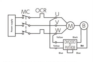
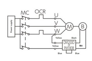
| 교류 별도차단 |
|
5.5kW만 PM180B입니다. |
![]() |
![]() |
- |
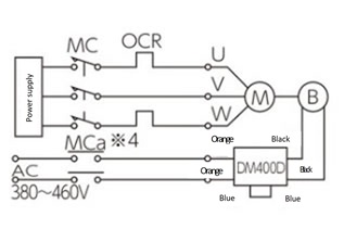
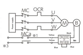
| 교류 별도제어 |
|
※3인부의 브레이크의 공급 전압은, 0.1kW・0.2kW는 AC200V~AC254V |
주·폐단 접속자로 배선하고 있는 차(N)는 단자대에서 반드시 절연해 주십시오. |
![]() |
![]() |
| 직류 별도차단 |
|
PM180B는 직류 차단할 수 없습니다. |
![]() |
![]() |
- |
- M: 모터
- B: 브레이크
- MC: 전자기 접촉기
- MCa: 보조 계전기
- OCR : 과전류 계전기 DM200D, PM180B, DM400D
- -N-:보호소자(바리스터)
- 주1) 브레이크 전압은 DC90V입니다. (DM200D 및 PM180B에 AC200V 입력시)
- 주2) 직류 별도차단로 사용하는 경우는 배선의 길이·배선의 방법·릴레이의 종류 등에 의해 브레이크용 전원 모듈이 파손되는 경우가 있으므로 직류 별도차단 용 단자 사이에 배리스터를 접속해 주십시오. 브레이크용 전원 모듈 근처(파란 리드선부)에 접속하는 편이 효과적입니다. 구체적인 배리스터의 형번 아래와 같습니다만, 상당품의 배리스터에서도 사용 가능합니다. 배리스터 전압은 DM200D는 470V의 것을 선정해 주십시오. (DM400D는 배리스터 내장형이므로 외부에 설치 불필요합니다)
상품명 제조업체 형번 DM200D 때 서지 업소버 파나소닉 (주) ERZV14D471 세라믹 바리스타 니폰케미콘 TND14V-471KB00AAA0 - 주3)※1의 보조 계전기(MCa)는 접점 용량 AC200V7A 이상(저항 부하)의 것을 사용해 주십시오.
※2에 MC의 보조 접점 또는 보조 계전기를 사용하는 경우는 접점 용량 AC200V10A 이상(저항 부하)으로 해 주십시오. - 주4)※4의 보조 계전기(MCa)는 접점 전압 AC400~440V 유도 부하 1A 이상의 것을 사용해 주십시오.
- 주5)※5의 보조 계전기 (MCa)는 접점전압 AC400~440V 유도부하 1A 이상의 것을 직렬로 2개 또는 3개 접속하여 사용해 주십시오.












