기술자료 감속기 소형 기어 모터 모터 사양

결선·회전 방향

1.결선

3상 모터 부착(40W ~ 5.5kW) 단상 모터 부착(40W ~ 90W)
결선 결선 결선 결선
A B A B

주) 단상 모터는 콘덴서 시동 방식입니다. 콘덴서는 제품에 첨부되어 있으므로 결선하여 사용해 주십시오.

2.회전 방향

아래 그림 화살표는 연결 A의 경우 출력축에서 본 회전 방향을 나타냅니다.

연결 B의 경우 화살표와 반대 방향으로 회전합니다.

기어 모터

2단 감속
結線図
3단 감속
結線図

하이포이드 모터

2단・4단 감속
結線図
3단 감속
結線図

클로제 모터

CSMA 시리즈
結線図
HCMA 시리즈
結線図

하이포이드 모터 미니

2단 감속
結線図
3단 감속
結線図

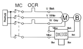
브레이크 부착 모터의 결선

1. 200V급: 0.1kW ~ 5.5kW [기어 모터, 하이포이드 모터, 클로제 모터]

  • ・표준품은 교류 동시차단으로 출하하고 있습니다.
  • ・결선에 따라 응답시간이 다르므로, 아래 그림 참고 후 용도에 따라 선택해 주십시오.
용도 기어 모터, 하이포이드 모터, 클로제 모터
삼상 200V
0.1kW ~ 0.55kW
삼상 200V
0.75kW ~ 3.7kW
삼상 200V
5.5kW
교류 동시차단
  • ・일반용
  • ・표준 출하 사양
結線図 結線図 結線図
교류 별도차단
  • ・정지 시간을 짧게 하고 싶은 경우
結線図 結線図 結線図
교류 별도제어
  • ・인버터용

    (인버터는 MC부에 배치해 주십시오)

  • ・브레이크를 별도 조작하는 경우

※3인장부의 브레이크의 공급 전압은,
0.1kW・0.2kW는 AC200V~AC254V
0.4kW・0.55kW는 AC200V~AC220V
하십시오.

※3인장부의 브레이크의 공급 전압은,
0.75kW・3.7kW는 AC200V~AC220V
1.5kW・2.2kW는 AC200V~AC230V
하십시오.

結線図
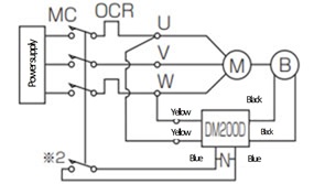
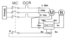
직류 별도차단
  • ・정지 정밀도가 요구되는 경우

    (승강 장치 등)

結線図 結線図 -
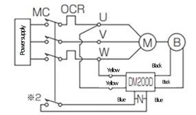
  • M: 모터
  • B: 브레이크
  • MC: 전자기 접촉기
  • MCa: 보조 계전기
  • OCR: 과전류 계전기
  • DM200D, PM180B: DC 모듈
  • -N-:보호소자(바리스터)
  • 주1) 브레이크 전압은 DC90V입니다. (DM200D 및 PM180B에 AC200V 입력시)
  • 주2) 직류 별도차단로 사용하는 경우는 배선의 길이·배선의 방법·릴레이의 종류 등에 의해 브레이크용 전원 모듈이 파손되는 경우가 있으므로 직류 별도차단 용 단자 사이에 배리스터를 접속해 주십시오. 브레이크용 전원 모듈 근처(파란 리드선부)에 접속하는 편이 효과적입니다. 구체적인 배리스터의 형번 아래와 같습니다만, 상당품의 배리스터에서도 사용 가능합니다. 배리스터 전압은 DM200D는 470V의 것을 선정해 주십시오.
    상품명 제조업체 형번 
    DM200D 때
    서지 업소버 파나소닉 (주) ERZV14D471
    세라믹 바리스타 니폰케미콘 TND14V-471KB00AAA0
  • 주3)※1의 보조 계전기(MCa)는 접점 용량 AC200V7A 이상(저항 부하)의 것을 사용해 주십시오.
    ※2에 MC의 보조 접점 또는 보조 계전기를 사용하는 경우는 접점 용량 AC200V10A 이상(저항 부하)으로 해 주십시오.

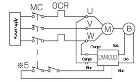
2. 400V급: 0.1kW ~ 5.5kW [기어 모터, 하이포이드 모터, 클로제 모터]

  • ・표준품은 교류 동시차단으로 출하하고 있습니다. (※5.5kW에 대해서는 별도 상담해 주십시오)
  • ・결선에 따라 응답시간이 다르므로, 아래 그림 참고 후 용도에 따라 선택해 주십시오.
용도 기어 모터, 하이포이드 모터, 클로제 모터
삼상 400V
0.1kW ~ 0.55kW
삼상 400V
0.75kW ~ 3.7kW
삼상 400V
5.5kW
교류 동시차단
  • ・일반용
  • ・표준 출하 사양
結線図 結線図 -
교류 별도차단
  • ・정지 시간을 짧게 하고 싶은 경우
  • ・진상 콘덴서를 설치하는 경우
結線図 結線図 -
교류 별도제어
  • ・인버터용

    (인버터는 MC부에 배치해 주십시오)

  • ・브레이크를 별도 조작하는 경우
結線図

주:폐쇄 접속자로 배선하고 있는 차(N)는 단자대에서 반드시 절연해 주십시오.
또한 변압기를 사용하십시오. DC 모듈에 입력하는 경우는 하기 용량의 트랜스를 사용해 주십시오.
0.1kW ~ 0.55kW: 60VA
※1 인부의 브레이크의 공급 전압은,
AC200V~AC254V로 해 주십시오.
브레이크 400V 직접 입력 사양도 준비하고
있습니다.

結線図

0.75kW・3.7kW는 AC380V~AC440V
1.5kW・2.2kW는 AC380V~AC460V

結線図
직류 별도차단
  • ・정지 정밀도가 요구되는 경우

    (승강 장치 등)

結線図 結線図 -
  • M: 모터
  • B: 브레이크
  • MC: 전자기 접촉기
  • MCa: 보조 계전기
  • OCR: 과전류 계전기
  • DM200D, DM400D, PM180B: DC 모듈
  • -N-:보호소자(바리스터)
  • 주1) 브레이크 전압은 DC90V입니다. (DM200D에 AC200V 입력시)
  • 주2) 직류 별도차단로 사용하는 경우는 배선의 길이·배선의 방법·릴레이의 종류 등에 의해 브레이크용 전원 모듈이 파손되는 경우가 있으므로 직류 별도차단 용 단자 사이에 배리스터를 접속해 주십시오. 브레이크용 전원 모듈 근처(파란 리드선부)에 접속하는 편이 효과적입니다. 구체적인 배리스터의 형번 아래와 같습니다만, 상당품의 배리스터에서도 사용 가능합니다. 배리스터 전압은 DM200D는 470V의 것을 선정해 주십시오. (DM400D는 배리스터 내장형이므로 외부에 설치 불필요합니다)
    상품명 제조업체 형번 
    DM200D 때
    서지 업소버 파나소닉 (주) ERZV14D471
    세라믹 바리스타 니폰케미콘 TND14V-471KB00AAA0
  • 주3) 5.5kW용 DC 모듈 PM180B는 부속 출하품이 되므로 고객의 배선이 필요합니다. 치수도는 이쪽에 게재하고 있습니다.
  • 주4)※2의 보조 계전기 (MCa)는 접점 용량 AC200V7A 이상(저항 부하)의 것을 사용해 주십시오.
    ※3에 MC의 보조 접점 또는 보조 계전기를 사용하는 경우는 접점 용량 AC200V10A 이상(저항 부하)으로 해 주십시오.
    ※4의 보조 계전기 (MCa)는 접점 전압 AC400~440V 유도 부하 1A 이상의 것을 사용해 주십시오.
    ※5의 보조 계전기 (MCa)는 접점 전압 AC400~440V 유도 부하 1A 이상의 것을 직렬로 2개 또는 3개 접속하여 사용해 주십시오.

3. 40W, 60W, 90W [하이포이드 모터 루미니시리즈]

  • ・표준품은 교류 동시차단으로 출하하고 있습니다.
  • ・결선에 따라 응답시간이 다르므로, 아래 그림 참고 후 용도에 따라 선택해 주십시오.
용도 삼상 모터 표준 전압
200V급
삼상 모터 배전압
400V급
단상 모터
100V
교류 동시차단
  • ・일반용
  • ・표준 출하 사양
結線図 結線図 結線図
교류 별도차단
  • ・정지 시간을 짧게 하고 싶은 경우
  • ・진상 콘덴서를 설치하는 경우
結線図 結線図 結線図
교류 별도제어
  • ・브레이크를 별도 조작하는 경우
  • 주: 보조 계전기 MCa는 정격 부하 AC200V7A 이상의 것을 사용해 주십시오.

結線図 結線図

주: 폐쇄 접속자로 결선되어 있는 N부를 절단하고 반드시 N부를 절연해 주십시오.
또한 트랜스를 사용하여 200V 전압을 DC 모듈에 입력하는 경우는 60VA 이상의 용량의 트랜스를 사용해 주십시오.

結線図
직류 별도차단
  • ・승강장치 및 정지정도가 요구되는 경우
  • 주:*표시의 설정 용량은 AC200V10A 이상의 것을 사용해 주십시오.

結線図 結線図 結線図
  • M: 모터
  • B: 브레이크
  • MC: 전자기 접촉기
  • MCa: 보조 계전기
  • OCR: 과전류 계전기
  • C:콘덴서(부속품)
  • DM200D, DM100A: DC 모듈
  • -N-:보호소자(바리스터)
  • 주1) 결선 후 전원 투입 전에 DC 모듈의 리드선은 반드시 황색(또는 적색)이 전원측, 흑색이 브레이크측이 되어 있는지 확인해 주십시오.
  • 주2) DC 모듈은 다이오드를 내장하고 있으므로, 잘못된 결선에 의해 단락시키면 DC 모듈이 파손됩니다.
  • 주3) 각부 접점에는 보호소자를 필요에 따라 추가해 주십시오.
  • 주4) 인버터 사용시에는 교류 별도제어 이외의 회로에서 사용하지 마십시오.
  • 주5) 직류 별도차단로 사용하는 경우는 배선의 길이·배선 방법·릴레이의 종류 등에 의해 브레이크용 전원 모듈이 파손되는 경우가 있으므로, 직류 별도차단 용 단자 사이에 배리스터를 접속해 주십시오. 브레이크용 전원 모듈 근처(파란 리드선부)에 접속하는 편이 효과적입니다. 구체적인 배리스터의 형번 아래와 같습니다만, 상당품의 배리스터에서도 사용 가능합니다. 배리스터 전압은 DM200D는 470V를 선정해 주십시오.
    상품명 제조업체 형번 
    DM100A, DM200D 때
    서지 업소버 파나소닉 (주) ERZV14D471
    세라믹 바리스타 니폰케미콘 TND14V-471KB00AAA0
  • 주6) 단상 모터 운전용 콘덴서
    40W: 15μF, 60W: 18μF, 90W: 27μF(모두 내압 220V).
  • 주7) 단상 200V에 대해서는 문의해 주십시오.

※모터 발열

모터의 운전 중에는 모터의 내부 손실은 모두 열이 되고 모터는 발열합니다.

특히 단상 콘덴서 런형 모터에 대해서는 부하율이 낮은 경우는 발열이 높고, 조건에 따라서는 운전중에 모터 외피로 90℃를 넘는 경우도 있지만, 이상이 아닙니다.

부주의하게 모터를 만지거나 가연물을 가까이에 두면, 불의의 사고를 초래하는 경우도 있으므로 충분히 주의해 주십시오.