기술자료 대형 컨베이어 체인 선정
9. 체인에 작용하는 장력의 계산 방법
운행 중에 컨베이어 체인에 작용하는 정적 최대 장력 Tmax는 표 3에서 계산할 수 있습니다.
또한 표 3의 체인 장력 T의 식은 질량 M(중량)×마찰 계수를 기본으로 컨베이어 전체의 장력을 구하고 있습니다.
고속 컨베이어에 있어서 급 기동, 급정지하는 경우나 푸셔 컨베이어 등으로 반송물을 급격하게 움직이는 경우에는 관성력이 매우 커집니다. 이 경우에는 관성력을 고려하여 체인장력, 소요동력을 구하십시오.
계산식은 SI 단위와 중력 단위를 병기합니다. 중력 단위로 장력 T를 계산하는 경우, 중력 단위의 중량(kgf)은 SI 단위의 질량(kg)과 동일한 수치입니다.
9.1 용어 설명
| SI 단위 | 중력 단위 | ||
|---|---|---|---|
| TMAX | 체인에 작용하는 정적 최대 장력 | kN | {kgf} |
| T'MAX | 보정 체인 장력 | kN | {kgf} |
| T | 체인에 작용하는 정적 장력 | kN | {kgf} |
| Q | 가능한 최대 이송량 | t/h | {tf/h} |
| V | 반송 속도(체인 속도) | m/min | m/min |
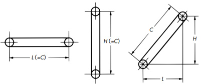
| H | 스프로킷 중심 거리 (수직 방향) | m | m |
| L | 스프로킷 중심 거리 (수평 방향) | m | m |
| C | 스프로킷 중심 거리 | m | m |
| M | 운행부의 질량 {중량} (체인×조수, 버킷, 앞치마 등의 질량 {중량}) |
kg/m | {kgf/m} |
| f1 | 체인과 가이드 레일의 마찰 계수 (표 5, 표 6) | ||
| f2 | 반송물과 바닥판, 측판과의 미끄럼 마찰 계수(표 7) | ||
| f | 직접 올릴 때 f = 1 긁어 운반 할 때 f = f2 / f1 | ||
| g | 중력 가속도 9.80665m/s 2 | ||
| W | 반송 물질량 {중량} 벌크자재 W=16.7 주 ×Q/V {W=16.7×Q/V} 개수자재 W=반송물질량(kg/개)/적재간격(m) {W=반송물 중량(kgf/개)/적재 간격(m)} |
kg/m | {kgf/m} |
주) 벌크자재가 체인 1m당 적재되어 있는 질량(중량)으로 환산하는 계수 16.7=1000/60
※정역 운전을 자주 실시하는 경우는 테이크업에 의해 체인의 처짐을 취할 필요가 있으므로, 아래와 같은 계산식과는 다릅니다.
테이크업으로 체인의 처짐을 취하는 경우는, 이쪽의 Q&A6의 계산식을 사용해 주세요.
9.2 체인 장력 계산 (표 3)
| SI 단위 | {중력 단위} | |||||||||||||||||||||||||||||||||||||||||||||||||||||
|---|---|---|---|---|---|---|---|---|---|---|---|---|---|---|---|---|---|---|---|---|---|---|---|---|---|---|---|---|---|---|---|---|---|---|---|---|---|---|---|---|---|---|---|---|---|---|---|---|---|---|---|---|---|---|
|
수평 이송
T1 = 1.35 ※1 × M × L1 × g 1000 ......kN T2 = ( L - L1) × M × f1 × g 1000 + T1 ......kN T3 = 1.1 ※2 × T2 ......kN TMAX = (W × f + M ) × L × f1 × g 1000 + T3 ......kN T1 = 1.35 × M × L1 ......{kgf} T2 = ( L - L1) × M × f1 + T1 ......{kgf} T3 = 1.1 × T2 ......{kgf} TMAX = (W × f + M ) × L × f1 + T3 ......{kgf}
|
||||||||||||||||||||||||||||||||||||||||||||||||||||||
|
수평 이송
T1 = 1.35 × M × L1× g 1000 + 0.1※ × M × L × g 1000 ......kN T2 = 1.1 × T1 ......kN TMAX = (W × f + M) × L × f1 × g 1000 + T2 ......kN T1 = 1.35 × M × L1 + 0.1※ × M × L ......{kgf} T2 = 1.1 × T1 ......{kgf} TMAX = (W × f + M) × L × f1 ......{kgf}
|
||||||||||||||||||||||||||||||||||||||||||||||||||||||
|
수직 반송
TMAX = (W + M) × H × g 1000 + WT 2 × g 1000 ......kN TMAX = (W + M) × H + WT 2 ......{kgf} |
||||||||||||||||||||||||||||||||||||||||||||||||||||||
|
경사 반송
T1 = M(Lf1 - H) × g 1000 ......kN T1 <0일 때는 T2 =0으로 한다. T2 = 1.1 × T1 ......kN TMAX = W(Lf1 × f + H) × g 1000 + M(Lf1 + H) × g 1000 + T2 ......kN T1 = M(Lf1 - H) ......{kgf} T1 <0일 때는 T2 =0으로 한다. T2 = 1.1 × T1 ......{kgf} TMAX = W(Lf1 × f + H) + M(Lf1 + H) + T2 ......{kgf} |
||||||||||||||||||||||||||||||||||||||||||||||||||||||
|
응용 예
T1= M × L1 × f1 × g 1000 ......kN T2= T1× Kc1 ......kN T3= M(L2f1 - H) × g 1000 + T2 ......kN T4= T3× Kc2 ......kN T3 <0일 때는 T4 =0 T5= M × L3 × f1 × g 1000 + T4 ......kN T6= 1.1 × T5 ......kN T7= (M + W × f) × L4 × f1 × g 1000 + T6 ......kN T8= T7× Kc3 ......kN T9= W(L5f1 × f + H) × g 1000 + M(L5f1 + H) × g 1000 + T8 ......kN T10 = T9× Kc4 ......kN TMAX = (M + W × f) × L6 × f1 × g 1000 + T10 ......kN 코너 계수 Kc
T1 = M × L1 × f1 ......{kgf} T2 = T1 × Kc1 ......{kgf} T3 = M(L2f1 - H) + T2 ......{kgf} T4 = T3 × Kc2 ......{kgf} T3 <0일 때는 T4 =0 T5 = M × L3 × f1 + T4 ......{kgf} T6 = 1.1 × T5 ......{kgf} T7 = (M + W × f) × L4 × f1 + T6 ......{kgf} T8 = T7 × Kc3 ......{kgf} T9 = W(L5f1 × f + H) + M(L5f1 + H) + T8 ......{kgf} T10 = T9 × Kc4 ......{kgf} TMAX = (M + W × f) × L6 × f1 + T10 ......{kgf} |
||||||||||||||||||||||||||||||||||||||||||||||||||||||
|
배속체인의 예
TMAX = 2.1M(L1 + L2) f1 ×
g
1000
+ (W × L1 × f1) TMAX = 2.1M(L1 + L2) f1 + (W × L1 × f1) + (W1 × L2 × f3) ......{kgf}
|
||||||||||||||||||||||||||||||||||||||||||||||||||||||
|
소요 동력의 계산에 사용하는 체인 장력 T는 아래의 식이 됩니다. 수평 T = T MAX- T 1 수직 T = T MAX- MH × g 1000 경사 T = T MAX- M(H - Lf 1) × g 1000 T = TMAX - MH T = TMAX - M(H - Lf1)
· 소요 동력 계산 1kW = 1kN・m/s kW = T × V 60 1kW = 102kgf・m/s kW = T × V 102 × 60 체인과 스프로킷의 맞물림 및 스프로킷의 회전 마찰 저항 등의 동력 손실을 10% 정도로 간주한다. (1/0.9 = 1.1) 구동부의 전동기계 효율을 η로 하면, kW = T × V 60 × 1.1 × 1 η kW = T × V 102 × 60 × 1.1 × 1 η |
||||||||||||||||||||||||||||||||||||||||||||||||||||||
표 4. 카테나리 장력 그래프

카테나리 장력을 구하는 방법
T1 = 1.35 × M × L1 × g 1000 ......kN
이 수식의 1.35는 다음과 같습니다.
카테나리량 10%일 때 δ = 0.10L 1
위 그림에서
δ
L 1
= 0.10 →
2T 1
ML 1
= 2.7보다
T 1 = 1.35 × M × L 1 ×
g
1000
카테나리부의 체인 길이를 구하는 방법
δ L1 = 0.10 → S L1 = 1.027
S = 1.027L1
표 5. 체인과 가이드 레일 사이의 구름 마찰 계수 (상온) f 1
| 롤러 직경 구분 (mm) |
윤활 상태 | 윤활유가 부족한 경우 | ||
|---|---|---|---|---|
| R,F 롤러 | S,M,N 롤러 | R,F 롤러 | S,M,N 롤러 | |
| D<65 | 0.08 | 0.16 | 0.15 | 0.24 |
| 65≦D<100 | 0.08 | 0.15 | 0.14 | 0.23 |
| 100≦D | 0.08 | 0.14 | 0.13 | 0.22 |
| RF-214(예외) | 0.12 | 0.15 | 0.18 | 0.22 |
주)
- 1. 급유는 ISO VG100~150(SAE30~40) 정도의 경우
- 2. 먼지가 적고, 상온에서 실내 분위기의 경우
- 3. 톱 롤러 부착 체인의 톱 롤러와 반송물의 f 1은 상기 R 롤러와 동일합니다.
| 시리즈 | f1 |
|---|---|
| 플라스틱롤러 시리즈 | 0.08(무급유) |
| 베어링 롤러 시리즈 | 0.03(윤활 상태) |
| 니들 부시 시리즈 | 0.14(윤활상태), 0.21(윤활유 끊김) |
| EPC78 | 0.1(윤활상태), 0.2(수윤활), 0.25(윤활유 끊김) |
표 6. 체인과 가이드 레일 사이의 미끄럼 마찰 계수 f 1
| 운반물의 온도 ℃ | 윤활 상태 | 윤활유 조각 |
|---|---|---|
| 상온~400 | 0.20 | 0.30 |
| 400~600 | 0.30 | 0.35 |
| 600~800 | 0.35 | 0.40 |
| 800~1000 | - | 0.45 |
표 7. 반송물과 바닥판·측판의 미끄럼 마찰 계수 f 2
| 반송물 | f2 | 겉보기 비중 |
|---|---|---|
| 스케일 | 0.67 | 1.54 |
| 적철광 | 0.47 | 2.99 |
| 황철광 | 0.58 | 1.54 |
| 철재 | 0.48 | 0.90 |
| 스크랩 | 0.73 | 0.54 |
| 납광분말 | 0.77 | 3.26 |
| 아연 광분 | 0.79 | 1.93 |
| 니켈 광분 | 0.45 | 0.92 |
| 크롬 광분 | 0.51 | 1.14 |
| 알루미나 | 0.55 | 0.83 |
| 마그네시아 | 0.84 | 1.48 |
| 돌 | 0.64 | 0.77 |
| 석영가루 | 0.55 | 1.24 |
| 장석 | 0.55 | 1.36 |
| 백운석 | 0.55 | 1.62 |
| 점토 | 0.63 | 0.77 |
| 주물 모래 | 0.41 | 1.59 |
| 인광석 | 0.42 | 1.51 |
| 생석회 | 0.46 | 1.53 |
| 소석회 | 0.63 | 0.69 |
| 석면 | 0.58 | 0.19 |
| 석회석 | 0.47 | 0.35~0.55 |
| 시멘트 | 0.54 | 0.60~0.75 |
| 시멘트 클링커 | 0.46 | 1.30 |
| 목탄 | 0.41 | 0.44 |
| 탄소 | 0.53 | 0.30 |
| 피치 | 0.41 | 0.70 |
| 소다 재 | 0.45 | 0.52 |
| 명반 | 0.63 | 1.01 |
| 폴리에틸렌 | 0.52 | 0.34 |
| 고무 분말 | 0.53 | 0.39 |
| 비누 원료 | 0.27 | 0.65 |
| 우레아 | 0.63 | 0.64 |
| 염화암모니아 | 0.79 | 0.67 |
| 염화칼슘 | 0.43 | 0.68 |
| 황화칼슘 | 0.64 | 1.01 |
| 탄산칼슘 | 0.49 | 0.88 |
| 나무 칩 | 0.74 | 0.36 |
| 쌀 | 0.4 | 0.77 |
| 보리 | 0.71 | 0.39 |
| 밀 | 0.43 | 0.73 |
| 콩 | 0.41 | 0.68 |
| 옥수수 | 0.4 | 0.71 |
| 전분 | 0.57 | 0.71 |
| 설탕 | 0.47 | 0.68 |
| 암염 | 0.57 | 1.09 |
| 혼합 사료 | 0.5 | 0.55 |
| 석탄 | - | 0.30~0.70 |
| 코크스 | - | 0.30~0.70 |
주) 건조, 습기에 의해 상기의 값은 바뀝니다.
