스냅 커버 체인 주요 제원
RF-LMSC, RS-LMCSC
특징
- ・ 플라스틱블록체인 보다 큰 허용 장력 (RS60-SC로, RSP60의 약 7배). 운송 거리가 긴 레이아웃에 이상적입니다.
- ・반송물과 접촉하는 커버에는 플라스틱을 채용. 반송물의 상처 부착을 방지합니다.
- ・6 종류의 체인 사이즈를 라인 업. 다양한 용도로 사용할 수 있습니다.
| ※ | 3DCAD 데이터는 캐데나스 웹 투 캐드(주)의 CAD 도면라이브러리 사이트 「PARTcommunity」에의 링크에 의해 제공합니다. |
| ※ | 3DCAD 데이터 및 PARTcommunity에 대한 문의는 캐데나스 웹 투 캐드로 문의하십시오. 【캐데나스·웹·투·캐드 주식회사】TEL: (03)5961-5031 FAX: (03)5961-5032 |
카탈로그 · 취급설명서
주요 제원 ·가격· 배달
표준 시리즈
고기능 시리즈
| 플라스틱 커버 ( 시리즈를 클릭하시면 더 자세한 정보를 보실 수 있습니다. |
플라스틱 커버 재질 |
외관색 | 허용 속도 m/min |
사용온도범위 °C |
능력선도 | ||||||||||||||||||||||||||||||||||||||||||||||||||||||||||||||||||||||||||||||||||||||||||||||||||||||||||||||||||||||||||||
|---|---|---|---|---|---|---|---|---|---|---|---|---|---|---|---|---|---|---|---|---|---|---|---|---|---|---|---|---|---|---|---|---|---|---|---|---|---|---|---|---|---|---|---|---|---|---|---|---|---|---|---|---|---|---|---|---|---|---|---|---|---|---|---|---|---|---|---|---|---|---|---|---|---|---|---|---|---|---|---|---|---|---|---|---|---|---|---|---|---|---|---|---|---|---|---|---|---|---|---|---|---|---|---|---|---|---|---|---|---|---|---|---|---|---|---|---|---|---|---|---|---|---|---|---|---|---|---|---|---|
전도![]() |
E | 검은색 | 60 | -10~80 | - | ||||||||||||||||||||||||||||||||||||||||||||||||||||||||||||||||||||||||||||||||||||||||||||||||||||||||||||||||||||||||||||
|
|||||||||||||||||||||||||||||||||||||||||||||||||||||||||||||||||||||||||||||||||||||||||||||||||||||||||||||||||||||||||||||||||
적용 가능한 사양 세부 사항
| 사양 | 사양 기호 | 범용 | 마모분의 발생을 저감 | 낮은 마찰(부드러운 미끄러짐) | 높은 마찰력 (미끄러짐 방지) | 약품에 강하다(부식하기 어렵다) | 고속 운전 | 고온 분위기에서 사용 | 저온 분위기에서 사용 | 건조 조건에서만 사용 | 도전성이 우수하다 | 충격에 강함 | 자외선에 강함 | 곰팡이의 성장을 방지하세요 | 파편을 금속 검지로 검지할 수 있다 | |
|---|---|---|---|---|---|---|---|---|---|---|---|---|---|---|---|---|
| 표준 시리즈 | 보통 | A | ● | ▲ | ● | |||||||||||
| 고기능 시리즈 |
전도 | E | ● | |||||||||||||
- 주)◎: 유, ●: 양, ▲: 가능
적용 연결 링크
전용 연결 링크 입니다. 연결플레이트의 빠짐은 플라스틱 커버를 장착하여 가능합니다. 표준 연결 링크 (할당 핀 스프링 클립)는 사용할 수 없습니다.
| 플라스틱 커버 |
사양 | 연결 링크 형번 |
희망 가격 | 배달 |
|---|---|---|---|---|
| 보통(대전 방지 없음) 사양 | ラムダ仕様 | RF06B-LMSCA-JL | 문의하십시오 | 문의하십시오 |
| RS40-LMCSCA-JL | 문의하십시오 | 문의하십시오 | ||
| RS50-LMCSCA-JL | 문의하십시오 | 문의하십시오 | ||
| RS60-LMCSCA-JL | 문의하십시오 | 문의하십시오 | ||
| RS80-LMCSCA-JL | 문의하십시오 | 문의하십시오 | ||
| RS100-LMCSCA-JL | 문의하십시오 | 문의하십시오 | ||
| 도전 사양 | ラムダ仕様 | RF06B-LMSCE-JL | 문의하십시오 | 문의하십시오 |
| RS40-LMCSCE-JL | 문의하십시오 | 문의하십시오 | ||
| RS50-LMCSCE-JL | 문의하십시오 | 문의하십시오 | ||
| RS60-LMCSCE-JL | 문의하십시오 | 문의하십시오 | ||
| RS80-LMCSCE-JL | 문의하십시오 | 문의하십시오 | ||
| RS100-LMCSCE-JL | 문의하십시오 | 문의하십시오 |
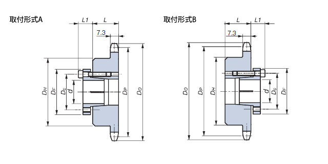
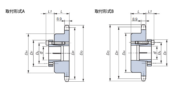
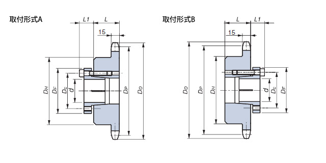
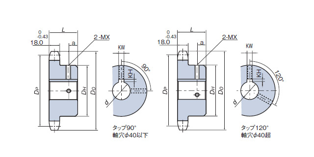
적용 스프로킷
※ 형번 클릭으로 상세 정보를 표시합니다. 이미지는 클릭으로 확대됩니다.
RS40 상당 체인용
![]() ![]() ![]() ![]() |
|
RS50 상당 체인용
![]() ![]() ![]() ![]() |
|
RS60 상당 체인용
![]() ![]() ![]() ![]() |
|
RS80 상당 체인용
![]() ![]() ![]() |
|
RS100 상당 체인용
![]() ![]() ![]() |
|
RF06B 상당 체인용
![]() |
|
표준 사양 [ 사양 기호: 없음, G, W, B, BL, A ]
체인 링크에 범용 폴리 아세탈 채용
외관 색깔: 회색
외관 색깔: 백색
외관 색깔: 파란
외관 색깔: 하늘색
- ■ 범용 타입
- 기계적 성질이 뛰어난 일반 등급의 폴리아세탈 수지를 사용하므로 일반 용도에 적합합니다.
- ■ 정전기 방지
- 정전기에 의한 먼지나 마모분의 부착을 방지하는 대전 방지 기능을 부여하고 있습니다.
(외관색: 그레이·블루·그린·스카이블루만) 주)2
- 주) 1. 사양기호가 '없음', 'B', 'G'의 제품에는 식품위생법(후생성 고시 370호)에 부적합한 것도 포함됩니다. 자세한 것은 이쪽을 확인해 주세요.
- 주) 2. 사양 기호가 있는 상품이 있습니다. 자세한 내용은 제품정보를 참조하십시오.
- 주) 3. 외관색과 대전방지 기능의 유무는 각 제품 페이지를 참조해 주십시오.
- 주) 4. 플라스틱롤러 테이블이나 플라스틱 유니버설 체인처럼 "표준 사양 "이라고 표현하지 않는 상품도 있습니다.
마찰 감소 / 마모 방지 사양 [ 사양 기호: LF ]
체인링크에 마찰 감소 / 마모 방지 폴리아세탈 채용
외관색: 화이트 [LFW]
외관 색: 녹색 [LFG]
외관색: 브라운 [LFB]
■ 용도
- 다양한 용도로 사용 가능
- 사용 조건이 엄격하고 (고속 · 고장력) 체인의 마모 신장이 빠르다 등 표준 사양 에서는 체인 교체 사이클이 짧은 경우
- 라인 프레셔가 높고 제품의 상처 부착을 특히 방지하고 싶은 경우
- ■ 반송물 보호
- 마찰계수가 표준 사양 보다 15~45% 낮아, 어큐뮬레이트시의 라인 프레셔를 경감, 반송물에 상처가 붙기 어려워집니다.
- ■ 긴 수명 (표준 사양 비)
- 체인 장력의 감소에 의해, 표준 사양 보다 1.2~2배로 수명이 향상됩니다.
- ■ 반송물의 분기·집합이 부드럽게
- ■ 소요 동력 감소
- ■ 표준 사양 ・LF 사양・ALF 사양의 마모 신장 성능
-
- 주)
사양기호가 'LFB'인 제품에는 식품위생법(후생성 고시 370호)에 부적합한 것도 포함됩니다. 자세한 것은 이쪽을 확인해 주세요.
마찰 감소 / 마모 방지 사양 [ 사양 기호: CB ]
체인 링크에 마찰 감소 / 마모 방지 특수 폴리아세탈 채용
외관색: 블루 [CB]
■ 용도
- 라인 프레셔가 높고 제품의 상처 부착을 특히 방지하고 싶은 경우
- 주)
실리콘계 윤활제를 배합하고 있으므로, 인쇄 공정에서 인쇄 흠집이 우려되는 부분이나 실리콘이 악영향을 주는 조건하에서는 사용하지 말아 주세요.
- ■ 반송물 보호
- 마찰 계수가 표준 사양 보다 낮아, 어큐뮬레이트시의 라인 프레셔를 경감, 반송물에 상처가 붙기 어려워집니다.
- ■ 반송물의 분기·집합이 부드럽게
- ■ 소요 동력 감소
- ■ 적용 체인 형식은 아래와 같습니다.
-
- WT2515G-M형, WT2515-W형, WT2515G-W형, WT2515F-W형, TTUPM838H형만
초저 마찰 감소 / 마모 방지 사양 [ 사양 기호: ALF ]
체인 링크에 초저 마찰 감소 / 마모 방지 아세탈 채용
외관색: 라이트 블루 [ALF]
■ 용도
- 포장기 전의 윤활제의 사용할 수 없는 마모분을 싫어하는 공정
- 음료 산업의 건식 윤활 공정
- 어큐뮬레이트 컨베이어
- 음료 업계, 검사기·인쇄 컨베이어, 싱글 파일러 등의 체인 속도가 빠른 공정
- 주) 1. 실리콘계 윤활제를 배합하고 있으므로, 인쇄 공정에서 인쇄 흠집이 우려되는 부분이나 실리콘이 악영향을 미치는 조건 하에서는 사용하지 마십시오.
- 주) 2. ULF 시리즈는 2018년 10월을 기점으로 생산이 중단되었습니다.
- ■ 반송물 보호
- 드라이 반송을 목적으로 실리콘계 윤활제를 배합하여 개발한 당사 오리지날 재질입니다. 기존의 구 ULF 사양과 동일한 마찰계수를 유지하면서 무윤활 조건에서의 마모분 발생량을 대폭 저감합니다.
- ■ 반송물의 분기·집합이 부드럽게
- ■ 소요 동력 감소
- ■ 구 ULF 사양과의 마모량 비교
-
- ※상기 그래프는 당사 사내 테스트 결과입니다 구 ULF 사양의 마모 체적을 100(기준)으로 하고 있습니다.
- ※ALF사양은, 구ULF사양과 비교해 특히 플라스틱 레일의 마모분의 발생을 억제합니다. 또한 마모분의 발생을 억제하고 싶은 경우는 플라스틱 레일 마찰 감소 / 마모 방지 (PLF)의 채용을 추천합니다.
저마찰 사양 [ 사양 기호: NLF ]
체인링크에 저마찰 폴리아세탈 채용
외관색: 다크 그레이 [NLF]
■ 용도
- 다양한 용도로 사용 가능
- 라인 프레셔가 높고 제품의 상처 부착을 특히 방지하고 싶은 경우
- ■ 반송물 보호
- 마찰계수가 표준 사양 보다 10~30% 낮아 어큐뮬레이트시의 라인 프레셔를 경감해, 반송물에 상처가 붙기 어려워집니다.
- ■ 반송물의 분기·집합이 부드럽게
- ■ 소요 동력 감소
- ※ 허용 장력은 표준 사양과 동일합니다.
저마찰 사양 [ 사양 기호: WR ]
체인링크에 내식성 폴리아세탈 채용
외관색: 다크 그린 [WR]
■ 용도
- 차아염소산 소다 등의 약품을 사용하는 경우
- 라인 프레셔가 높고 제품의 상처 부착을 특히 방지하고 싶은 경우
- ■ 반송물 보호
- 마찰 계수가 표준 사양 보다 7~28% 어큐뮬레이트 시의 라인 프레셔를 경감. 반송물에 상처가 붙기 어려워집니다.
- ■ 내식성
- 차아염소산소다 등의 내식성을 향상시켜 음료, 식품의 컨베이어에 적합합니다.
- ■ 반송물의 분기·집합이 부드럽게
- ■ 소요 동력 감소
- 허용 장력은 표준 사양과 동일합니다.
내열·고속 사양 [ 사양 기호: KV ]
체인 링크에 특수 엔지니어링 플라스틱 채용
외관색: 블랙 [KV150・KV180・KV250]
■ 용도
- 태양광 패널의 라미네이트 후공정의 반송
- 건조로에서 나온 프린트 기판의 반송
- 수축로의 반송
- 밥솥 운반
- 팬 오븐 출구에서 운반
- 각종 건조로에서의 반송
- 열수·고농도 약품으로 세정하는 공정에서의 반송
- 주사기 건조 공정에서의 이송
- 음료·충전 캐퍼기의 시마 출구에서의 고속 반송
- 주) 1. KV150은 식품위생법(후생성 고시 제370호)에 적합하지 않습니다.
- 주) 2. KV150은 드라이 조건 전용입니다.
- 주) 3. 카탈로그의 내열·고속(KV) 사양의 사용상의 주의를 맞추어 참조해 주십시오.
- 주) 4. 사용온도범위 : -20~150℃(KV150), -20~180℃(KV180), -20~250℃
- ■ 최고 사용 분위기 온도
-
- 150℃ (사양기호) : KV150
- 180℃ (사양기호) : KV180
- 250℃ (사양기호) : KV250
- ■ 최고 속도
- 200m/min (플라스틱 톱 체인의 경우)
- ■ 내약품성
- 세정·살균성의 약품에 뛰어난 내성을 가집니다.
- ■ 전도성
- 표면저항값이 낮아 정전기를 띠지 않습니다. (1 X 10 6 Ω·cm) 먼지의 부착 방지, 스파크 방지에 적합합니다.
- ■ 난연성
- UL 규격 V-0 클래스 (난연성이 높은 클래스)
주) KV150 제외
- ■ 소음
- 2~3db 높아집니다. (표준 사양 비)
- ■ 적용 체인 형식 예
-
- BTC6형, TPU826-T형, RSP40형 등
마찰 감소 / 마모 방지 사양 [ 사양 기호: HG ]
체인링크에 마찰 감소 / 마모 방지 폴리아세탈 채용
외관 색상: 네이비 블루 [HG]
■ 용도
- 포장기 전의 윤활제의 사용할 수 없는 마모분을 싫어하는 공정
- 음료 업계, 검사기·인쇄 컨베이어, 싱글 파일러 등의 체인 속도가 빠른 공정
- 음료 산업의 건식 윤활 공정
- 주)
식품위생법(후생성 고시 제370호)에 적합하지 않습니다.
단 기구 및 용기 포장 규격 시험(합성 수지)에 정해진 물질은 용출되어 있지 않은 것을 확인하고 있습니다.
- ■ 마모 분말 대책
- 마찰 감소 / 마모 방지 (LF) 사양보다 내마모성을 20% 향상하여 컨베이어 개조나 스프로킷을 변경하지 않고 마찰 감소 / 마모 방지 (HG) 사양으로 교환 가능합니다. (체인을 교환할 때는 레일도 함께 교환되는 것을 추천합니다. 특히 플라스틱 레일은 마찰 감소 / 마모 방지 (PLF)를 권장합니다.)
- ■ 반송물 보호
- 마찰계수가 마찰 감소 / 마모 방지 (LF) 사양과 동일하고, 마찰계수가 표준 사양 보다 15~45% 낮기 때문에, 어큐뮬레이트시의 라인 프레셔를 경감해, 반송물에 상처가 생기기 어려워집니다.
- ■ 각종 사양과의 마찰 체적 비교
-
- ※상기 그래프는 당사 사내 테스트 결과입니다. LF 사양의 마모 체적을 100(기준)으로 하고 있습니다. 체인 형식 : TTP826, 체인 속도 : 60m/min, 상온, 드라이 조건
- 노트
A사 등. A사에서 제조한 내마모성 체인, 링크 재질: 폴리에스터
B사 등. B사에서 제조한 내마모성 체인, 링크 재질: 폴리아세탈
- ■ 적용 체인 형식 예
-
- WT1506-K형, TTP826형, RSP50형 등
고온 사양 [ 사양 기호: HTW ]
체인 링크에 폴리 프로필렌 채용
외관 색상: 화이트 [HTW]
■ 용도
- 음료·식품공장의 워마, 패스트 쿨러용 체인
- 배터리 반송 라인
- 약간 경사진 이송 컨베이어
- ■ 최고 사용 분위기 온도: 105℃
- 온수가 드는 음료 공장의 워마, 패스트 쿨러용 체인에 최적입니다.
- ■ 내약품성
- 산, 알칼리를 포함한 내약품성이 우수합니다.
- ■ 고마찰
- 마찰계수는 표준 사양의 약 1.2~1.6배입니다. 드라이 조건으로 약간의 경사 반송에 사용 가능합니다.
- ■ 경량
- 폴리아세탈제 체인에 대해 40% 정도 경량입니다. 소요 동력의 저감에 효과가 있습니다.
- ■ 적용 체인 형식 예
-
- WT1907-K형, WT2506-K형, TTPM500형 등
- 주) 1. WT2250FG형의 사양기호「HTW」는 식품위생법(후생성고시 제370호)에 적합하지 않습니다.
- 주) 2. 최대 허용 장력 은 표준 사양의 40% 정도입니다.
- 주) 3. 사용온도 범위: 5~105℃
고속 사양 : 드라이 조건 전용 [ 사양 기호 : HS ]
체인 링크에 특수 엔지니어링 플라스틱 채용
외관 색깔: 베이지 [HS]
■ 용도
- 제캔・빈캔의 고속 반송
- 주)
식품위생법(후생성 고시 제370호)에 적합하지 않습니다.
단 기구 및 용기 포장 규격 시험(합성 수지)에 정해진 물질은 용출되어 있지 않은 것을 확인하고 있습니다.
- ■ 최고 속도
- 230m/min(직선 라인)으로 높은 한계 PV값을 가지고 있습니다. 고속 반송에서의 용융을 방지합니다.
- ■ 적용 체인 형식 예
-
- TPU826-T형, TP-OTD32형 등
- 주) 1. 최대 허용 장력 은 표준 사양의 80% 정도입니다.
- 주) 2. 스테인리스 핀 타입만입니다.
- 주) 3. 드라이 조건 전용입니다.
- 주) 4. 고속으로 사용하는 경우는 스테인리스 레일(냉간 압연재의 미가키 사양), 용도에 따라서는 플라스틱 레일 특수 폴리아미드(SJ-CNO)를 사용해 주십시오.
- 주) 5. 사용온도 범위: -20~50℃
저온 사양 [ 사양 기호: LTW ]
체인 링크에 폴리에틸렌 채용
외관 색상: 화이트 [LTW]
■ 용도
- 냉동고 컨베이어에서 냉동 식품 운반
- 드라이 아이스 반송
- ■ 저온 분위기 온도
- -70℃의 저온 분위기에서 사용 가능합니다.
(표준 사양은 -20℃까지) - ■ 내약품성
- 약품이 뛰어난 내식성을 나타냅니다.
- ■ 적용 체인 형식은 아래와 같습니다.
-
- BTN5, BTC6, BTN6, BTC8
- 주) 1. 최대 허용 장력 은 표준 사양의 33% 정도입니다.
- 주) 2. -20℃ 이하에서 사용하는 경우 특수 스프로킷 필요하므로 당사에 문의해 주십시오.
- 주) 3. 사용온도 범위: -70~60℃
내약품 사양 [ 사양 기호: Y ]
체인 링크에 특수 엔지니어링 플라스틱 채용
외관 색: 광택 제거 화이트 [Y]
■ 용도
- 리튬 이온 배터리(배터리) 등의 제조 라인에서의 반송
- 프린트 기판·실리콘 웨이퍼의 세정 라인에서의 반송
- 음료·무균 충전실 출구 컨베이어에서의 반송
- 식품 공장 등 약품으로 세정할 필요가 있는 제조 라인에서의 반송
- ■ 내약품성
- 유기용제, 무기염산류, 알칼리, 산화제, 아세트산 등 많은 약품에 내식성을 나타냅니다.
- ■ 내충격성
- 표준 시리즈에 비해 수지가 부족하기 어렵습니다.
- ■ 적용 체인 형식 예
-
- TTP826형, TPRF2040형, RSP35형 등
- 주) 1. 최대 허용 장력 은 표준 사양의 50% 정도입니다.
- 주) 2. 마찰계수는 표준 사양과 동일합니다.
- 주) 3. 화기가 있는 장소나 고온하에서는 사용하지 마십시오.
슈퍼 내화학성 [ 사양 기호: SY ]
체인 링크에 특수 엔지니어링 플라스틱 채용
외관색 : 광택 제거 화이트 [SY]
■ 용도
- 리튬 이온 배터리(배터리) 등의 제조 라인에서의 반송
- 프린트 기판·실리콘 웨이퍼의 세정 라인에서의 반송
- 음료·무균 충전실 출구 컨베이어에서의 반송
- 식품 공장 등 약품으로 세정할 필요가 있는 제조 라인에서의 반송
- ■ 핀 재질에 티타늄을 채용
- 내약품(Y) 사양의 핀을 티타늄(사선 롤렛 핀)으로 바꾸는 것으로 더욱 내약품성을 향상시켰습니다.
- ■ 내약품성
- 염산, 황산 등에 보다 부식성이 강한 약품 내식성을 나타냅니다.
- ■ 적용 체인 형식 예
-
- TTP826형, RSP40형 등
- 주) 1. 최대 허용 장력 은 표준 사양의 50% 정도입니다.
- 주) 2. 마찰계수는 표준 사양과 동일합니다.
- 주) 3. D핀 타입, 프라핀 타입은 대응할 수 없습니다.
- 주) 4. 화기가 있는 장소나 고온하에서는 사용하지 마십시오.
- 주) 5. 사용온도 범위: -20~80℃
전도 사양 [ 사양 기호: E ]
체인 링크에 특수 엔지니어링 플라스틱 채용
외관 색상: 블랙 [E]
■ 용도
- PCB 납땜 후 반송
- 태양광 패널의 라미네이트 공정 전후, 절단기까지의 반송
- 캔의 어큐뮬레이트에 의한 정전기 대책
- 세정기 건조 후 정전기 대책
- 자동차 부품(전장 부품) 반송
- 주)
식품위생법(후생성 고시 제370호)에 적합하지 않습니다.
단 기구 및 용기 포장 규격 시험(합성 수지)에 정해진 물질은 용출되어 있지 않은 것을 확인하고 있습니다.
- ■ 우수한 도전성
- 체적 고유 저항률: 1 X 10 6 Ω·cm 이하 (표준 사양은 1 X 10 14 ~10 15 Ω·cm)
- ■ 정전기 억제
- 전기 노이즈, 스파크의 발생을 억제합니다.
주) 스틸제의 스프로킷 레일 등을 이용하여 컨베이어 전체의 접지를 잡아 주십시오. - ■ 적용 체인 형식 예
-
- WT0705-W형, TTP826P형, RSP35형 등
- 주) 1. 최대 허용 장력 은 표준 사양의 70% 정도입니다.
- 주) 2. 마찰계수는 표준 사양과 동일합니다.
내충격 사양:드라이 조건 전용 [ 사양 기호: DIA ]
체인 링크에 특수 엔지니어링 플라스틱 채용
외관 색: 크림 [DIA]
■ 용도
- 약간 무거운 기계 부품 운반
- 식품 직승의 건조한 반송 컨베이어
- 약간 경사진 식품 운반 컨베이어
- 주)
식품위생법(후생성 고시 제370호)에 적합하지 않습니다.
단 기구 및 용기 포장 규격 시험(합성 수지)에 정해진 물질은 용출되어 있지 않은 것을 확인하고 있습니다.
- ■ 초내충격성
- 이 체인은 충격 시 쉽게 파손되지 않으며, 파손되더라도 파편이 흩어지지 않습니다. 이물질 오염 방지에 적합합니다.
- ■ 고마찰
- 마찰 계수는 표준 사양의 1.2배입니다. 드라이 조건으로 약간의 경사에 사용하실 수 있습니다.
- ■ 경량
- 폴리아세탈제의 톱체인에 대해, 20% 정도 경량입니다. 취급이 용이하고, 소요 동력의 저감에 효과가 있습니다.
- ■ 내충격 성능 (충격이 가해졌을 때의 부족 어려움)
-
- ■ 적용 체인 형식 예
-
- BTC8H-826-M형, TPUSR550-T형, RSP60-2형 등
- 주) 1. 최대 허용 장력 은 표준 사양의 75% 정도입니다.
- 주) 2. 드라이 조건 전용입니다.
내충격 사양:드라이&웨트 조건 겸용 [ 사양 기호: DIY ]
체인 링크에 특수 엔지니어링 플라스틱 채용
외관 색: 녹색 [DIY]
■ 용도
- 습식 조건에서의 식품 또는 용기 반송
- 자주 살균 세척되는 경우
- 폴리아세탈제 체인을 사용해, 부족으로 곤란의 경우
- 주)
식품위생법(후생성 고시 제370호)에 적합하지 않습니다.
단 기구 및 용기 포장 규격 시험(합성 수지)에 정해진 물질은 용출되어 있지 않은 것을 확인하고 있습니다.
- ■ 내충격성
- 폴리아세탈 수지제와 비교하면 충격이 걸려도 부족하기 어렵습니다.
- ■ 내약품성
- 세정·살균의 약품에 대해서, 내약품성이 뛰어납니다. 자주 살균 세척되는 컨베이어에 적합합니다.
- ■ 비점착성
- 체인에 반송물이 부착하기 어려운 효과가 있습니다.
- ■ 내충격 성능 (충격이 가해졌을 때의 부족 어려움
-
- ■ 내자외선성
- 폴리아세탈 수지제에 비해 내후성이 우수합니다.
- ■ 적용 체인 형식 예
-
- BTC6형, TPRF2040형, RSP60형 등
- 주) 1. 최대 허용 장력 은 표준 사양의 75% 정도입니다.
- 주) 2. 마찰계수는 표준 사양과 동일합니다.
- 주) 3. 저온 분위기 등 분위기에 의해 수지 파편이 비산하는 경우가 있습니다.
- 주) 4. 화기가 있는 장소나 고온하에서는 사용하지 마십시오.
중마찰 사양 사양:드라이 조건 전용 [ 사양 기호: MF ]
체인 링크에 특수 폴리 아세탈 채용
외관 색상: 옐로우 [MF]
■ 용도
- 3~5°의 경사 반송
- 검사기・인쇄 컨베이어에서의 반송물의 미끄러짐 방지
※ 반송물에 따라 다릅니다.
- ■ 경사 반송에 최적
- 중간 정도 높은 마찰재로 경사 반송에 적합합니다.
- ■ 안정적인 반송
- 컨베이어의 기동, 정지에 의한 반송물의 위치 어긋남 방지, 가속에 의한 미끄럼 방지에 적합합니다.
- ■ 적용 체인 형식 예
-
- BTC6형, TTUP826P형, RSP40형 등
- 주) 1. 최대 허용 장력 은 표준 사양의 75% 정도입니다.
- 주) 2. 마찰계수는 표준 사양의 1.1배입니다.
- 주) 2. 드라이 조건 전용입니다.
- 주) 4. 사용온도범위: -20~80℃
내열·내방사선성·내진공 사양 [ 사양기호: PK150 ]
체인 링크와 핀에 PEEK 수지 채용
외관색: 라이트 브라운 [PK150]
■ 용도
- 건조로·오븐 등의 고온 분위기하나 오븐 등의 출입구 승수 유닛
- 충전실내의 세정·살균 등 약품을 사용하는 환경하
- 진공 환경 하에서의 반송
- ■ 최고 사용 분위기 온도:150℃
- ■ 내약품성
- 약품이 뛰어난 내식성을 나타냅니다.
- ■ 내방사선성
- 방사선에 대한 내성은 열가소성 수지 중 최고 수준입니다.
- ■ 진공 중의 방출 가스의 발생이 적다
- ■ FDA(미국 식품의약품국)에 인정된 재료를 사용
- ■ 적용 체인 형식
-
- WT0405-W
- 주)사용온도 범위: -20~150℃
항균·방곰팡이 사양 [ 사양 기호: MWS ]
체인 링크에 항균제 배합 마찰 감소 / 마모 방지 아세탈 채용
외관 색상: 크림 [MWS]
■ 용도
- 보틀링 공장 내에서의 세척 대책
- 공정상의 수분이나 결로수로 젖은 컨베이어
(특히 샤워 장치 출입구나 레토르트 장치 언로더부 등) - 조건적으로 컨베이어가 더러워지기 쉽고 곰팡이 예방
- ■ 항균+방곰팡이
- 항균제 제조업체와 공동 개발한 독자적인 항균제를 사용하여 대장균(E. coli), 포도상구균, 유산균 등 식품 산업에서 가장 위험한 세균에 효과적일 뿐만 아니라, 푸른곰팡이 등 다양한 곰팡이에도 효과적인 항균 작용을 합니다.
- ■ 지속성
- 항균제는 장기적으로 성능을 지속하는 무기계 항균제를 채용하고 있습니다. 항균제는 플라스틱 소재 제조 단계에서 반죽하고 있기 때문에, 링크 전체에 균일 분산해, 표면이 마모해도 항균·방곰팡이 기능을 지속합니다.
- ■ 안전성
- 안전성이 높은 항균제를 배합. 베이스 재료는 식품 위생법(후생성 고시 제370호)에 적합하지 않습니다.
단 기구 및 용기 포장 규격 시험(합성 수지)에 정해진 물질은 용출되어 있지 않은 것을 확인하고 있습니다.
항균·방곰팡이 기능의 부가에 의해 더욱 안전성이 향상하고 있습니다. - ■ 고기능
- 항균 첨가에 의한 성능 변화는 거의 없고, 우수한 마찰 감소 / 마모 방지을 발휘합니다. 링크 소재에 마찰 감소 / 마모 방지 (LF) 사양을 사용하고 있습니다.
- 주) 1. 최대 허용 장력 은 표준 사양과 동일합니다.
- 주) 2. 마찰계수는 마찰 감소 / 마모 방지 (LF) 사양과 동일합니다
항균·방곰팡이 성능
| 35℃ X 24시간 후 상태 (사카로미세스) | |||
|---|---|---|---|
| LF 사양 상당품 | MWS 사양 | ||
|
|
||
※시험 방법
JIS Z2801:2010
- 시험 의뢰처 주식회사 위생 미생물 연구 센터
- 시험 성적서 발행 연월일 2020년 10월 12일
- 시험 성적서 발행 번호 2020D-BT-0808
항균력 시험 결과 (항균제 없음과의 비교)
| 시험한 균 | 시험품 | 접종 직후 | 35℃ X 24시간 후 |
|---|---|---|---|
| 대장균 | MWS | 1.5 X 104 | 38 |
| (항균제 없음) | 1.5 X 104 | 22 X 106 | |
| 황색 포도상 구균 | MWS | 1.6 X 104 | 검출하지 않고 |
| (항균제 없음) | 1.6 X 104 | 1.5 X 105 | |
| 사카로미세스 (효모의 일종) |
MWS | 2.5 X 104 | 검출하지 않고 |
| (항균제 없음) | 2.5 X 104 | 1.4 X 104 | |
| 젖산 간균 | MWS | 6.4 X 105 | 1.3 X 102 |
| (항균제 없음) | 6.4 X 105 | 6.9 X 104 | |
| 병원성 대장균 O-157(H7) |
MWS | 1 X 103.9 | 검출하지 않고 |
| (항균제 없음) | 1 X 103.9 | 1 X 103.4 |
곰팡이 발육 시험 결과 (항균제 없음과의 비교)
| 시험 곰팡이 | 시험품 | 7일 후 | 14일 후 | 21일 후 |
|---|---|---|---|---|
| 검은 곰팡이 | MWS 사양 | 0 | 0 | 0 |
| (항균제 없음) | 0 | 1 | 2 |
● 시험 결과 표시 방법
| 표시 | 표시 내용 | |||
|---|---|---|---|---|
| 0 | 육안 및 현미경 하에서 곰팡이 발육 인정되지 않음. 저지대가 인정되는 경우도 있다. | |||
| 1 | 육안으로 곰팡이 인정되지 않고. 현미경 하에서 곰팡이를 확인할 수 있습니다. | |||
| 2 | 균사의 발육은 적고, 발육 부분의 면적은 전체 면적의 25%를 초과하지 않는다. | |||
| 3 | 균사의 발육은 중간 정도로, 발육 부분의 면적은 전면적의 25~50%. | |||
| 4 | 균사는 잘 발육하고, 발육 부분의 면적은 전체 면적의 50~100%. | |||
| 5 | 균사의 발육은 격렬하고 전면을 덮고 있다. | |||
※시험 방법
JIS Z2911-2000(A법)
- 시험 기관 이시즈카 유리 주식회사
- 시험 성적서 발행 연월일 2020년 9월 25일
금속 감지 사양 [ 사양 기호: MPD/MPW ]
체인 링크에 특수 엔지니어링 플라스틱 채용
외관색: 블랙 [MPD/MPW]
■ 용도
- 고무 화합물 반송
- 포장기 앞의 식품 직승용 반송 컨베이어
- 컨베이어를 이용한 면의 직접 이송 (사양 코드: MPW)
- 제빵 공장에서의 트레이 반송 (사양기호:MPD)
- 주)
식품위생법(후생성 고시 제370호)에 적합하지 않습니다.
단 기구 및 용기 포장 규격 시험(합성 수지)에 정해진 물질은 용출되어 있지 않은 것을 확인하고 있습니다.
- ■ 금속 검출기로 검출 가능
- 만일 체인이 부족하여 식품이나 고무 컴파운드에 혼입되어 버린 경우에도 금속 검출기로 발견하여 미연에 유출을 막을 수 있습니다.
- ■ 내충격성
- 충격이 가해져도 파편이 비산하기 어려워지고 있습니다.
- ■ 적용 체인 형식 예
-
- TTUP826형, RSP60-CU-2형 등
- 주) 1. MPD 사양은 드라이 조건 전용, MPW 사양은 드라이&웨트 조건 겸용입니다.
- 주) 2. MPD 사양의 최대 허용 장력 은 표준 사양의 80% 정도, MPW 사양의 최대 허용 장력 은 표준 사양의 40% 정도입니다.
- 주) 3. 사용온도범위: -20~80℃(MPD), -20~60℃(MPW)
저온·내약품 사양 [ 사양 기호: UPE ]
체인링크에 초고분자량 폴리에틸렌 채용
외관색 : 광택 화이트 [UPE]
■ 용도
- 냉동 식품 보관 창고 내 반송
- 냉동고 컨베이어에서 냉동 식품 운반
- 이물 혼입 대책이나 약품 세정되는 식품 반송
- 2차 전지 등 내약품성이 필요한 반송
- 충전실내의 세정·살균 등 약품을 사용하는 환경하
- ■ 저온 분위기 온도
- -70℃의 저온 분위기 온도에서 사용 가능합니다. (표준 사양은 -20℃까지)
- ■ 내충격성
- 매우 높은 내충격성으로 저온 분위기 사용시에도 이물질이 혼입하기 어렵습니다.
폴리아세탈 수지제와 비교하면 상온 분위기 사용 시에는 13배, 저온 분위기 사용 시에는 26배의 내충격성을 겸비하고 있습니다. - ■ 내마모성
- 상온 분위기 사용시의 마모량이 폴리아세탈 수지제에 비해 약 80% 저감합니다.
- ■ 내약품성
- 약품이 뛰어난 내식성을 나타냅니다.
- ■ FDA(미국 식품의약품국)에 인정된 재료를 사용
- ■ 적용 체인 형식
-
- RSP80
- 주) 1. 최대 허용 장력 은 표준 사양의 30% 정도입니다.
- 주) 2. 사용온도범위: -70~60℃
- 주) 3. -20℃ 이하에서 사용하는 경우 특수 스프로킷 필요하므로 당사에 문의해 주십시오.
- 주) 4. 주행 레일의 재질은 스테인리스(냉간 압연재)를 권장합니다. UHMW-PE(초고분자량 폴리에틸렌)는 같은 재질이므로 권장하지 않습니다.
내산 사양 [ 사양 기호: AR ]
체인 링크에 특수 폴리 아세탈 채용
외관 색상: 화이트 [AR]
- ■ 내식성
- 표준 사양, 마찰 감소 / 마모 방지 (LF) 사양에 비해 내식성이 우수합니다.
- ■ 부식 대책
- 차아염소산 소다 들어가 비누수에 의한 부식 대책 등에 적합합니다.
- ■ 적용 체인 형식 예
-
- TTP826형, RSP35형 등
- 주) 1. 강산, 강알칼리에는 침해되어 버리기 때문에 내약품(Y) 사양이나 슈퍼 내약품(SY) 사양을 사용해 주십시오.
- 주) 2. 최대 허용 장력 은 표준 사양의 90% 정도입니다.
- 주) 3. 마찰계수는 표준 사양과 동일합니다.
- 주) 4. 프라핀 타입의 대응은 할 수 없습니다.
- 주) 5. 60℃ 이상의 온수가 걸리는 조건에서는 사용할 수 없습니다.
- 주) 6. 사용온도범위:-20~(60) 80℃(60)는 습식조건의 경우입니다.
내자외선 사양 [ 사양 기호: UVR ]
체인 링크에 특수 폴리 아세탈 채용
외관 색상: 라이트 그레이 [UVR]
■ 용도
- 옥외에서 자외선의 영향을 받는 반송
- 자외선으로 인한 열화 현상에 대한 대책을 통해 표준 시리즈보다 수명이 연장되었습니다.
- ■ 내자외선
- 표준 사양, 마찰 감소 / 마모 방지 (LF) 사양에 비해 옥외에서의 자외선 열화(변색·강도 저하)에 대한 내성이 우수합니다.
- ■ 적용 체인 형식 예
-
- TTP826형, TTPH826P형, RSP50형 등
- 주) 1. 최대 허용 장력, 마찰 계수는 표준 사양과 동일합니다.
- 주) 2. 프라핀 타입의 대응도 가능합니다.
- 주) 3. 사용온도범위:-20~(60) 80℃(60)는 플라핀 타입의 습식 조건의 경우입니다.
식품 반송 사양 [ 사양 기호: PFS ]
체인 링크에 폴리 아세탈 채용
외관 색: 나일 블루 [PFS]
■ 용도
- 빵 제조 라인의 상온 냉각 공정에서의 반송
- 그 외, 식품 생산 라인에서의 반송
- ■ PIM(유럽 플라스틱 시공 규칙)에 적합
- PIM (유럽 플라스틱 시행 규칙)에 적합한 쯔바키 원래 재료를 사용하고 있습니다.
- ■ 적용 체인 형식 예
-
- TTP826형, RSP40-T-CU형 등
- 주) 1. 최대 허용 장력, 마찰 계수는 표준 사양과 동일합니다.
- 주) 2. PIM(유럽 플라스틱 시공 규칙)이란, 유럽에서의 상품 직접 접촉에서의 사용이 생각되는 플라스틱 제품에 관해서, 판매하기 위해서 필수 불가결한 규칙입니다.
- 주) 3. 플라스틱 핀 타입은 PIM(유럽 플라스틱 시공 규칙)에 적합하지 않습니다.
바이오매스 사양(BP) [ 사양 기호: BP ]
링크 재질에 친환경 바이오 매스 플라스틱을 채용
외관색: 다크 그린 [BPG]
- ■ 환경 배려 상품
- 식물 유래의 환경 친화적인 바이오 매스 플라스틱을 사용하는 것으로, 석유 자원 절약 외에 바이오 매스 플라스틱이 갖는 탄소 중립성으로부터 CO 2의 삭감 효과가 기대됩니다.
- ■ 적용 체인 형식 예
-
- RSP40형만
※바이오매스 플라스틱이란: 원료로서 식물 등의 재생 가능한 유기 자원을 사용하는 플라스틱 소재
- 주) 1. 최대 허용 장력 은 표준 사양의 36% 정도입니다.
- 주) 2. 사용온도 범위: -20~80℃
- 주) 3. 드라이 조건 전용입니다.
- 주) 4. 사용 분위기 습도는 20~80%에서의 사용을 권장합니다. 그 이외의 습도 분위기에서 사용하는 경우는 당사에 문의해 주십시오.
- 주) 5. 식품위생법(후생성 고시 제370호)에 적합하지 않습니다.
- 주) 6. 바이오매스(BP) 사양의 재질 특성에 따라 약간의 얼룩이 발생하는 경우가 있습니다. 제품 성능면에 영향을 미치지 않습니다.


시리즈를 클릭하시면 
















