기술자료 대형 컨베이어 체인 스프로킷 스프로킷 구조
1. 기본 구조
치형부에는 최적의 고주파 담금질 경화 처리를 실시해, 스프로킷의 내마모성 및 전달 능력의 향상을 도모할 수 있습니다.
2. 허브 형식
BW형
스프로킷 치형부의 한쪽에 허브를 용접한 형식입니다.
적용
- RF10 사이즈 이하
- RF205 사이즈 이하
BW1형
스프로킷 치형부에 허브를 관통시켜 편허브형으로서 양측에서 용접한 형식입니다.
적용
- RF12 사이즈 이상
- RF6205 사이즈 이상
CW형
스프로킷 치형부의 양측에 허브를 용접한 형식입니다.
적용
- RF10 사이즈 이하
- RF205 사이즈 이하
CW1형
스프로킷 치형부에 허브를 관통시켜 양 허브형으로서 양측에서 용접한 형식입니다.
적용
- RF12 사이즈 이상
- RF6205 사이즈 이상
3. 치형부 형식
1. 모양
S1 : 이끝 원호
S2:이끝 플랫(사선부가 컷된 형상입니다)
주) S2 치형에 대해서, K 어태치먼트 부착 체인을 사용시 S1 치형에서는 슬랫 등과 스프로킷 외경이 간섭할 우려가 있는 품종에 채용하고 있습니다. 특형 체인이나 톱 롤러 부착 체인 등을 채용할 때에는 상담해 주십시오.
2. 사양
- ・ 표준 사양 (기호 N)
이끝 경화 없음 사양으로 경부하, 저마모 분위기의 용도에 적합합니다. - ・ 이끝 경화 사양(기호 Q)
이끝 경화 처리를 실시한 사양입니다. 내마모성이 요구되는 경우나 고부하 조건에서의 용도에 적합합니다. 표준 사양 (N)과 이끝 경화 사양(Q)의 사용 구분은 다음 표에 따라 주십시오.
표준 사양 과 이끝 경화 사양의 구분
| 체인 사양 | 롤러 형식 | 구동측 | 종동측 | ||
|---|---|---|---|---|---|
| 보통 분위기 | 마모 분위기 | 보통 분위기 | 마모 분위기 | ||
| DT사양 DTA사양 |
S | Q | Q | N | Q |
| R | N | Q | N | N | |
| F | N | Q | N | N | |
| AT사양 ATA사양 |
S | Q | Q | N | Q |
| R | Q | Q | N | Q | |
| F | Q | Q | N | Q | |
상기는 일반적인 사용 조건을 설정한 사용 구분입니다. 특히 엄격한 마모 분위기, 고하중 조건에서의 사용 조건의 경우는 당사에 문의해 주십시오.
4. 축구멍 마무리 추가공사양
번거로운 구멍 가공을 단 배달로 완성할 수 있도록 축 구멍 치수를 하기 사양으로 가공합니다. 또한, 고정 나사는 부속되어 있지 않습니다.
표준축 홀 가공 사양
| 축 구멍 공차 | 키 홈 폭 공차 | 탭 가공 |
|---|---|---|
| H8 | JIS B1301-1996 보통형 Js9 |
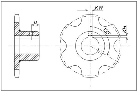
키와 120° 간격 2곳에 탭 가공 |
| 구 JIS B1301-1959 2종 E9 |
키 홈과 이끝의 위상
키 홈은 스프로킷 이끝 중심과 키 홈 중심을 맞추도록 가공하고 있습니다. 체인을 병렬로 사용하는 경우는 당사에 문의해 주십시오.
키홈과 탭의 사양・치수
| JIS 보통형 키 키홈 폭 공차 Js9 | |||
|---|---|---|---|
| 적용축 홀 직경 | 키 홈 폭 KW |
키 홈 깊이 KH |
탭 사이즈 MX |
| 22보다 30 이하 | 8 | 3.3 | M6 |
| 30이상 38이하 | 10 | 3.3 | M8 |
| 38 이상 44 이하 | 12 | 3.3 | |
| 44 이상 50 이하 | 14 | 3.8 | |
| 50이상 58이하 | 16 | 4.3 | M10 |
| 58 이상 65 이하 | 18 | 4.4 | |
| 65 이상 75 이하 | 20 | 4.9 | M12 |
| 75 이상 85 이하 | 22 | 5.4 | |
| 85 이상 95 이하 | 25 | 5.4 | M16 |
| 95 이상 110 이하 | 28 | 6.4 | |
| 110 이상 130 이하 | 32 | 7.4 | M20 |
| 130이상 150이하 | 36 | 8.4 | |
| 150 이상 170 이하 | 40 | 9.4 | |
| 170보다 200 이하 | 45 | 10.4 | M24 |
| 200이상 230이하 | 50 | 11.4 | |
| 구 JIS2종 키 키 홈 폭 공차 E9 | |||
|---|---|---|---|
| 적용축 홀 직경 | 키 홈 폭 KW |
키 홈 깊이 KH |
탭 사이즈 MX |
| 20이상 30이하 | 7 | 3 | M6 |
| 30이상 40이하 | 10 | 3.5 | |
| 40이상 50이하 | 12 | 3.5 | M8 |
| 50이상 60이하 | 15 | 5 | |
| 60 이상 70 이하 | 18 | 6 | M10 |
| 70 이상 80 이하 | 20 | 6 | M12 |
| 80 이상 95 이하 | 24 | 8 | |
| 95 이상 110 이하 | 28 | 9 | M16 |
| 110 이상 125 이하 | 32 | 10 | M20 |
| 125보다 140 이하 | 35 | 11 | |
| 140이상 160이하 | 38 | 12 | |
| 160 이상 180 이하 | 42 | 13 | |
| 180이상 200이하 | 45 | 14 | M24 |
| 200 이상 224 이하 | 50 | 15.5 | |
| 224 이상 250 이하 | 56 | 17.5 | |
상기 이외의 가공 사양일 때는 하기 내용을 알려 주십시오.
- ・축 구멍 형상・치수 직경・공차
- ・키 홈 품종・치수・공차
- ・탭 사이즈와 위치
