기술자료 고속 리프터 짚 마스터 모터 결선
3상 모터 부착 결선과 승강 방향
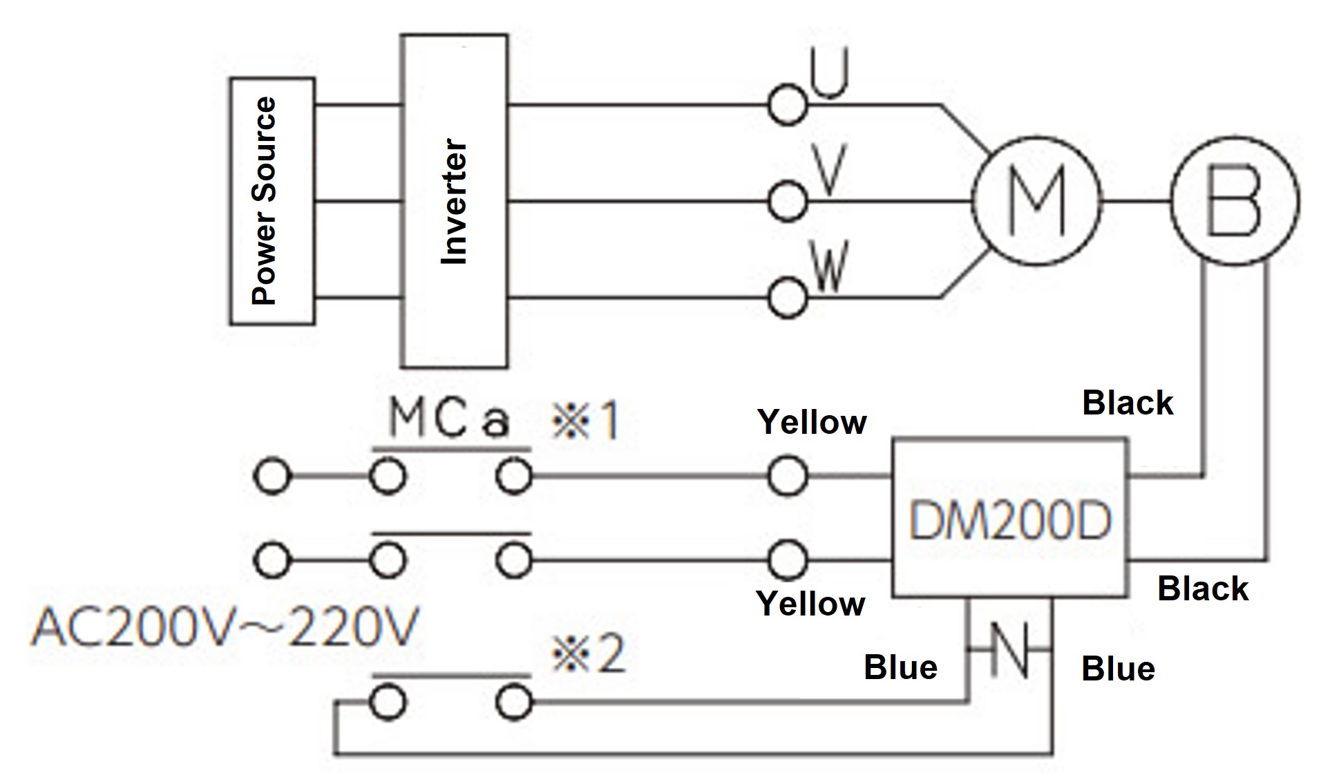
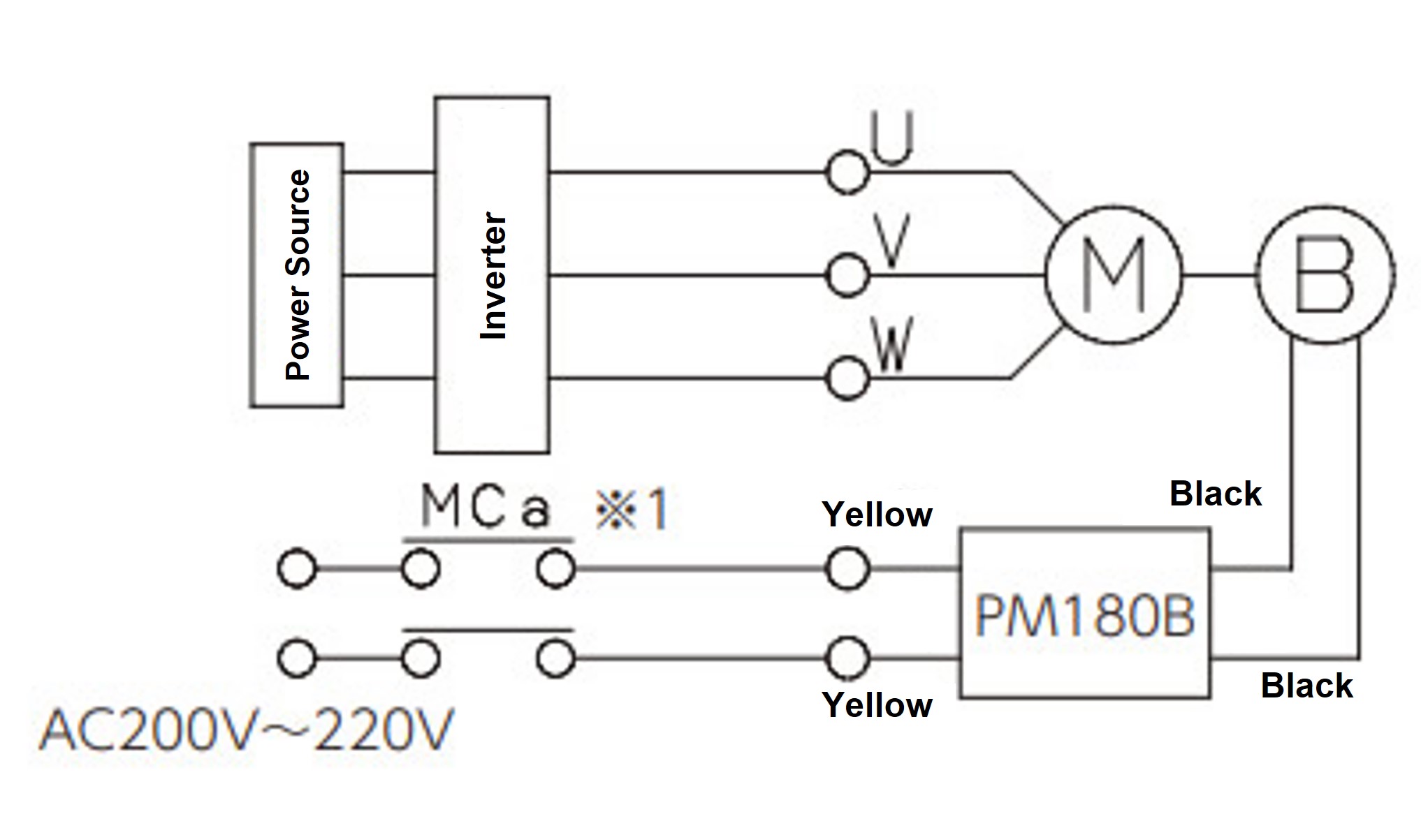
3상 모터 부착 결선(인버터 제어 전용)
3.7kW
기저 주파수는 60Hz로 설정하십시오.
5.5kW
기저 주파수는 60Hz로 설정하십시오.
(M):모터 (B):브레이크 MC:전자 접촉기 MCa :보조 계전기 OCR:과전류 계전기
DM200D, PM180B: DC 모듈---N--: 보호 소자(바리스터)
| 상품명 | 제조업체 | 형번 | ||
|---|---|---|---|---|
| 서지 업소버 | 파나소닉 (주) | ERZV14D471 | ||
| 세라믹 바리스타 | 니폰케미콘 | TND14V-471KB00AAA0 | ||
- 주1 브레이크 전압은 DC90V입니다. (DM200D 및 PM180B에 AC200V 입력시)
- 주2 3.7kW 모터를 사용하는 경우는 배선의 길이·배선의 방법·릴레이의 종류 등에 의해 브레이크용 전원 모듈이 파손되는 경우가 있으므로, 직류 별도차단 용 단자 사이에 배리스터를 접속해 주십시오.
- 주3 ※1의 보조 계전기 (MCa)는 접점 용량 AC200V7A 이상(저항 부하)의 것을 사용해 주십시오.
※2에 MC의 보조 접점 또는 보조 계전기를 사용하는 경우는 접점 용량 AC200V10A 이상(저항 부하)으로 해 주십시오. - 주4 브레이크용 전원 모듈 근처(파랑 리드선부)에 접속하는 것이 효과적입니다. 구체적인 배리스터의 형번 아래와 같습니다만, 상당품의 배리스터에서도 사용 가능합니다. 배리스터 전압은 DM200D는 470V의 것을 선정해 주십시오.
