기술자료 감속기 소형 기어 모터 모터 사양
표준 기어 모터 사양 기어 모틀, 하이포이드 모터, 클로제 모터
1.모터 출력:0.1kW ~ 0.55kW [수지제]
| 단자 치수 | 단자함 위치 | ||||||||||||||||
|---|---|---|---|---|---|---|---|---|---|---|---|---|---|---|---|---|---|
| 브레이크 없음 | ![]() |
|
|||||||||||||||
| 브레이크 부착 | ![]() |
|
2. 모터 출력:0.75kW[강철제]
| 단자 치수 | 단자함 위치 | |||||||||||
|---|---|---|---|---|---|---|---|---|---|---|---|---|
| 브레이크 없음 | ![]() |
|
||||||||||
| 브레이크 부착 | ![]() |
|
3. 모터 출력: 1.5kW ~ 2.2kW [강철제]
| 단자 치수 | 단자함 위치 | ||||||||||||||||
|---|---|---|---|---|---|---|---|---|---|---|---|---|---|---|---|---|---|
| 브레이크 없음 | ![]() |
|
|||||||||||||||
| 브레이크 부착 | ![]() |
|
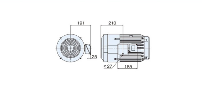
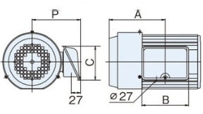
4. 모터 출력: 3.7kW[강철제]
| 단자 치수 | 단자함 위치 | |
|---|---|---|
| 브레이크 없음 | ![]() |
![]() |
| 브레이크 부착 | ![]() |
![]() |
5. 모터 출력:5.5kW[강철제]
| 단자 치수 | 단자함 위치 | |
|---|---|---|
| 브레이크 없음 | ![]() |
![]() |
| 브레이크 부착 | ![]() |
![]() |














