파일럿 홀 시리즈 스테인리스 타입 주요 제원
RS80-1B□T-SS
| ※ | CAD 데이터는 캐데나스 웹 투 캐드(주)의 CAD 도면라이브러리 사이트 「PARTcommunity」에의 링크에 의해 제공하겠습니다. |
| ※ | CAD 데이터 및 PARTcommunity에 대한 문의는 캐데나스 웹 투 캐드로 문의하십시오. 【캐데나스·웹·투·캐드 주식회사】TEL: (03)5961-5031 FAX: (03)5961-5032 |
형번 표시 예
| RS80 | - | 1 | B | 21T | - | SS |
| | 사이즈 |
| 열수 |
| 허브 형식 |
| 잇수 |
| 사양 기호 SS: 스테인리스 SST: 스테인리스 타입 내마모 사양 P: 엔지니어링 플라스틱 |
||
주요 치수·가격· 배달
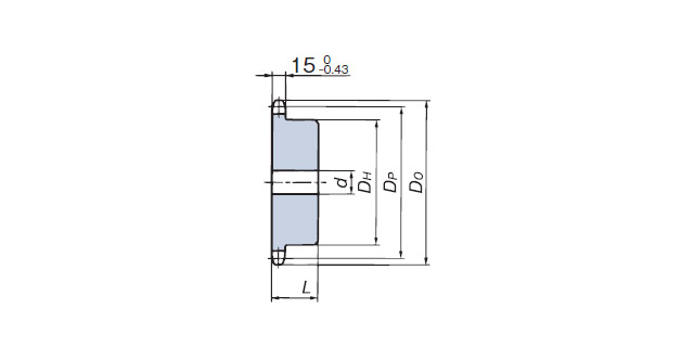
| 형번 | 잇수 | 피치원 지름 DP mm |
외경 DO mm |
파일럿 홀 d mm |
최대 축 구멍 직경 d mm |
허브 외경 DH mm |
허브 길이 L mm |
개략 질량 kg |
DXF 도형 3DCAD 데이터 PDF 도면 |
희망 가격 | 배달 | 핏보어 축 구멍 가공품 |
|
|---|---|---|---|---|---|---|---|---|---|---|---|---|---|
| RS80-1B10T-SS | 10 | 82.20 | 93 | 15.9 | 32 | 52 | 40 | 0.97 | DXF・3DCAD | 문의하십시오 | 문의하십시오 | 축 구멍 추가 가공 검색 | |
| RS80-1B11T-SS | 11 | 90.16 | 102 | 15.9 | 38 | 60 | 40 | 1.2 | DXF・3DCAD | 문의하십시오 | 문의하십시오 | 축 구멍 추가 가공 검색 | |
| RS80-1B12T-SS | 12 | 98.14 | 110 | 19 | 45 | 67 | 40 | 1.5 | DXF・3DCAD | 문의하십시오 | 문의하십시오 | 축 구멍 추가 가공 검색 | |
| RS80-1B13T-SS | 13 | 106.14 | 118 | 19 | 50 | 77 | 40 | 1.9 | DXF・3DCAD | 문의하십시오 | 문의하십시오 | 축 구멍 추가 가공 검색 | |
| RS80-1B14T-SS | 14 | 114.15 | 127 | 19 | 50 | 77 | 40 | 2.0 | DXF・3DCAD | 문의하십시오 | 문의하십시오 | 축 구멍 추가 가공 검색 | |
| RS80-1B15T-SS | 15 | 122.17 | 135 | 19 | 63 | 93 | 40 | 2.6 | DXF・3DCAD | 문의하십시오 | 문의하십시오 | 축 구멍 추가 가공 검색 | |
| RS80-1B16T-SS | 16 | 130.20 | 143 | 19 | 63 | 93 | 40 | 2.8 | DXF・3DCAD | 문의하십시오 | 문의하십시오 | 축 구멍 추가 가공 검색 | |
| RS80-1B17T-SS | 17 | 138.23 | 151 | 19 | 63 | 93 | 40 | 3.0 | DXF・3DCAD | 문의하십시오 | 문의하십시오 | 축 구멍 추가 가공 검색 | |
| RS80-1B18T-SS | 18 | 146.27 | 159 | 19 | 63 | 93 | 40 | 3.2 | DXF・3DCAD | 문의하십시오 | 문의하십시오 | 축 구멍 추가 가공 검색 | |
| RS80-1B19T-SS | 19 | 154.32 | 167 | 23 | 63 | 93 | 40 | 3.4 | DXF・3DCAD | 문의하십시오 | 문의하십시오 | 축 구멍 추가 가공 검색 | |
| RS80-1B20T-SS | 20 | 162.37 | 176 | 23 | 63 | 93 | 40 | 3.6 | DXF・3DCAD | 문의하십시오 | 문의하십시오 | 축 구멍 추가 가공 검색 | |
| RS80-1B21T-SS | 21 | 170.42 | 184 | 23 | 63 | 93 | 40 | 3.8 | DXF・3DCAD | 문의하십시오 | 문의하십시오 | 축 구멍 추가 가공 검색 | |
| RS80-1B22T-SS | 22 | 178.48 | 192 | 28 | 75 | 107 | 45 | 4.8 | DXF・3DCAD | 문의하십시오 | 문의하십시오 | 축 구멍 추가 가공 검색 | |
| RS80-1B23T-SS | 23 | 186.54 | 200 | 28 | 75 | 107 | 45 | 5.1 | DXF・3DCAD | 문의하십시오 | 문의하십시오 | 축 구멍 추가 가공 검색 | |
| RS80-1B24T-SS | 24 | 194.60 | 208 | 28 | 75 | 107 | 45 | 5.4 | DXF・3DCAD | 문의하십시오 | 문의하십시오 | 축 구멍 추가 가공 검색 | |
| RS80-1B25T-SS | 25 | 202.66 | 216 | 28 | 75 | 107 | 45 | 5.6 | DXF・3DCAD | 문의하십시오 | 문의하십시오 | 축 구멍 추가 가공 검색 | |


