수처리용 스프로킷 ACRD형
구동용 ACRD 체인형 스프로킷 입니다.
특징
- 2할(C할형)·교환치식(링 교체)을 라인업, 교환 공수를 대폭 단축하고, 축의 분해 불필요로 스프로킷 또는 마모부만의 교환으로 부품 비용과 폐기물을 삭감, 메인터넌스 효율 향상·코스트 저감·폐기물 저감에 공헌합니다.
카탈로그 · 취급설명서
형번 표시 예
ACRD형 스프로킷
| ACRD08 | - | 1C | 12T | Q | - | TS |
| | 적용 체인 크기 |
| | | |
| 잇수 |
| 이끝 경화 처리 |
| 유형 무기호: 일체형 TS:일체 2할(C할형) RK:링 교체치(D할형) |
||
| 열수 · 허브 형식 |
||||||
- 1. 스프로킷의 형상 타입은 아래 표에서 선택하십시오.
-
구조 사양 기호 일체형 무기호 일체 2할(C할형) TS 치형 블록 교체 치아 BK 링 대체 치아(D할형) RK - 2. 재질의 조합은 아래 표와 같습니다.
-
※치아부재질이 SCS2, FCD600의 경우는, 이끝 경화 처리를 하고 있습니다. 구조 재질 허브부・암부 주물 구조 SCS2、FCD600、SCS13 용접 구조 SS400+S25C(허브부 및 암부) 치아 일체형·TS(C할형) SCS2 또는 FCD600 RK(D할형) SCS2 또는 수지제 중 하나를 선택하십시오. BK(치형 블록 대체 치아) SCS2 - 3. 허브 길이의 배분이 좌우로 다른 경우는 각 치수를 지시해 주십시오.
- 4.도장 사양은 지정되는 관공청 등에 따라 다르므로 반드시 고객 사양을 참조하신 후 지시해 주십시오.
당사 표준 사양의 파일럿 홀 품은 징크리치 프라이머 1회입니다. 마무리 홀품은 진클리치 프라이머 1회, 에폭시 수지 도포 2회입니다.
수지, SCS13, 스테인리스 300 시리즈는 무도장입니다. 공통으로 축 구멍부, 허브 단면은 프리빈유 도포합니다. - 5. 사양을 명확하게 하기 위해 도면 등에서 지시해 주십시오.
상품 일람
- 【제품에 관한 주의 사항】
- ・구동축의 축경, 키치수, 종동축의 슬리브 외경치수 및 허브치수는 사용명시에 지시해 주십시오.
・표준적인 잇수를 기재하고 있습니다만, 상기 이외의 잇수 치수에 대해서도 제작 가능합니다. 별도용명해 주십시오.
・체인의 롤러 재질이 스테인리스 300 시리즈 또는 수지일 때는, 스프로킷은 특형 사양이 됩니다.
・ 각 허브 조립식의 경우, 마무리 구멍을 지시해 주십시오. 마무리 구멍의 최대 축 직경은 160mm까지입니다.
· 부는 참고이며, 표준품 치수가 아닙니다. 견적 의뢰시에는, 각각의 치수 및 잇수를 지시해 주시거나, 도면의 첨부를 부탁합니다.
・기재 치수는 칭호 치수이며 실제 치수와 다른 경우가 있습니다.
・ 잇수 25 이하는 C 타입만이 됩니다.
| 일체형 | 일체 2할(C할형) | 링 대체 치아(D할형) |
|---|---|---|
![]() |
![]() |
![]() |
ACRD형(ACRD형 체인의 정보는 이쪽)
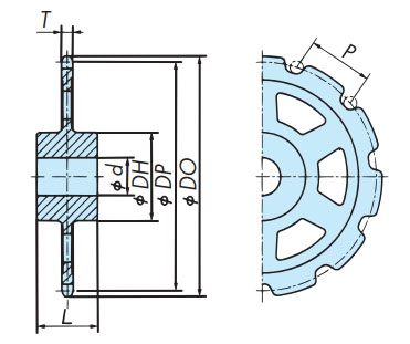
| 적용 체인 크기 | 스프로킷 형번 | 타입 | 피치 P |
잇수 | 외경 ΦDO |
피치원 지름 ΦDP |
치폭 T |
허브 치수(참고값) | 파일럿 홀 d (참고 값) |
축경 (참고 값) |
개략 질량 kg |
DXF 도형 3DCAD 데이터 |
PDF 도면 | |
|---|---|---|---|---|---|---|---|---|---|---|---|---|---|---|
| 직경 ΦDH | 긴 L | |||||||||||||
| ACRD08 | ACRD08-1C12TQ | 일체형 | 101.6 | 12 | 419 | 392.6 | 22 | 140 | 115 | 50 | 85 | 26 | DXF・3DCAD | 문의하십시오 |
| ACRD08-1C24TQ | 101.6 | 24 | 803 | 778.4 | 22 | 160 | 135 | 60 | 95 | 77 | DXF・3DCAD | 문의하십시오 | ||
| ACRD08-1C12TQ-TS | 일체 2할(C할형) | 101.6 | 12 | 419 | 392.6 | 22 | 140 | 115 | 50 | 85 | 26 | 문의하십시오 | 문의하십시오 | |
| ACRD08-1C24TQ-TS | 101.6 | 24 | 803 | 778.4 | 22 | 160 | 135 | 60 | 95 | 77 | 문의하십시오 | 문의하십시오 | ||
| ACRD08-1C12TQ-RK | 링 대체 치아(D할형) | 101.6 | 12 | 419 | 392.6 | 22 | 140 | 115 | 50 | 85 | 26 | 문의하십시오 | 문의하십시오 | |
| ACRD08-1C24TQ-RK | 101.6 | 24 | 803 | 778.4 | 22 | 160 | 135 | 60 | 95 | 77 | 문의하십시오 | 문의하십시오 | ||
| ACRD10 | ACRD10-1C10TQ | 일체형 | 127 | 10 | 433 | 411 | 25 | 150 | 125 | 50 | 90 | 29 | DXF・3DCAD | 문의하십시오 |
| ACRD10-1C18TQ | 127 | 18 | 751 | 731.4 | 25 | 180 | 150 | 70 | 110 | 74 | DXF・3DCAD | 문의하십시오 | ||
| ACRD10-1C10TQ-TS | 일체 2할(C할형) | 127 | 10 | 433 | 411 | 25 | 150 | 125 | 50 | 90 | 29 | 문의하십시오 | 문의하십시오 | |
| ACRD10-1C18TQ-TS | 127 | 18 | 751 | 731.4 | 25 | 180 | 150 | 70 | 110 | 74 | 문의하십시오 | 문의하십시오 | ||
| ACRD10-1C10TQ-RK | 링 대체 치아(D할형) | 127 | 10 | 433 | 411 | 25 | 150 | 125 | 50 | 90 | 29 | 문의하십시오 | 문의하십시오 | |
| ACRD10-1C18TQ-RK | 127 | 18 | 751 | 731.4 | 25 | 180 | 150 | 70 | 110 | 74 | 문의하십시오 | 문의하십시오 | ||
| ACRD12 | ACRD12-1C9TQ | 일체형 | 152.4 | 9 | 480 | 445.6 | 30 | 160 | 135 | 60 | 95 | 40 | DXF・3DCAD | 문의하십시오 |
| ACRD12-1C15TQ | 152.4 | 15 | 765 | 733 | 30 | 190 | 160 | 80 | 115 | 90 | DXF・3DCAD | 문의하십시오 | ||
| ACRD12-1C9TQ-TS | 일체 2할(C할형) | 152.4 | 9 | 480 | 445.6 | 30 | 160 | 135 | 60 | 95 | 40 | 문의하십시오 | 문의하십시오 | |
| ACRD12-1C15TQ-TS | 152.4 | 15 | 765 | 733 | 30 | 190 | 160 | 80 | 115 | 90 | 문의하십시오 | 문의하십시오 | ||
| ACRD12-1C9TQ-RK | 링 대체 치아(D할형) | 152.4 | 9 | 480 | 445.6 | 30 | 160 | 135 | 60 | 95 | 40 | 문의하십시오 | 문의하십시오 | |
| ACRD12-1C15TQ-RK | 152.4 | 15 | 765 | 733 | 30 | 190 | 160 | 80 | 115 | 90 | 문의하십시오 | 문의하십시오 | ||
| ACRD17 | ACRD17-1C9TQ | 일체형 | 152.4 | 9 | 476 | 445.6 | 30 | 180 | 150 | 70 | 110 | 45 | DXF・3DCAD | 문의하십시오 |
| ACRD17-1C15TQ | 152.4 | 15 | 760 | 733 | 30 | 230 | 200 | 100 | 140 | 110 | DXF・3DCAD | 문의하십시오 | ||
| ACRD17-1C9TQ-TS | 일체 2할(C할형) | 152.4 | 9 | 476 | 445.6 | 30 | 180 | 150 | 70 | 110 | 45 | 문의하십시오 | 문의하십시오 | |
| ACRD17-1C15TQ-TS | 152.4 | 15 | 760 | 733 | 30 | 230 | 200 | 100 | 140 | 110 | 문의하십시오 | 문의하십시오 | ||
| ACRD17-1C9TQ-RK | 링 대체 치아(D할형) | 152.4 | 9 | 476 | 445.6 | 30 | 180 | 150 | 70 | 110 | 45 | 문의하십시오 | 문의하십시오 | |
| ACRD17-1C15TQ-RK | 152.4 | 15 | 760 | 733 | 30 | 230 | 200 | 100 | 140 | 110 | 문의하십시오 | 문의하십시오 | ||




