파워실린더 용 브레이크 부착 모터 옵션 U・T・G 시리즈 공통
다양한 환경이나 지역에 대응한 특수 브레이크 부착 모터를 옵션으로 준비하고 있습니다.
- 내열
- 방수
- 인버터 구동
- 내압 방폭
- 고효율
- 해외 표준
- 모터 고객 선착장
형번 표시 예
| LP | T | C | 4000 | L | 10 | V | T1 | LJ | - | TK |
| | 시리즈 이름 (U · T · G) |
| 전압 기호 |
| | |
| ※말미에 -TK를 추가해 주세요. |
|||||||
| 모터 옵션 | ||||||||||
브레이크 부착 모터 바리에이션 소개
| 모터 | 사양 | 기호 | 적용 용량 (kW) |
허용 주위 온도 ※1 |
내열 클래스 ※2 |
부하시간률 %ED |
시간 정격 | 브레이크용 전원 모듈 |
보호 등급 |
|---|---|---|---|---|---|---|---|---|---|
| 표준(0.1~3.7kW) | 내열 클래스 B종 | - | 0.1~3.7 | -15~40℃ | B | 25 | S2 30min | 단자함 내장 | IP55 |
| 표준(5.5~15kW) | 내열 클래스 B종 | - | 5.5~15 | -15~40℃ | B | 25 | S1 | 단자함 내장 | IP55 |
| 내열 40℃ F종 | 내열 클래스 F종 | T1 | 0.1~1.5 | 0~40℃ | F | 25 | S2 30min | 단자함 내장 | IP55 |
| 내열 60℃ F종 | 내열 클래스 F종 | T2 | 0.1~1.5 | 0~60℃ | F | 15 | S2 15min | 별도 두어 ※3 | IP55 |
| 내열 80℃ F종 | 내열 클래스 F종 | T3 | 0.1~1.5 | 0~80℃ | F | 5 | S2 5min | 별도 두어 ※3 | IP55 |
| 내열 80℃ H종 | 내열 클래스 H종 | T4 | 0.1~1.5 | 0~80℃ | H | 15 | S2 15min | 별도 두어 ※3 | IP55 |
| 보호 등급 IP56 | 표준(IP55)보다 높은 방수 요구에 대응 | W | 0.1~1.5 | -15~40℃ | B | 25 | S2 30min | 단자함 내장 | IP56 |
| 인버터 구동 | 6~60Hz의 범위에서 정추력 운전이 가능 | Z | 0.1~1.5 | 0~40℃ | F | 25 | S2 30min | 단자함 내장 | IP55 |
| 내압 방폭 | 구조 표준: d2G4 | D | 0.2~1.5 | -10~40℃ | B | 25 | S3 40% | - | IP44 |
| 고효율 모터 | 프리미엄 효율 IE3 | E | 0.75~11 | 0~40℃ | B | 25 | S1 | 단자함 내장 | IP55 |
| CE 마킹 | 대상 규격 EN60034-1 | N | 0.1~0.4 | -15~40℃ | B | 25 | S2 30min | 단자함 내장 | IP55 |
| UL 규격 대응 | 대상 규격 UL1004 UL File No. E225995 |
N2 | 0.1~0.4 | -15~40℃ | A | 25 | S2 30min | 단자함 내장 | IP20 |
| CCC 규격 대응 | 국가 표준: GB12350 | N3 | 0.1~0.4 | -15~40℃ | E | 25 | S2 30min | 단자함 내장 | IP55 |
| 어댑터 사양 | 고객이 준비한 모터가 간단 설치 (치수는 아래) |
A | 0.1~7.5 | - | - | 25 | - | - | - |
- ※1 결로 없는 것
- ※2 브레이크는 내열 클래스 B종입니다.
- ※3 40℃ 이하의 환경에 전원 모듈을 설치해 주십시오. 내열 80℃의 모터 단자는 러그식입니다.
내열 80℃ H종의 전원 모듈에 대한 전원 전압은 200~220V뿐입니다.
모터 기본 사양
공통 사양
- ・적응 기종: 파워실린더 U 시리즈 ・T 시리즈 ・G 시리즈
- ・적응 모터 용량:0.1kW~3.7kW
- ・모든 옥외 사양(IP55), 브레이크 부착
- ・내열 클래스 B
표준 전압
・전압기호:무기호(200V급), V(400V급)
- 사용 가능 온도 범위:-15~40℃(결로 없을 것)
- 부하시간률:25%ED
- 정격: S2 30min
- 브레이크용 전원 모듈: 단자함 내장
・주석
브레이크를 별도로 사용하는 경우는 문의해 주십시오.
이전압 대응
・전압기호:V1(380V,50Hz), V2(380V,60Hz), V3(415V,50Hz), V4(460V,60Hz)
모터 변형
IP56 명세: W
선박·항만 관련 설비에서는 높은 보호 등급이 요구되는 경우가 많습니다. 이번 그 요구에 대응할 수 있도록 IP56(방진형·내수형)에 대응합니다.
공통 사양
- ・적응 기종: 파워실린더 U 시리즈 ・T 시리즈 ・G 시리즈
- ・적응 모터 용량:0.1kW~1.5kW
- ・모든 옥외 사양, 브레이크 부착
- ・내열 클래스(B)
IP56 모터 대응
・ 형번:W(200V급), VW(400V급)
- 사용가능온도범위:-15~40℃
- 부하시간률:25%ED
- 정격: S2 30min
- 형식: 밀폐 자체냉각형 3상 유도 전동기
내열 사양: T
기존에 비해 제품 배달의 대폭 단축과 저가격화를 실현했습니다. 또, 종래 대응할 수 없었던 내열 클래스 "H"가 대응 가능하게 되었습니다.
공통 사양
- ・적응 기종: 파워실린더 U 시리즈 ・T 시리즈 ・G 시리즈
- ・적응 모터 용량:0.1kW~1.5kW(이상의 용량은 매번 상담해 주십시오)
- ・모든 옥외 사양(IP55), 브레이크 부착(브레이크는 내열 클래스 B)
내열 클래스 "F"대응
40℃
・ 형번:T1(200V급), VT1(400V급), V1T1(380V,50Hz), V2T1(380V,60Hz), V3T1(415V,50Hz), V4T1(460V,60Hz)
- 사용 가능 온도 범위:0~40℃(결로 없을 것)
- 부하시간률:25%ED
- 정격: S2 30min
- 브레이크용 전원 모듈: 단자함 내장
60℃
・ 형번:T2(200V급), VT2(400V급), V1T2(380V,50Hz), V2T2(380V,60Hz), V3T2(415V,50Hz), V4T2(460V,60Hz)
- 사용 가능 온도 범위:0~60℃(결로 없을 것)
- 부하시간률:15%ED
- 정격: S2 15min
- 브레이크용 전원 모듈:별도 놓아(표준 DC 모듈)
・40℃ 이하의 환경에 설치해 주십시오.
・단자 상자 내장을 희망하시는 경우는, 문의해 주세요.
80℃
・ 형번:T3(200V급), VT3(400V급), V1T3(380V,50Hz), V2T3(380V,60Hz), V3T3(415V,50Hz), V4T3(460V,60Hz)
- 사용 가능 온도 범위:0~80℃(결로 없을 것)
- 부하시간률:5%ED
- 정격: S2 5min
- 브레이크용 전원 모듈:별도 놓아(표준 DC 모듈)
・40℃ 이하의 환경에 설치해 주십시오.
・주석
모터 단자는 러그식입니다.
내열 클래스 "H"대응
・ 형번:T4(200V급), VT4(400V급), V1T4(380V,50Hz), V2T4(380V,60Hz), V3T4(415V,50Hz), V4T4(460V,60Hz)
- 사용 가능 온도 범위:0~80℃(결로 없을 것)
- 브레이크용 전원모듈:별도(특수 DC 모듈)
・40℃ 이하의 환경에 설치해 주십시오.
・브레이크용 전원 모듈에 대한 전원 전압은 200~220V뿐입니다.
・주석
모터 단자는 러그식입니다.
일본 표준 모터 대응 프리미엄 효율 IE3 사양:E
파워실린더 표준품에 사용되는 브레이크 부착 모터는 단시간 정격 모터(S2)를 표준 채용하고 있습니다.
상기 모터는, 톱 러너 규제의 대상외로, 법적으로는 문제 없습니다만, 고객의 요구에 의해, 일본 표준 모터 대응이 가능합니다.
*주의:모터의 크기, 배선, 전류값은 바뀌므로 주의해 주십시오.
공통 사양
- ・적응 기종: 파워실린더 U 시리즈 ・T 시리즈
- ・적응 모터 용량:0.75kW~11kW
- ・모든 옥외 사양(IP55), 브레이크 부착
- ・사용 가능 온도 범위:0~40℃(결로 없을 것)
- ・브레이크용 전원 모듈:단자 상자 내장
일본 표준 모터 대응 프리미엄 효율 IE3 사양
・ 형번:E(200V급), VE(400V급)
인버터 사양: Z
기존에 비해 제품 배달의 대폭 단축과 저가격화를 실현했습니다. 가감속이나 가변속 등의 속도 제어를 용이하게 할 수 있어 파워실린더의 컨트롤성을 UP했습니다.
또, 표준이 브레이크 첨부로 옥외 사양입니다.
공통 사양
- ・적응 기종: 파워실린더 U 시리즈 ・T 시리즈 ・G 시리즈
- ・적응 모터 용량:0.1kW~1.5kW(이상도 대응합니다)
- ・모든 옥외 사양(IP55), 브레이크 부착(브레이크는 내열 클래스 B)
- ・내열 클래스 F
- ・6~60Hz의 범위에서 정 토크 운전이 가능합니다.
인버터 구동 대응
・ 형번:Z(200V급), ZV(400V급)
- 사용 가능 온도 범위:0~40℃(결로 없을 것)
- 부하시간률:25%ED
- 정격: S2 30min
- 브레이크용 전원 모듈: 단자함 내장
・주석
브레이크용 전원 모듈에는 인버터 출력이 아닌 정상 전원 전압을 인가하십시오.
인가할 수 있는 전원 전압은 200V급 200~220V, 400V급 400~440V입니다.
글로벌 사양: N
세계의 지령, 규제, 제도(CE, UL, CCC)에 적합한 파워실린더가 대응 가능하게 되었습니다.
해외로 수출되는 장치에 사용하실 수 있습니다.
공통 사양
- ・적응 기종: 파워실린더 U 시리즈 ・T 시리즈 ・G 시리즈
- ・적응 모터 용량:0.1kW~0.4kW(이상도 대응합니다)
- ・사용 가능 온도 범위:-15~40℃(결로 없을 것)
- ・모두 브레이크 부착
・주석
브레이크 부착 모터만 규격 대응품이 됩니다. 리미트 스위치 등이 필요한 경우는 문의해 주십시오.
CE 대응
・ 형번:N(200V급), VN(400V급)
・사양(N,VN공) 보호 형식:IP55
내열 클래스:(B)

대상 지령 규격
대상 지령:Low Voltage Directive 2014/35/EU(저전압 지령)
대상 규격: EN60034-1
(모터에 관한 규정)
유럽에 수출하는 제품에 대해서는, 유럽의 EC 지령으로 규정된 안전 요구 사항에 적합하고 있는 것을 증명하는 「CE 마크」를 표시하지 않으면, 유럽 시장에 수출할 수 없습니다. (CE 대응이란 EC 지령에 적합하다는 것을 증명하는 "CE 마크"를 제품 자체에 붙인 것입니다.)
UL 대응
・ 형번:N2(230/240V,60/60Hz), VN2(460V,60Hz)
・사양(N2, VN2공) 보호 형식:IP20
내열 클래스:(A)

대상 지령 규격 File No.
대상 규격: UL1004
UL File No.:E225995
UL이란 "UnderwritersLaboratories" 미국 보험업자 시험소의 약칭으로 미국에서의 안전 시험 기획을 대표하는 것입니다. (UL 대응이란, 이 UL 규격을 인식 취득한 모터를 이용하여, UL 규격 인정을 증명하는 UL 마크를 제품 자체에 붙인 것입니다.)
C-UR 모델에서 인증 취득하고 있으며, UL과 CSA 규격 양쪽에 적합합니다.
CCC 대응
・ 형번:N3(200/220/200/220V,50/50/60/60Hz, 0.4kW는 220/220V,50/60Hz만이 됩니다), VN3(380V/50Hz)
・사양(N3,VN3공) 보호 형식:IP55
내열 클래스:(E)
※() 안은 모터 용량에 따라 다릅니다.

국가 표준: GB12350
CCC는 중국의 강제 인증 제도로, 1.1kW 이하의 소출력 전동기를 중국에 수출하기 위해서는 강제 인증을 증명하는 CCC 마크를 표시할 필요가 있습니다.
중국 진출, 상품 질량 인증 중심(CQC)에서 인증 취득하고 있습니다.
내압 방폭 사양:D
1종 및 2종 위험 장소에서 사용할 수 있는 내압 방폭 구조에 적응한 파워실린더가 단 배달로 대응 가능하게 되었습니다.
내압 방폭 구조란, 용기 내부에서 폭발성 가스의 폭발이 일어났을 경우, 용기가 그 압력을 견디고, 또한 외부의 폭발성 가스에 인화할 우려가 없는 구조입니다.
공통 사양
- ・적응 기종: 파워실린더 U 시리즈 ・T 시리즈 ・G 시리즈
- ・적응 모터 용량:0.2kW~1.5kW(이상도 대응합니다)
- ・모두 옥외 사양(IP44), 브레이크 부착
- ・내열 클래스 B
d2G4 대응
・ 형번:D(200V급), VD(400V급)
- 사용 가능 온도 범위:-10~40℃(결로 없을 것)
- 부하시간률:25%ED
- 정격: S3 40%
- 브레이크용 전원 모듈:없음(교류 브레이크)
・주석
스트로크 조정 외부 LS2개 부착(별도 옵션품)도 내압 방폭 사양의 대응이 가능합니다.
별도 문의해 주십시오.
브레이크 부착 모터 옵션 기호 일람
| 모터 사양 | 전압·주파수 | |||||
|---|---|---|---|---|---|---|
| 200/200/220V 50/60/60Hz |
400/400/440V 50/60/60Hz |
380V 50Hz |
380V 60Hz |
415V 50Hz |
460V 60Hz |
|
| 표준 | 무기호 | V | V1 | V2 | V3 | V4 |
| 내열 40℃ F종 | T1 | VT1 | V1T1 | V2T1 | V3T1 | V4T1 |
| 내열 60℃ F종 | T2 | VT2 | V1T2 | V2T2 | V3T2 | V4T2 |
| 내열 80℃ F종 | T3 | VT3 | V1T3 | V2T3 | V3T3 | V4T3 |
| 내열 80℃ H종 | T4 | VT4 | V1T4 | V2T4 | V3T4 | V4T4 |
| 보호 등급 IP56 | W | VW | - | - | - | - |
| 인버터 구동 | Z | ZV | - | - | - | - |
| 내압 방폭 | D | VD | - | - | - | - |
| 고효율 모터 | E | VE | - | - | - | - |
| 모터 사양 | 전압·주파수 | |||||
|---|---|---|---|---|---|---|
| 200/200/220V 50/60/60Hz |
230/240V 60/60Hz |
200/220/200/220V 50/50/60/60Hz |
380/400/400/440V 50/50/60/60Hz |
460V 60Hz |
380V 50Hz |
|
| CE 마킹 | N | - | - | VN | - | - |
| UL 규격 대응 | - | N2 | - | - | VN2 | - |
| CCC 규격 대응 | - | - | N3 | - | - | VN3 |
| 고효율 · CE 마킹 | EN | - | - | VEN | - | - |
| 고효율·UL 규격 대응 | - | EN2 | - | - | VEN2 | - |
| 고효율·CCC 규격 대응 | - | - | EN3 | - | - | VEN3 |
- ※ 상기 이외의 브레이크 부착 모터 특수 사양에 대해서는 모터 옵션 기호를 모두 “X”라고 기재합니다.
- ※전기종마다 견적품이 됩니다.
어댑터 사양: A
고객 희망의 메이커나 IEC, NEMA, 해외 규격, 그 외 특수한 플랜지 모터를 고객으로 준비되는 경우, 간단하게 설치할 수 있도록, 어댑터까지 당사로 준비합니다.
그 외, 플랜지 사이즈나 모터 축경이 특수한 것에도 대응합니다. 문의하십시오.
공통 사양
- ・적응 기종: 파워실린더 U 시리즈 ・T 시리즈 ・G 시리즈
- ・적응 모터 용량:0.1kW~7.5kW
어댑터 대응
・ 형번:A(모든 브레이크 부착 모터에 적응합니다.)
・ 파워실린더의 사용 환경 기준
- 사용 가능 온도 범위:-15~40℃(결로 없을 것)※40℃ 이상도 대응 가능합니다.
- 부하시간률:25%ED 이내
・주석
- ・브레이크 부착 모터의 기동 토크는 정격 토크의 200% 이상의 것을 선택해 주십시오.
- ・ 파워실린더는 고효율을 위해 반드시 브레이크 부착을 준비해 주십시오.
- ・브레이크 토크는 정격 토크의 150% 이상

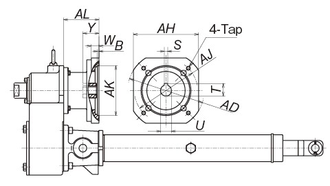
어댑터 사양 치수 일람
T 시리즈 어댑터 장착 치수 일람 (IEC 규격 모터)
| 프레임 번호 | 속도 | 모터 용량 | 프레임 번호 | AL | AD | AH | AK | B | AJ | S | T | U | W | Y | Tap dia | |
|---|---|---|---|---|---|---|---|---|---|---|---|---|---|---|---|---|
| LPTB LPTC |
250 | S | 0.1 | 63 | 80 | Φ160 | - | Φ110G7 | 4 | Φ130 | 4Js9 | 12.8 | Φ11F7 | 15 | 25 | 4-M8 |
| L | 0.1 | 72 | - | 5 | 14 | |||||||||||
| M | 0.2 | - | ||||||||||||||
| H | 0.4 | 71 | - | 5Js9 | 16.3 | Φ14F7 | 32 | |||||||||
| LPTB LPTC |
500 | S | 0.1 | 63 | 80 | Φ160 | - | Φ110G7 | 4 | Φ130 | 4Js9 | 12.8 | Φ11F7 | 15 | 25 | 4-M8 |
| L | 0.2 | 72 | - | 5 | 14 | |||||||||||
| M | 0.4 | 71 | - | 5Js9 | 16.3 | Φ14F7 | 32 | |||||||||
| H | 0.75 | 80 | 92 | Φ200 | □170 | Φ130H7 | 4 | Φ165 | 6Js9 | 21.8 | Φ19F7 | 20 | 42 | 4-M10 | ||
| LPTB LPTC |
1000 | S | 0.2 | 63 | 80 | Φ160 | - | Φ110G7 | 4 | Φ130 | 4Js9 | 12.8 | Φ11F7 | 15 | 25 | 4-M8 |
| L | 0.4 | 71 | 72 | - | 5 | 5Js9 | 16.3 | Φ14F7 | 14 | 32 | ||||||
| M | 0.75 | 80 | 92 | Φ200 | □170 | Φ130H7 | 4 | Φ165 | 6Js9 | 21.8 | Φ19F7 | 20 | 42 | 4-M10 | ||
| H | 1.5 | 90L | 8Js9 | 27.3 | Φ24F7 | 52 | ||||||||||
| LPTB LPTC |
2000 | S | 0.4 | 71 | 85 | Φ160 | - | Φ110G7 | 4 | Φ130 | 5Js9 | 16.3 | Φ14F7 | 15 | 32 | 4-M8 |
| L | 0.75 | 80 | 72 | Φ200 | - | Φ130G7 | 5 | Φ165 | 6Js9 | 21.8 | Φ19F7 | 16 | 42 | 4-M10 | ||
| M | 1.5 | 90L | - | 8Js9 | 27.3 | Φ24F7 | 52 | |||||||||
| H | 2.2 | 100L | 116 | Φ250 | □200 | Φ180H7 | 4.5 | Φ215 | 31.3 | Φ28F7 | 20 | 62 | 4-M12 | |||
| LPTB LPTC |
4000 | S | 0.75 | 80 | 90 | Φ200 | - | Φ130G7 | 4 | Φ165 | 6Js9 | 21.8 | Φ19F7 | 20 | 42 | 4-M10 |
| L | 1.5 | 90L | 72 | - | 5 | 8Js9 | 27.3 | Φ24F7 | 16 | 52 | ||||||
| M | 2.2 | 100L | 116 | Φ250 | □200 | Φ180H7 | 4.5 | Φ215 | 31.3 | Φ28F7 | 20 | 62 | 4-M12 | |||
| H | 3.7 | 112M | ||||||||||||||


