플라스틱 톱 체인 커브 도어큐뮬레이션 체인 TP-36UTW-LAP형 주요 제원

TP-36UTW-LAP


특징

  • ・롤러의 구름에 의해 라인 압력을 경감합니다.
  • ・롤러와 반송물의 마찰계수는 0.07입니다.
  • ・반송품이 어큐뮬레이션하는 라인에 적합합니다.

[클릭으로 확대]
※참고 이미지입니다
PDF 외형도

문의하십시오

DXF 도형 데이터

아래 표를 참조하십시오
(DXF 데이터 일람은 이쪽)

주요 제원 ·가격· 배달

체인 피치 mm 백벤드 반경 mm
36 160
어큐뮬레이션
체인 기호
(시리즈를 클릭하시면
더 자세한 정보를 보실 수 있습니다.
재질 외관색 최대 허용 장력
kN
허용 속도
m/min
사용온도범위
°C
핀 재질 능력선도
링크 롤러 윤활유 윤활 없음
저마찰・내마모 저마찰・내마모 LFW 화이트 1.1 100 50 -20~(65)80 SUS304 능력선도 표시
형번  플레이트 폭
mm
1 유닛
링크 수
개략 질량
kg/m
DXF
도형
데이터
標準価格/リンク 배달
TP-36UTW-LAP 120 85 2.90 DXF문의하십시오 문의하십시오

노트
1.「●」:재고품입니다.
상기 체인 사양표에 기재되어 있지 않은 사양에 대해서는 제작할 수 없습니다.
2.사용 온도 범위의 (괄호 안 수치)는 습식 조건의 경우입니다.
3.플라핀 사양은 제작할 수 없습니다.

적용 가능한 사양 세부 사항

사양 사양 기호 범용 마모분의 발생을 저감 낮은 마찰(부드러운 미끄러짐) 높은 마찰력 (미끄러짐 방지) 약품에 강하다(부식하기 어렵다) 고속 운전 고온 분위기에서 사용 저온 분위기에서 사용 건조 조건에서만 사용 우수한 전도성 충격에 강함 자외선에 강함 곰팡이의 성장을 방지하세요 파편을 금속 검지로 검지할 수 있다
표준
시리즈
마찰 감소 / 마모 방지 LFW           
  • 주)◎: 유, ●: 양, ▲: 가능

적용 스프로킷

※ 형번 클릭으로 상세 정보를 표시합니다. 이미지는 클릭으로 확대됩니다.


형번  잇수 피치 원 직경
mm
축 구멍 치수
mm
타입
TP-36UT-13T 13 150.42 요청에 따라 제작 검토에서
대응하겠습니다.
일체형

적용 아이들러 휠

※ 형번 클릭으로 상세 정보를 표시합니다. 이미지는 클릭으로 확대됩니다.


형번  상당한 분할잇수 외경
mm
파일럿 홀
mm
타입
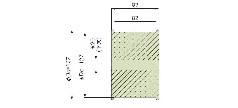
TP-IW36UTW-13T 13 137 요청에 따라 제작 검토에서
대응하겠습니다.
일체형

적용 플라스틱 레일

※ 형번 클릭으로 상세 정보를 표시합니다. 이미지는 클릭으로 확대됩니다.



레일 재질 기호 형번  두께
mm

mm
본체 엔드 플레이트
PR-PH형 PLF PR-PH□□□-PLF PR-PH□□□E-PLF 3~5 20~40
PR형 M PR520-M PRE520-M 5 20

본 플라스틱 레일은 내열성 및 내약품성을 가지고 있지 않습니다.
특수한 환경・사용 조건으로 사용되는 경우는 당사에 문의해 주십시오.

×
(드래그로 이동할 수 있습니다)

표준 사양 [ 사양 기호: 없음, G, W, B, BL, A ]

체인 링크에 범용 폴리 아세탈 채용

외관 색깔: 회색

외관 색깔: 백색

외관 색깔: 파란

외관 색깔: 하늘색

■ 범용 타입
기계적 성질이 뛰어난 일반 등급의 폴리아세탈 수지를 사용하므로 일반 용도에 적합합니다.
■ 정전기 방지
정전기에 의한 먼지나 마모분의 부착을 방지하는 대전 방지 기능을 부여하고 있습니다.
(외관색: 그레이·블루·그린·스카이블루만) 주)2
  • 주) 1. 사양기호가 '없음', 'B', 'G'의 제품에는 식품위생법(후생성 고시 370호)에 부적합한 것도 포함됩니다. 자세한 것은 이쪽을 확인해 주세요.
  • 주) 2. 사양 기호가 있는 상품이 있습니다. 자세한 내용은 제품정보를 참조하십시오.
  • 주) 3. 외관색과 대전방지 기능의 유무는 각 제품 페이지를 참조해 주십시오.
  • 주) 4. 플라스틱롤러 테이블이나 플라스틱 유니버설 체인처럼 "표준 사양 "이라고 표현하지 않는 상품도 있습니다.
×
(드래그로 이동할 수 있습니다)

마찰 감소 / 마모 방지 사양 [ 사양 기호: LF ]

체인링크에 마찰 감소 / 마모 방지 폴리아세탈 채용

외관색: 화이트 [LFW]

외관 색: 녹색 [LFG]

외관색: 브라운 [LFB]

■ 용도

  • 다양한 용도로 사용 가능
  • 사용 조건이 엄격하고 (고속 · 고장력) 체인의 마모 신장이 빠르다 등 표준 사양 에서는 체인 교체 사이클이 짧은 경우
  • 라인 프레셔가 높고 제품의 상처 부착을 특히 방지하고 싶은 경우
■ 반송물 보호
마찰계수가 표준 사양 보다 15~45% 낮아, 어큐뮬레이트시의 라인 프레셔를 경감, 반송물에 상처가 붙기 어려워집니다.
■ 긴 수명 (표준 사양 비)
체인 장력의 감소에 의해, 표준 사양 보다 1.2~2배로 수명이 향상됩니다.
■ 반송물의 분기·집합이 부드럽게
■ 소요 동력 감소
■ 표준 사양 ・LF 사양・ALF 사양의 마모 신장 성능
  • 주)
    사양기호가 'LFB'인 제품에는 식품위생법(후생성 고시 370호)에 부적합한 것도 포함됩니다. 자세한 것은 이쪽을 확인해 주세요.
×
(드래그로 이동할 수 있습니다)

마찰 감소 / 마모 방지 사양 [ 사양 기호: CB ]

체인 링크에 마찰 감소 / 마모 방지 특수 폴리아세탈 채용

외관색: 블루 [CB]

■ 용도

  • 라인 프레셔가 높고 제품의 상처 부착을 특히 방지하고 싶은 경우
  • 주)
    실리콘계 윤활제를 배합하고 있으므로, 인쇄 공정에서 인쇄 흠집이 우려되는 부분이나 실리콘이 악영향을 주는 조건하에서는 사용하지 말아 주세요.
■ 반송물 보호
마찰계수가 표준 사양 보다 낮아 축적 속도 시 라인 압력을 감소시켜 이송물에 흠집이 잘 생기지 않습니다.
■ 반송물의 분기·집합이 부드럽게
■ 소요 동력 감소
■ 적용 체인 형식은 아래와 같습니다.
  • WT2515G-M형, WT2515-W형, WT2515G-W형, WT2515F-W형, TTUPM838H형만
×
(드래그로 이동할 수 있습니다)

초저 마찰 감소 / 마모 방지 사양 [ 사양 기호: ALF ]

체인 링크에 초저 마찰 감소 / 마모 방지 아세탈 채용

외관색: 라이트 블루 [ALF]

■ 용도

  • 포장기 앞 윤활제를 사용할 수 없고 마모 분말을 기피하는 공정
  • 음료 산업의 건식 윤활 공정
  • 어큐뮬레이트 컨베이어
  • 음료 업계, 검사기·인쇄 컨베이어, 싱글 파일러 등의 체인 속도가 빠른 공정
  • 주) 1. 실리콘계 윤활제를 배합하고 있으므로, 인쇄 공정에서 인쇄 흠집이 우려되는 부분이나 실리콘이 악영향을 미치는 조건 하에서는 사용하지 마십시오.
  • 주) 2. ULF 시리즈는 2018년 10월을 기점으로 생산이 중단되었습니다.
■ 반송물 보호
건식 이송을 목적으로 실리콘계 윤활제를 배합하여 개발한 당사 독자적인 소재입니다. 기존의 구 ULF 사양과 동일한 마찰계수를 유지하면서 무윤활 조건에서 마모분 발생량을 대폭 감소시켰습니다.
■ 반송물의 분기·집합이 부드럽게
■ 소요 동력 감소
■ 구 ULF 사양과의 마모량 비교
65%down
  • ※상기 그래프는 당사 사내 테스트 결과입니다 구 ULF 사양의 마모 체적을 100(기준)으로 하고 있습니다.
  • ※ALF사양은, 구ULF사양과 비교해 특히 플라스틱 레일의 마모분의 발생을 억제합니다. 또한 마모분의 발생을 억제하고 싶은 경우는 플라스틱 레일 마찰 감소 / 마모 방지 (PLF)의 채용을 추천합니다.
×
(드래그로 이동할 수 있습니다)

저마찰 사양 [ 사양 기호: NLF ]

체인링크에 저마찰 폴리아세탈 채용

외관색: 다크 그레이 [NLF]

■ 용도

  • 다양한 용도로 사용 가능
  • 라인 프레셔가 높고 제품의 상처 부착을 특히 방지하고 싶은 경우
■ 반송물 보호
마찰계수가 표준 사양 보다 10~30% 낮아 축적 속도 시 라인 압력을 감소시켜 이송물에 흠집이 잘 생기지 않습니다.
■ 반송물의 분기·집합이 부드럽게
■ 소요 동력 감소
  • ※ 허용 장력은 표준 사양과 동일합니다.
×
(드래그로 이동할 수 있습니다)

저마찰 사양 [ 사양 기호: WR ]

체인링크에 내식성 폴리아세탈 채용

외관색: 다크 그린 [WR]

■ 용도

  • 차아염소산 소다 등의 약품을 사용하는 경우
  • 라인 프레셔가 높고 제품의 상처 부착을 특히 방지하고 싶은 경우
■ 반송물 보호
마찰 계수가 표준 사양 보다 7~28% 축적 속도 시 라인 압력을 감소시킵니다. 반송물에 흠집이 잘 생기지 않습니다.
■ 내식성
차아염소산소다 등의 내식성을 향상시켜 음료, 식품의 컨베이어에 적합합니다.
■ 반송물의 분기·집합이 부드럽게
■ 소요 동력 감소
  • 허용 장력은 표준 사양과 동일합니다.
×
(드래그로 이동할 수 있습니다)

내열·고속 사양 [ 사양 기호: KV ]

체인 링크에 특수 엔지니어링 플라스틱 채용

외관색: 블랙 [KV150・KV180・KV250]

■ 용도

  • 태양광 패널의 라미네이트 후공정의 반송
  • 건조로에서 나온 프린트 기판의 반송
  • 수축 난로에서의 이송
  • 취반 가마 이송
  • 빵 오븐 출구에서 운반
  • 각종 건조로 이송
  • 열수 및 고농도 약품으로 세척하는 공정에서의 이송
  • 주사기 건조 공정에서의 이송
  • 음료·충전 캡퍼기의 씨머 출구 고속 이송
  • 주) 1. KV150은 식품위생법(후생성 고시 제370호)에 적합하지 않습니다.
  • 주) 2. KV150은 드라이 조건 전용입니다.
  • 주) 3. 카탈로그의 내열·고속(KV) 사양의 사용상의 주의를 맞추어 참조해 주십시오.
  • 주) 4. 사용온도범위 : -20~150℃(KV150), -20~180℃(KV180), -20~250℃
■ 최고 사용 분위기 온도
  • 150℃ (사양기호) : KV150
  • 180℃ (사양기호) : KV180
  • 250℃ (사양기호) : KV250
■ 최고 속도
200m/min (플라스틱 톱 체인의 경우)
■ 내약품성
세정·살균성의 약품에 뛰어난 내성을 가집니다.
■ 전도성
표면저항값이 낮아 정전기를 띠지 않습니다. (1 X 10 6 Ω·cm) 먼지의 부착 방지, 스파크 방지에 적합합니다.
■ 난연성
UL 규격 V-0 클래스 (난연성이 높은 클래스)

주) KV150 제외

■ 소음
2~3db 높아집니다. (표준 사양 비)
■ 적용 체인 형식 예
  • BTC6형, TPU826-T형, RSP40형 등
×
(드래그로 이동할 수 있습니다)

마찰 감소 / 마모 방지 사양 [ 사양 기호: HG ]

체인링크에 마찰 감소 / 마모 방지 폴리아세탈 채용

외관 색상: 네이비 블루 [HG]

■ 용도

  • 포장기 앞 윤활제를 사용할 수 없고 마모 분말을 기피하는 공정
  • 음료 업계, 검사기·인쇄 컨베이어, 싱글 파일러 등의 체인 속도가 빠른 공정
  • 음료 산업의 건식 윤활 공정
  • 주)
    식품위생법(후생성 고시 제370호)에 적합하지 않습니다.
    단 기구 및 용기 포장 규격 시험(합성 수지)에 정해진 물질은 용출되어 있지 않은 것을 확인하고 있습니다.
■ 마모 분말 대책
마찰 감소 / 마모 방지 (LF) 사양보다 내마모성을 20% 향상하여 컨베이어 개조나 스프로킷을 변경하지 않고 마찰 감소 / 마모 방지 (HG) 사양으로 교환 가능합니다. (체인을 교환할 때는 레일도 함께 교환되는 것을 추천합니다. 특히 플라스틱 레일은 마찰 감소 / 마모 방지 (PLF)를 권장합니다.)
■ 반송물 보호
마찰계수가 마찰 감소 / 마모 방지 (LF) 사양과 동일하고, 마찰계수가 표준 사양 보다 15~45% 낮기 때문에, 어큐뮬레이트시의 라인 프레셔를 경감해, 반송물에 상처가 생기기 어려워집니다.
■ 각종 사양과의 마찰 체적 비교
20%down
  • ※상기 그래프는 당사 사내 테스트 결과입니다. LF 사양의 마모 체적을 100(기준)으로 하고 있습니다. 체인 형식 : TTP826, 체인 속도 : 60m/min, 상온, 드라이 조건
  • 노트
    A사 등. A사에서 제조한 내마모성 체인, 링크 재질: 폴리에스터
    B사 등. B사에서 제조한 내마모성 체인, 링크 재질: 폴리아세탈
■ 적용 체인 형식 예
  • WT1506-K형, TTP826형, RSP50형 등
×
(드래그로 이동할 수 있습니다)

고온 사양 [ 사양 기호: HTW ]

체인 링크에 폴리 프로필렌 채용

외관 색상: 화이트 [HTW]

■ 용도

  • 음료·식품공장의 워마, 패스트 쿨러용 체인
  • 배터리 반송 라인
  • 약간 경사진 이송 컨베이어
■ 최고 사용 분위기 온도: 105℃
온수가 드는 음료 공장의 워마, 패스트 쿨러용 체인에 최적입니다.
■ 내약품성
산, 알칼리를 포함한 내약품성이 우수합니다.
■ 고마찰
마찰계수는 표준 사양의 약 1.2~1.6배입니다. 드라이 조건으로 약간의 경사 반송에 사용 가능합니다.
■ 경량
폴리아세탈제 체인에 대해 40% 정도 경량입니다. 소요 동력의 저감에 효과가 있습니다.
■ 적용 체인 형식 예
  • WT1907-K형, WT2506-K형, TTPM500형 등
  • 주) 1. WT2250FG형의 사양기호「HTW」는 식품위생법(후생성고시 제370호)에 적합하지 않습니다.
  • 주) 2. 최대 허용 장력 은 표준 사양의 40% 정도입니다.
  • 주) 3. 사용온도 범위: 5~105℃
×
(드래그로 이동할 수 있습니다)

고속 사양 : 드라이 조건 전용 [ 사양 기호 : HS ]

체인 링크에 특수 엔지니어링 플라스틱 채용

외관 색깔: 베이지 [HS]

■ 용도

  • 제캔・빈캔의 고속 반송
  • 주)
    식품위생법(후생성 고시 제370호)에 적합하지 않습니다.
    단 기구 및 용기 포장 규격 시험(합성 수지)에 정해진 물질은 용출되어 있지 않은 것을 확인하고 있습니다.
■ 최고 속도
230m/min(직선 라인)으로 높은 한계 PV값을 가지고 있습니다. 고속 반송에서의 용융을 방지합니다.
■ 적용 체인 형식 예
  • TPU826-T형, TP-OTD32형 등
  • 주) 1. 최대 허용 장력 은 표준 사양의 80% 정도입니다.
  • 주) 2. 스테인리스 핀 타입만입니다.
  • 주) 3. 드라이 조건 전용입니다.
  • 주) 4. 고속으로 사용하는 경우는 스테인리스 레일(냉간 압연재의 미가키 사양), 용도에 따라서는 플라스틱 레일 특수 폴리아미드(SJ-CNO)를 사용해 주십시오.
  • 주) 5. 사용온도 범위: -20~50℃
×
(드래그로 이동할 수 있습니다)

저온 사양 [ 사양 기호: LTW ]

체인 링크에 폴리에틸렌 채용

외관 색상: 화이트 [LTW]

■ 용도

  • 냉동고 컨베이어에서 냉동 식품 운반
  • 드라이아이스 운반
■ 저온 분위기 온도
-70℃의 저온 분위기에서 사용 가능합니다.
(표준 사양은 -20℃까지)
■ 내약품성
약품이 뛰어난 내식성을 나타냅니다.
■ 적용 체인 형식은 아래와 같습니다.
  • BTN5, BTC6, BTN6, BTC8
  • 주) 1. 최대 허용 장력 은 표준 사양의 33% 정도입니다.
  • 주) 2. -20℃ 이하에서 사용하는 경우 특수 스프로킷 필요하므로 당사에 문의해 주십시오.
  • 주) 3. 사용온도 범위: -70~60℃
×
(드래그로 이동할 수 있습니다)

내약품 사양 [ 사양 기호: Y ]

체인 링크에 특수 엔지니어링 플라스틱 채용

외관 색: 광택 제거 화이트 [Y]

■ 용도

  • 리튬 이온 배터리(배터리) 등의 제조 라인에서의 반송
  • 인쇄 회로 기판 및 실리콘 웨이퍼 세정 라인에서의 이송
  • 음료 및 무균 충전실 출구 컨베이어로 이송
  • 식품 공장 등 약품으로 세정할 필요가 있는 제조 라인에서의 반송
■ 내약품성
유기용제, 무기염산류, 알칼리, 산화제, 아세트산 등 많은 약품에 내식성을 나타냅니다.
■ 내충격성
표준 시리즈에 비해 수지가 부족하기 어렵습니다.
■ 적용 체인 형식 예
  • TTP826형, TPRF2040형, RSP35형 등
  • 주) 1. 최대 허용 장력 은 표준 사양의 50% 정도입니다.
  • 주) 2. 마찰계수는 표준 사양과 동일합니다.
  • 주) 3. 화기가 있는 장소나 고온하에서는 사용하지 마십시오.
×
(드래그로 이동할 수 있습니다)

슈퍼 내화학성 [ 사양 기호: SY ]

체인 링크에 특수 엔지니어링 플라스틱 채용

외관색 : 광택 제거 화이트 [SY]

■ 용도

  • 리튬 이온 배터리(배터리) 등의 제조 라인에서의 반송
  • 인쇄 회로 기판 및 실리콘 웨이퍼 세정 라인에서의 이송
  • 음료 및 무균 충전실 출구 컨베이어로 이송
  • 식품 공장 등 약품으로 세정할 필요가 있는 제조 라인에서의 반송
■ 핀 재질에 티타늄을 채용
내약품(Y) 사양의 핀을 티타늄(사선 롤렛 핀)으로 바꾸는 것으로 더욱 내약품성을 향상시켰습니다.
■ 내약품성
염산, 황산 등에 보다 부식성이 강한 약품 내식성을 나타냅니다.
■ 적용 체인 형식 예
  • TTP826형, RSP40형 등
  • 주) 1. 최대 허용 장력 은 표준 사양의 50% 정도입니다.
  • 주) 2. 마찰계수는 표준 사양과 동일합니다.
  • 주) 3. D핀 타입, 프라핀 타입은 대응할 수 없습니다.
  • 주) 4. 화기가 있는 장소나 고온하에서는 사용하지 마십시오.
  • 주) 5. 사용온도 범위: -20~80℃
×
(드래그로 이동할 수 있습니다)

전도 사양 [ 사양 기호: E ]

체인 링크에 특수 엔지니어링 플라스틱 채용

외관 색상: 블랙 [E]

■ 용도

  • PCB 납땜 후 반송
  • 태양광 패널의 라미네이트 공정 전후, 절단기까지의 반송
  • 캔의 어큐뮬레이트에 의한 정전기 대책
  • 세정기 건조 후 정전기 대책
  • 자동차 부품(전장 부품) 반송
  • 주)
    식품위생법(후생성 고시 제370호)에 적합하지 않습니다.
    단 기구 및 용기 포장 규격 시험(합성 수지)에 정해진 물질은 용출되어 있지 않은 것을 확인하고 있습니다.
■ 우수한 도전성
체적 고유 저항률: 1 X 10 6 Ω·cm 이하 (표준 사양은 1 X 10 14 ~10 15 Ω·cm)
■ 정전기 억제
전기 노이즈, 스파크의 발생을 억제합니다.
주) 스틸제의 스프로킷 레일 등을 이용하여 컨베이어 전체의 접지를 잡아 주십시오.
■ 적용 체인 형식 예
  • WT0705-W형, TTP826P형, RSP35형 등
  • 주) 1. 최대 허용 장력 은 표준 사양의 70% 정도입니다.
  • 주) 2. 마찰계수는 표준 사양과 동일합니다.
×
(드래그로 이동할 수 있습니다)

내충격 사양:드라이 조건 전용 [ 사양 기호: DIA ]

체인 링크에 특수 엔지니어링 플라스틱 채용

외관 색: 크림 [DIA]

■ 용도

  • 약간 무거운 기계 부품 운반
  • 식품 직승의 건조한 반송 컨베이어
  • 약간 경사진 식품 운반 컨베이어
  • 주)
    식품위생법(후생성 고시 제370호)에 적합하지 않습니다.
    단 기구 및 용기 포장 규격 시험(합성 수지)에 정해진 물질은 용출되어 있지 않은 것을 확인하고 있습니다.
■ 초내충격성
이 체인은 충격 시 쉽게 파손되지 않으며, 파손되더라도 파편이 흩어지지 않습니다. 이물질 오염 방지에 적합합니다.
■ 고마찰
마찰 계수는 표준 사양의 1.2배입니다. 드라이 조건으로 약간의 경사에 사용하실 수 있습니다.
■ 경량
폴리아세탈제의 톱체인에 대해, 20% 정도 경량입니다. 취급이 용이하고, 소요 동력의 저감에 효과가 있습니다.
■ 내충격 성능 (충격이 가해졌을 때의 부족 어려움)
■ 적용 체인 형식 예
  • BTC8H-826-M형, TPUSR550-T형, RSP60-2형 등
  • 주) 1. 최대 허용 장력 은 표준 사양의 75% 정도입니다.
  • 주) 2. 드라이 조건 전용입니다.
×
(드래그로 이동할 수 있습니다)

내충격 사양:드라이&웨트 조건 겸용 [ 사양 기호: DIY ]

체인 링크에 특수 엔지니어링 플라스틱 채용

외관 색: 녹색 [DIY]

■ 용도

  • 습식 조건에서의 식품 또는 용기 반송
  • 자주 살균 세척되는 경우
  • 폴리아세탈제 체인을 사용해, 부족으로 곤란의 경우
  • 주)
    식품위생법(후생성 고시 제370호)에 적합하지 않습니다.
    단 기구 및 용기 포장 규격 시험(합성 수지)에 정해진 물질은 용출되어 있지 않은 것을 확인하고 있습니다.
■ 내충격성
폴리아세탈 수지제와 비교하면 충격이 걸려도 부족하기 어렵습니다.
■ 내약품성
세정·살균의 약품에 대해서, 내약품성이 뛰어납니다. 자주 살균 세척되는 컨베이어에 적합합니다.
■ 비점착성
체인에 반송물이 부착하기 어려운 효과가 있습니다.
■ 내충격 성능 (충격이 가해졌을 때의 부족 어려움
■ 내자외선성
폴리아세탈 수지제에 비해 내후성이 우수합니다.
■ 적용 체인 형식 예
  • BTC6형, TPRF2040형, RSP60형 등
  • 주) 1. 최대 허용 장력 은 표준 사양의 75% 정도입니다.
  • 주) 2. 마찰계수는 표준 사양과 동일합니다.
  • 주) 3. 저온 분위기 등 분위기에 의해 수지 파편이 비산하는 경우가 있습니다.
  • 주) 4. 화기가 있는 장소나 고온하에서는 사용하지 마십시오.
×
(드래그로 이동할 수 있습니다)

중마찰 사양 사양:드라이 조건 전용 [ 사양 기호: MF ]

체인 링크에 특수 폴리 아세탈 채용

외관 색상: 옐로우 [MF]

■ 용도

  • 3~5°의 경사 반송
  • 검사기・인쇄 컨베이어에서의 반송물의 미끄러짐 방지
    ※ 반송물에 따라 다릅니다.
■ 경사 반송에 최적
중간 정도 높은 마찰재로 경사 반송에 적합합니다.
■ 안정적인 반송
컨베이어의 기동, 정지에 의한 반송물의 위치 어긋남 방지, 가속에 의한 미끄럼 방지에 적합합니다.
■ 적용 체인 형식 예
  • BTC6형, TTUP826P형, RSP40형 등
  • 주) 1. 최대 허용 장력 은 표준 사양의 75% 정도입니다.
  • 주) 2. 마찰계수는 표준 사양의 1.1배입니다.
  • 주) 2. 드라이 조건 전용입니다.
  • 주) 4. 사용온도범위: -20~80℃
×
(드래그로 이동할 수 있습니다)

내열·내방사선성·내진공 사양 [ 사양기호: PK150 ]

체인 링크와 핀에 PEEK 수지 채용

외관색: 라이트 브라운 [PK150]

■ 용도

  • 건조로·오븐 등의 고온 분위기하나 오븐 등의 출입구 승수 유닛
  • 충전실내의 세정·살균 등 약품을 사용하는 환경하
  • 진공 환경 하에서의 반송
■ 최고 사용 분위기 온도:150℃
■ 내약품성
약품이 뛰어난 내식성을 나타냅니다.
■ 내방사선성
방사선에 대한 내성은 열가소성 수지 중 최고 수준입니다.
■ 진공 중의 방출 가스의 발생이 적다
■ FDA(미국 식품의약품국)에 인정된 재료를 사용
■ 적용 체인 형식
  • WT0405-W
  • 주)사용온도 범위: -20~150℃
×
(드래그로 이동할 수 있습니다)

항균·방곰팡이 사양 [ 사양 기호: MWS ]

체인 링크에 항균제 배합 마찰 감소 / 마모 방지 아세탈 채용

외관 색상: 크림 [MWS]

■ 용도

  • 보틀링 공장 내에서의 세척 대책
  • 공정상의 수분이나 결로수로 젖은 컨베이어
    (특히 샤워 장치 출입구나 레토르트 장치 언로더부 등)
  • 조건적으로 컨베이어가 더러워지기 쉽고 곰팡이 예방
■ 항균+방곰팡이
항균제 제조업체와 공동 개발한 독자적인 항균제를 사용하여 대장균(E. coli), 포도상구균, 유산균 등 식품 산업에서 가장 위험한 세균에 효과적일 뿐만 아니라, 푸른곰팡이 등 다양한 곰팡이에도 효과적인 항균 작용을 합니다.
■ 지속성
항균제는 장기적으로 성능을 지속하는 무기계 항균제를 채용하고 있습니다. 항균제는 플라스틱 소재 제조 단계에서 반죽하고 있기 때문에, 링크 전체에 균일 분산해, 표면이 마모해도 항균·방곰팡이 기능을 지속합니다.
■ 안전성
안전성이 높은 항균제를 배합. 베이스 재료는 식품 위생법(후생성 고시 제370호)에 적합하지 않습니다.
단 기구 및 용기 포장 규격 시험(합성 수지)에 정해진 물질은 용출되어 있지 않은 것을 확인하고 있습니다.
항균·방곰팡이 기능의 부가에 의해 더욱 안전성이 향상하고 있습니다.
■ 고기능
항균 첨가에 의한 성능 변화는 거의 없고, 우수한 마찰 감소 / 마모 방지을 발휘합니다. 링크 소재에 마찰 감소 / 마모 방지 (LF) 사양을 사용하고 있습니다.
  • 주) 1. 최대 허용 장력 은 표준 사양과 동일합니다.
  • 주) 2. 마찰계수는 마찰 감소 / 마모 방지 (LF) 사양과 동일합니다

항균·방곰팡이 성능

35℃ X 24시간 후 상태 (사카로미세스)
LF 사양 상당품 MWS 사양

※시험 방법
JIS Z2801:2010

  • 시험 의뢰처 주식회사 위생 미생물 연구 센터
  • 시험 성적서 발행 연월일 2020년 10월 12일
  • 시험 성적서 발행 번호 2020D-BT-0808

항균력 시험 결과 (항균제 없음과의 비교)

시험한 균 시험품 접종 직후 35℃ X 24시간 후
대장균 MWS 1.5 X 104 38
(항균제 없음) 1.5 X 104 22 X 106
황색 포도상 구균 MWS 1.6 X 104 검출하지 않고
(항균제 없음) 1.6 X 104 1.5 X 105
사카로미세스
(효모의 일종)
MWS 2.5 X 104 검출하지 않고
(항균제 없음) 2.5 X 104 1.4 X 104
젖산 간균 MWS 6.4 X 105 1.3 X 102
(항균제 없음) 6.4 X 105 6.9 X 104
병원성 대장균
O-157(H7)
MWS 1 X 103.9 검출하지 않고
(항균제 없음) 1 X 103.9 1 X 103.4

곰팡이 발육 시험 결과 (항균제 없음과의 비교)

시험 곰팡이 시험품 7일 후 14일 후 21일 후
검은 곰팡이 MWS 사양 0 0 0
(항균제 없음) 0 1 2

● 시험 결과 표시 방법

표시 표시 내용
0 육안 및 현미경 하에서 곰팡이 발육 인정되지 않음. 저지대가 인정되는 경우도 있다.
1 육안으로 곰팡이 인정되지 않고. 현미경 하에서 곰팡이를 확인할 수 있습니다.
2 균사의 발육은 적고, 발육 부분의 면적은 전체 면적의 25%를 초과하지 않는다.
3 균사의 발육은 중간 정도로, 발육 부분의 면적은 전면적의 25~50%.
4 균사는 잘 발육하고, 발육 부분의 면적은 전체 면적의 50~100%.
5 균사의 발육은 격렬하고 전면을 덮고 있다.

※시험 방법
JIS Z2911-2000(A법)

  • 시험 기관 이시즈카 유리 주식회사
  • 시험 성적서 발행 연월일 2020년 9월 25일
×
(드래그로 이동할 수 있습니다)

금속 감지 사양 [ 사양 기호: MPD/MPW ]

체인 링크에 특수 엔지니어링 플라스틱 채용

외관색: 블랙 [MPD/MPW]

■ 용도

  • 고무 화합물 반송
  • 포장기 앞의 식품 직승용 반송 컨베이어
  • 컨베이어를 이용한 면의 직접 이송 (사양 코드: MPW)
  • 제빵 공장에서의 트레이 반송 (사양기호:MPD)
  • 주)
    식품위생법(후생성 고시 제370호)에 적합하지 않습니다.
    단 기구 및 용기 포장 규격 시험(합성 수지)에 정해진 물질은 용출되어 있지 않은 것을 확인하고 있습니다.
■ 금속 검출기로 검출 가능
만일 체인이 부족하여 식품이나 고무 컴파운드에 혼입되어 버린 경우에도 금속 검출기로 발견하여 미연에 유출을 막을 수 있습니다.
■ 내충격성
충격이 가해져도 파편이 비산하기 어려워지고 있습니다.
■ 적용 체인 형식 예
  • TTUP826형, RSP60-CU-2형 등
  • 주) 1. MPD 사양은 드라이 조건 전용, MPW 사양은 드라이&웨트 조건 겸용입니다.
  • 주) 2. MPD 사양의 최대 허용 장력 은 표준 사양의 80% 정도, MPW 사양의 최대 허용 장력 은 표준 사양의 40% 정도입니다.
  • 주) 3. 사용온도범위: -20~80℃(MPD), -20~60℃(MPW)
×
(드래그로 이동할 수 있습니다)

저온·내약품 사양 [ 사양 기호: UPE ]

체인링크에 초고분자량 폴리에틸렌 채용

외관색 : 광택 화이트 [UPE]

■ 용도

  • 냉동 식품 보관 창고 내 반송
  • 냉동고 컨베이어에서 냉동 식품 운반
  • 이물 혼입 대책이나 약품 세정되는 식품 반송
  • 2차 전지 등 내약품성이 필요한 반송
  • 충전실내의 세정·살균 등 약품을 사용하는 환경하
■ 저온 분위기 온도
-70℃의 저온 분위기 온도에서 사용 가능합니다. (표준 사양은 -20℃까지)
■ 내충격성
매우 높은 내충격성으로 저온 분위기 사용시에도 이물질이 혼입하기 어렵습니다.
폴리아세탈 수지제와 비교하면 상온 분위기 사용 시에는 13배, 저온 분위기 사용 시에는 26배의 내충격성을 겸비하고 있습니다.
■ 내마모성
상온 분위기 사용시의 마모량이 폴리아세탈 수지제에 비해 약 80% 저감합니다.
■ 내약품성
약품이 뛰어난 내식성을 나타냅니다.
■ FDA(미국 식품의약품국)에 인정된 재료를 사용
■ 적용 체인 형식
  • RSP80
  • 주) 1. 최대 허용 장력 은 표준 사양의 30% 정도입니다.
  • 주) 2. 사용온도범위: -70~60℃
  • 주) 3. -20℃ 이하에서 사용하는 경우 특수 스프로킷 필요하므로 당사에 문의해 주십시오.
  • 주) 4. 주행 레일의 재질은 스테인리스(냉간 압연재)를 권장합니다. UHMW-PE(초고분자량 폴리에틸렌)는 같은 재질이므로 권장하지 않습니다.
×
(드래그로 이동할 수 있습니다)

내산 사양 [ 사양 기호: AR ]

체인 링크에 특수 폴리 아세탈 채용

외관 색상: 화이트 [AR]

■ 내식성
표준 사양, 마찰 감소 / 마모 방지 (LF) 사양에 비해 내식성이 우수합니다.
■ 부식 대책
차아염소산 소다 들어가 비누수에 의한 부식 대책 등에 적합합니다.
■ 적용 체인 형식 예
  • TTP826형, RSP35형 등
  • 주) 1. 강산, 강알칼리에는 침해되어 버리기 때문에 내약품(Y) 사양이나 슈퍼 내약품(SY) 사양을 사용해 주십시오.
  • 주) 2. 최대 허용 장력 은 표준 사양의 90% 정도입니다.
  • 주) 3. 마찰계수는 표준 사양과 동일합니다.
  • 주) 4. 프라핀 타입의 대응은 할 수 없습니다.
  • 주) 5. 60℃ 이상의 온수가 걸리는 조건에서는 사용할 수 없습니다.
  • 주) 6. 사용온도범위:-20~(60) 80℃(60)는 습식조건의 경우입니다.
×
(드래그로 이동할 수 있습니다)

내자외선 사양 [ 사양 기호: UVR ]

체인 링크에 특수 폴리 아세탈 채용

외관 색상: 라이트 그레이 [UVR]

■ 용도

  • 옥외에서 자외선의 영향을 받는 반송
  • 자외선으로 인한 열화 현상에 대한 대책을 통해 표준 시리즈보다 수명이 연장되었습니다.
■ 내자외선
표준 사양, 마찰 감소 / 마모 방지 (LF) 사양에 비해 옥외에서의 자외선 열화(변색·강도 저하)에 대한 내성이 우수합니다.
■ 적용 체인 형식 예
  • TTP826형, TTPH826P형, RSP50형 등
  • 주) 1. 최대 허용 장력, 마찰 계수는 표준 사양과 동일합니다.
  • 주) 2. 프라핀 타입의 대응도 가능합니다.
  • 주) 3. 사용온도범위:-20~(60) 80℃(60)는 플라핀 타입의 습식 조건의 경우입니다.
×
(드래그로 이동할 수 있습니다)

식품 반송 사양 [ 사양 기호: PFS ]

체인 링크에 폴리 아세탈 채용

외관 색: 나일 블루 [PFS]

■ 용도

  • 빵 제조 라인의 상온 냉각 공정에서의 반송
  • 그 외, 식품 생산 라인에서의 반송
■ PIM(유럽 플라스틱 시공 규칙)에 적합
PIM (유럽 플라스틱 시행 규칙)에 적합한 쯔바키 원래 재료를 사용하고 있습니다.
■ 적용 체인 형식 예
  • TTP826형, RSP40-T-CU형 등
  • 주) 1. 최대 허용 장력, 마찰 계수는 표준 사양과 동일합니다.
  • 주) 2. PIM(유럽 플라스틱 시공 규칙)이란, 유럽에서의 상품 직접 접촉에서의 사용이 생각되는 플라스틱 제품에 관해서, 판매하기 위해서 필수 불가결한 규칙입니다.
  • 주) 3. 플라스틱 핀 타입은 PIM(유럽 플라스틱 시공 규칙)에 적합하지 않습니다.
×
(드래그로 이동할 수 있습니다)

바이오매스 사양(BP) [ 사양 기호: BP ]

링크 재질에 친환경 바이오 매스 플라스틱을 채용

외관색: 다크 그린 [BPG]

■ 환경 배려 상품
식물 유래의 환경 친화적인 바이오 매스 플라스틱을 사용하는 것으로, 석유 자원 절약 외에 바이오 매스 플라스틱이 갖는 탄소 중립성으로부터 CO 2의 삭감 효과가 기대됩니다.

※바이오매스 플라스틱이란: 원료로서 식물 등의 재생 가능한 유기 자원을 사용하는 플라스틱 소재


■ 적용 체인 형식 예
  • RSP40형만
  • 주) 1. 최대 허용 장력 은 표준 사양의 36% 정도입니다.
  • 주) 2. 사용온도 범위: -20~80℃
  • 주) 3. 드라이 조건 전용입니다.
  • 주) 4. 사용 분위기 습도는 20~80%에서의 사용을 권장합니다. 그 이외의 습도 분위기에서 사용하는 경우는 당사에 문의해 주십시오.
  • 주) 5. 식품위생법(후생성 고시 제370호)에 적합하지 않습니다.
  • 주) 6. 바이오매스(BP) 사양의 재질 특성에 따라 약간의 얼룩이 발생하는 경우가 있습니다. 제품 성능면에 영향을 미치지 않습니다.