톱체인 용 스프로킷 주요 제원
形番:TTPM1900T
카탈로그 · 취급설명서
적용 체인
TTPM
주요 제원
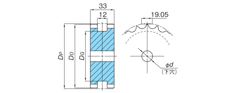
| 형번 | 잇수 | 피치 원 직경 Dp mm | 외경 Do mm | 축 구멍 모양 | 파일럿 홀 mm | 홈부 직경 DG mm | 개략 질량 kg |
|---|---|---|---|---|---|---|---|
| TTPM1900T | 19 | 115.7 | 116 | 둥근 | 15 | 100 | 2.4 |
| 재질 | 타입 |
|---|---|
| 기계 구조용 탄소강 | 일체형 |
노트
1. 상기 잇수 이외에도 제작합니다.
TTPM
| 형번 | 잇수 | 피치 원 직경 Dp mm | 외경 Do mm | 축 구멍 모양 | 파일럿 홀 mm | 홈부 직경 DG mm | 개략 질량 kg |
|---|---|---|---|---|---|---|---|
| TTPM1900T | 19 | 115.7 | 116 | 둥근 | 15 | 100 | 2.4 |
| 재질 | 타입 |
|---|---|
| 기계 구조용 탄소강 | 일체형 |
노트
1. 상기 잇수 이외에도 제작합니다.