베어링 유닛 주요 제원
카탈로그 · 취급설명서
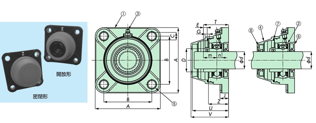
角フランジ形ユニット (UCFQ)
겉(표)에도 뒤에도 씰하고 있기 때문에, 물 분위기·분진 분위기에서의 베어링의 장수명화에 효과적입니다.
| 품번 | 품명 | 재질 |
|---|---|---|
| 1 | 하우징 | 강화 폴리아미드 |
| 2 | 볼 베어링 | 황동 + Ni 도금 |
| 3 | 그리스 니플 | 황동 + Ni 도금 |
| 4 | 안전 캡 | 폴리프로필렌 |
| 5 | 스페이서브슈 | 황동 + Ni 도금 |
| 품번 | 품명 | 재질 |
|---|---|---|
| 6 | 물개 | NBR |
| 7 | O링 | NBR |
| 8 | 물개 | NBR |
| 형번 | 모양 | 베어링의 기본 정격 하중 kN |
본체 최대 허용 하중 kN |
질량 kg |
자동 조심 | 사용온도범위 ℃ |
DXF 도형 데이터 |
희망 가격 | 배달 | PDF 외형도 |
|
|---|---|---|---|---|---|---|---|---|---|---|---|
| (기본) 동정격 하중 Cr |
(기본) 정정격하중 Cor |
||||||||||
| TP-C50205VREC-UCFQ | 밀폐형 | 10.8 | 7.8 | 11.5 | 0.3 | 하우징과 축과 최대 각도 오차: 2.5° |
0~80 | DXF | 문의하십시오 | 문의하십시오 | |
| TP-C55205VREC-UCFQ | 개방형 | DXF | 문의하십시오 | 문의하십시오 | |||||||
| TP-C50206VREC-UCFQ | 밀폐형 | 15.0 | 11.3 | 11 | 0.5 | DXF | 문의하십시오 | 문의하십시오 | |||
| TP-C55206VREC-UCFQ | 개방형 | DXF | 문의하십시오 | 문의하십시오 | |||||||
| TP-C50207VREC-UCFQ | 밀폐형 | 19.7 | 15.3 | 10.5 | 0.6 | DXF | 문의하십시오 | 문의하십시오 | |||
| TP-C55207VREC-UCFQ | 개방형 | DXF | 문의하십시오 | 문의하십시오 | |||||||
| TP-C50208VREC-UCFQ | 밀폐형 | 22.4 | 17.9 | 10 | 0.8 | DXF | 문의하십시오 | 문의하십시오 | |||
| TP-C55208VREC-UCFQ | 개방형 | DXF | 문의하십시오 | 문의하십시오 | |||||||
| 형번 | 치수 | MB 상당품 | ||||||||||||||
|---|---|---|---|---|---|---|---|---|---|---|---|---|---|---|---|---|
| 축경 d |
A | B | C | D | E | G | H | J | Z | T | m | n | U | V | ||
| TP-C50205VREC-UCFQ | 25 | 98 | 70 | 11 | 34 | 5.5 | M6× 1.00 |
15 | 12.5 | 29 | 36.5 | 19.5 | 7.5 | 52 | 54 | MB205C-64573-UCF |
| TP-C55205VREC-UCFQ | MB205C-64623-UCF | |||||||||||||||
| TP-C50206VREC-UCFQ | 30 | 110 | 83 | 11 | 40.3 | 6.5 | 18 | 22 | 8 | 51 | 53 | MB206C-63112-UCF | ||||
| TP-C55206VREC-UCFQ | MB206C-63172-UCF | |||||||||||||||
| TP-C50207VREC-UCFQ | 35 | 118 | 92 | 14 | 48 | 6.5 | M8× 1.00 |
20 | 16 | 33 | 41.5 | 23.5 | 8.5 | 64 | 66 | MB207C-64068-UCF |
| TP-C55207VREC-UCFQ | MB207C-64078-UCF | |||||||||||||||
| TP-C50208VREC-UCFQ | 40 | 130 | 101.5 | 14 | 53 | 7.0 | M8× 1.00 |
20 | 35 | 43 | 25 | 9 | 63 | 65 | MB208C-64667-UCF | |
| TP-C55208VREC-UCFQ | MB208C-64677-UCF | |||||||||||||||
노트
1. 볼 베어링은 고정 나사식입니다.


