체인 가이드 주요 제원
카탈로그 · 취급설명서
| ※ | 3DCAD 데이터는 캐데나스 웹 투 캐드(주)의 CAD 도면라이브러리 사이트 「PARTcommunity」에의 링크에 의해 제공합니다. |
| ※ | 3DCAD 데이터 및 PARTcommunity에 대한 문의는 캐데나스 웹 투 캐드로 문의하십시오. 【캐데나스·웹·투·캐드 주식회사】TEL: (03)5961-5031 FAX: (03)5961-5032 |
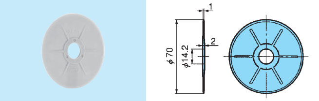
고회전성 리턴 롤러(RR)
내주에 샤프트와의 저항이 작은 엔지니어링 플라스틱 재료를 사용하고, 외주에 체인과의 저항이 큰 연질 재료를 사용하고 있기 때문에 회전성이 매우 뛰어납니다. 체인의 판금 상면에 긁히고 싶지 않거나 돌아 오는 쪽의 소음을 부드럽게하는 데에도 효과가 있습니다. 또한 슬랫 상면과의 접촉을 줄이고 축 구멍에 베어링을 이용하여 마모 분말의 발생을 최대한 억제한 타입도 새롭게 라인업하고 있습니다.
TP-IR60, TP-IR18 : 드라이 전용
TP-C121963, 121966RNT-RR, TP-C121967, 121970RNFT-RR : 건식 습식 겸용
리턴 롤러는 컨베이어의 반환측에서 체인 상면의 받침으로 사용해 주십시오.
| 형번 | 재질 | 칼라 | 사용온도범위 ℃ |
DXF 도형 데이터 |
標準価格 | 배달 | PDF 외형도 |
3DCAD | ||
|---|---|---|---|---|---|---|---|---|---|---|
| 축·측면 | 외주 | 축·측면 | 외주 | |||||||
| TP-IR60 | 폴리아미드 | 고마찰 폴리아미드 | 라이트 그레이 | 블루 | -20~80 | DXF | 문의하십시오 | 문의하십시오 | 3DCAD | |
주석(참고)
1. 주문 생산품입니다.
2. 젖은 조건에서는 사용하지 마십시오.
3. 체인 속도는 50m m/min 이하로 사용해 주십시오.
| 형번 | 재질 | 칼라 | 사용온도범위 ℃ |
DXF 도형 데이터 |
標準価格 | 배달 | PDF 외형도 |
3DCAD | ||
|---|---|---|---|---|---|---|---|---|---|---|
| 축·측면 | 외주 | 축·측면 | 외주 | |||||||
| TP-IR18 | 폴리아미드 | 고마찰 폴리아미드 | 라이트 그레이 | 무광택 화이트 | -20~80 | DXF | 문의하십시오 | 문의하십시오 | 3DCAD | |
주석(참고)
1. 주문 생산품입니다.
2. 젖은 조건에서는 사용하지 마십시오.
3.BTC4-500-M과 함께 사용하십시오.
| 형번 | 축경 Df |
재질 | 칼라 | MB 상당품 | 사용온도범위 ℃ |
DXF 도형 데이터 |
標準価格 | 배달 | PDF 외형도 |
||
|---|---|---|---|---|---|---|---|---|---|---|---|
| 축·측면 | 외주 | 축·측면 | 외주 | ||||||||
| TP-C121963RNT-RR | 15.5 | 고밀도 폴리에틸렌 | 열가소성 고무 | 그린 | 회색 | MB613-615342-RR | -20~60 | DXF | 문의하십시오 | 문의하십시오 | |
| TP-C121966RNT-RR | 20.5 | 고밀도 폴리에틸렌 | 열가소성 고무 | 그린 | 회색 | MB613-615372-RR | -20~60 | DXF | 문의하십시오 | 문의하십시오 | |
주석(참고)
1. 체인 속도는 50m m/min 이하로 사용해 주십시오.
2.TP-C121966RNT-RR은 광범위한 체인에 적합합니다.
| 형번 | 축경 Df |
재질 | 칼라 | MB 상당품 | 사용온도범위 ℃ |
DXF 도형 데이터 |
標準価格 | 배달 | PDF 외형도 |
||
|---|---|---|---|---|---|---|---|---|---|---|---|
| 축·측면 | 외주 | 축·측면 | 외주 | ||||||||
| TP-C121967RNFT-RR | 15.5 | 고밀도 폴리에틸렌 | 열가소성 고무 | 그린 | 회색 | MB614-615382-RR | -20~60 | DXF | 문의하십시오 | 문의하십시오 | |
| TP-C121970RNFT-RR | 20.5 | 고밀도 폴리에틸렌 | 열가소성 고무 | 그린 | 회색 | MB614-615412-RR | -20~60 | DXF | 문의하십시오 | 문의하십시오 | |
주석(참고)
1. 체인 속도는 50m m/min 이하로 사용해 주십시오.
2.TP-C121970RNFT-RR은 광범위한 체인에 적합합니다.






