플라스틱 시리즈 TKR 형 지지 롤러의 설치에 대해
플라스틱 케이블 베이어 TKR형은 지지 롤러의 설치에 의해 더욱 장스트로크에 대응합니다.
지지 롤러를 설치하는 경우는 케이블 베이어의 안정된 거동을 확보하기 위해 지지 롤러 설치 간격을 케이블 베이어 형번 마다 설정하고 있습니다.
하기를 기준으로 설치하여 지지 롤러를 설치한 경우의 능력선도 내에서 사용해 주십시오.
TKR15H22 (구 TKR0150)
지지 롤러의 설치 간격은 L=350mm 이하로 설정해 주십시오.
지지 롤러를 4개 이상 설치하면 이동 스트로크가 최대 2.2m까지 연장됩니다.
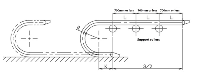
TKR20H28 (구 TKR0200H28)
지지 롤러의 설치 간격은 L=700mm 이하로 설정해 주십시오.
지지 롤러를 3개 이상 설치하면 이동 스트로크가 최대 3.3m까지 연장됩니다.
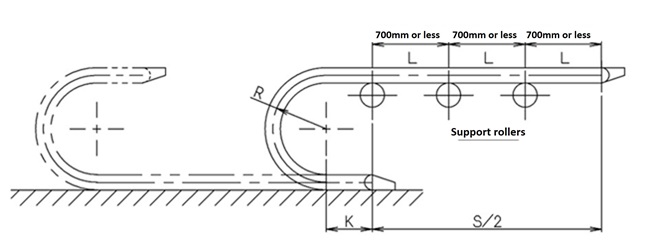
TKR26H40 (구 TKR0260)
지지 롤러의 설치 간격은 L=700mm 이하로 설정해 주십시오.
지지 롤러를 3개 이상 설치하면 이동 스트로크가 최대 3.6m까지 연장됩니다.
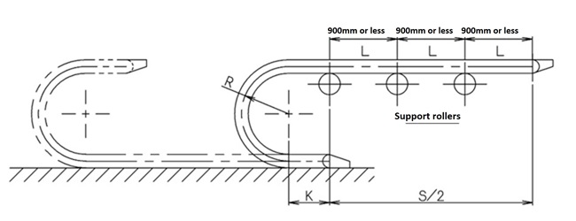
TKR28H52 (구 TKR0280)
지지 롤러의 설치 간격은 L=900mm 이하로 설정해 주십시오.
지지 롤러를 3개 이상 설치하면 이동 스트로크가 최대 5.0m까지 연장됩니다.
TKR28H52-EX
지지 롤러의 설치 간격은 L=900mm 이하로 설정해 주십시오.
지지 롤러를 3개 이상 설치하면 이동 스트로크가 최대 11.88m까지 연장됩니다.
TKR37H28
지지 롤러의 설치 간격은 L=700mm 이하로 설정해 주십시오.
지지 롤러를 4개 이상 설치하면 이동 스트로크가 최대 5.1m까지 연장됩니다.

